Что-то не так?
Пожалуйста, отключите Adblock.
Портал QRZ.RU существует только за счет рекламы, поэтому мы были бы Вам благодарны если Вы внесете сайт в список исключений. Мы стараемся размещать только релевантную рекламу, которая будет интересна не только рекламодателям, но и нашим читателям. Отключив Adblock, вы поможете не только нам, но и себе. Спасибо.
Как добавить наш сайт в исключения AdBlockРеклама
Экономичный приемник для Си-Би радиостанции
|
Способность носимой радиостанции в любой момент быть готовой принять вызов корреспондента зависит от ее энергопотребления в режиме дежурного приема. Обычно это лишь 10...30 часов работы. Далее - замена источника питания. Такая «автономность» чрезвычайно ограничивает сферу применения этой техники.
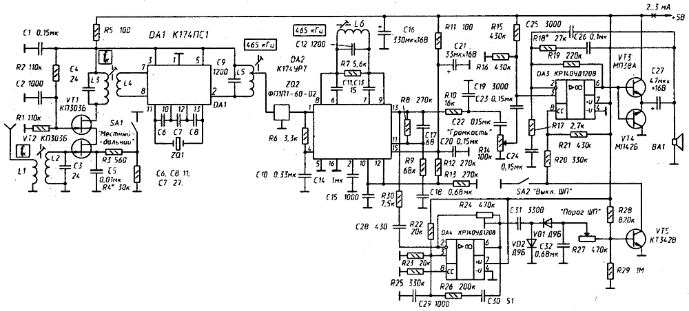
[ Увеличить в новом окне ] На рис. 1 приведена принципиальная схема экономичного приемника для одноканальной Си- Би- радиостанции. Транзисторы VT1 и VT2 входят в усилитель радиочастоты (УРЧ), его контуры L2C3 и L3C4 настроены на fк - частоту одного из разрешенных в этом диапазоне каналов связи (сегодня их около 160). Балансный смеситель и гетеродин выполнены на микросхеме DA1. Частота гетеродина задана кварцевым резонатором ZQ1, она должна быть ниже или выше частоты радиоканала на 465 кГц. Частотную характеристику ПЧ- тракта формируют контур L5C9 и пьезофильтр ZQ2. Микросхема DA2 выполняет функции усилителя промежуточной частоты (УПЧ), частотного детектора (L6C12 - его опорный контур) и предварительного усилителя звуковой частоты (УЗЧ). Основной УЗЧ выполнен на операционном усилителе DA3 с симметричным эмиттерным повторителем (транзисторы VT3, VT4) на выходе. Включение-выключение УЗЧ зависит от Iупр - тока в резисторе R20: УЗЧ выключен, если Iупр =0. На операционном усилителе DA4, работающем в режиме фильтра высших звуковых частот (ВЗЧ- фильтр), и транзисторе VT5 (электронный ключ) выполнен шумоподавитель, включающий УЗЧ лишь при появлении в канале корреспондента, подавляющего своей несущей высокочастотные шумы свободного канала.
Приемник смонтирован на печатной плате 55х88 мм (рис. 2), изготовленной из двустороннего фольгированного стеклотекстолита толщиной 1,5 мм. Фольга со стороны деталей используется лишь в качестве нулевого провода и экрана: в местах пропуска проводников в ней вытравлены кружки диаметром 1,5...2 мм (на рис. 8 не показаны), а места пайки к ней «заземляемых» выводов конденсаторов, резисторов и др. показаны зачерненными квадратами. Катушки L2 и L3 - по 18 витков провода ПЭВ-2 0,33 - наматывают в ряд на каркасах диаметром 5 мм, имеющих отверстия с резьбой М3 под карбонильный сердечник. Катушки связи L1 и L4 -по 3 витка провода ПЭВШО 0,27 - наматывают поверх контурных катушек у «холодных» (по в/ч) их концов. Эти катушки монтируют на плате так, как показано на рис. 3.
Катушки L5 и L6 наматывают в чашках от радиоприемника «Селга». Они содержат по 135 витков провода ПЭВШО 0,1 (отвод в L5 - от 45 витка, считая сверху). Чашки склеивают клеем БФ-2, а затем приклеивают к печатной плате так, как показано на рис. 4. Контуры L5C9 и L6C12 ПЧ-тракта настраивают карбонильными сердечниками М3х12, для которых в печатной плате имеются отверстия с соответствующей резьбой. Все постоянные резисторы приемника - типа МЛТ-0,125, подстроечный R24 - СПЗ-З8а. Конденсаторы: С 14 - K50-30; С21, С27 - K50-35; С16 - К5З-18В; СЗ, С4, С6-С8, С11, C13, С30 -КД-1; С9, С12 - KM, K10-176 (группы М750). Переключатель «прием-передача» SA1 - типа ПКн61. Элементы управления радиоприемником: R14 - громкость, R27 -порог шумоподавителя, SA1 - прием «местный- дальний», SA2 -выключатель шумоподавителя. Регулировки: R24 - усиление (добротность) ВЗЧ-фильтра, R18 -усиление УЗЧ (Ku=R18/R17), R4 - усиление УРЧ в режиме местного приема. В настройке приемника нет каких-либо особенностей. Сначала настраивают его ПЧ-контуры по генератору, выставленному на частоту 465 кГц (слабо связывая его с контуром L5C9; контроль -по сигналу на выв. 13 микросхемы DA2); затем - контуры L2C3 и L3C4 по генератору, выставленному на fк - частоту радиоканала. Настройку контура частотного детектора L6C12 корректируют по эфиру, прослушивая при выключенном ШП (SA2 замкнут) работающие в этом канале ЧМ-станции. Включив ШП, выставляют усиление ВЗЧ-фильтра по шумам свободного канала, для чего движок резистора R27 ставят примерно в среднее положение и, перемещая движок резистора R24, находят такую его позицию, в которой происходит переключение УЗЧ. На этом настройку шумоподавителя заканчивают. Остается лишь убедиться в том, что включением-выключением УЗЧ можно управлять с помощью резистора R27, а выключив им УЗЧ (без большого запаса), и в том, что при появлении в канале корреспондента УЗЧ включится самостоятельно. Чувствительность приемника -не хуже 2 мкВ. Он сохраняет свою работоспособность при снижении напряжения питания до 4В.
|
На рис. 5 показана возможная коммутация питающей батареи, позволяющая использовать в паре с таким приемником передатчик, рассчитанный на питание от 10...12-вольтного источника. Заметим, что в этом случае будет обеспечена работа станции в режиме дежурного
приема в течение 400...700 часов. А при использовании аккумуляторов емкостью 1,2
А-ч - и того более. Радиостанции такого рода имеют свою область применения. Это связь в дальних турпоходах, в профессиональных и самодеятельных экспедициях, при охране отдаленных сельхозугодий, на охоте и т.п. Там, одним словом, где портативная радиостанция из городской игрушки, лишь дополняющей квартирный телефон (именно в городе нужны ее многоканальность, высокая избирательность,
динамический диапазон и не нужна сколько-нибудь значительная автономность), становится единственным средством связи, позволяющим группе людей сохранять между собой контакт, максимально быстро оказать нуждающемуся помощь. Небезразлично, конечно, и то, что стоимость такой станции окажется значительно ниже цены самой посредственной заграничной «многоканалки». Во всяком случае - для радиолюбителя-конструктора.