Что-то не так?
Пожалуйста, отключите Adblock.
Портал QRZ.RU существует только за счет рекламы, поэтому мы были бы Вам благодарны если Вы внесете сайт в список исключений. Мы стараемся размещать только релевантную рекламу, которая будет интересна не только рекламодателям, но и нашим читателям. Отключив Adblock, вы поможете не только нам, но и себе. Спасибо.
Как добавить наш сайт в исключения AdBlockРеклама
Стереоприемник с ПДУ, индикацией и памятью
|
Радиовещание в диапазонах УКВ позволяет обеспечить радиослушателей более высоким качеством звукового сигнала в сравнении с вещанием в диапазонах длинных, средних и коротких волн. Более того, борьба за качество приема привела к появлению промышленных и радиолюбительских приемников исключительно для приема в УКВ диапазонах. Вниманию читателей предлагается одна из таких любительских разработок. И хотя автор называет свою конструкцию сложной, мы не склонны драматизировать оценку. Просто скажем, что повышение качества работы (неплохое стерео в двух форматах стандарта) требует и определенных затрат. Описываемая конструкция приемника предназначена для прослушивания радиовещательных стерео- и монофонических УКВ-ЧМ радиостанций в диапазоне 65,8...74 МГц и 88.-.108 МГц, а также звукового сопровождения телевизионных передач на всех каналах MB и ДМВ. Предусмотрена возможность приема стереофонических программ как с полярной модуляцией, так и с пилот-тоном. В память приемника можно предварительно запрограммировать настройку на 55 радиостанций и, при необходимости, быстро выбрать любую из них, пользуясь пультом дистанционного управления или непосредственно кнопками на передней панели приемника. Громкость и стереобаланс также регулируются как дистанционно, так и с панели управления. Номер принимаемого канала и вся необходимая информация во время настройки высвечивается на двухразрядном семисегментном индикаторе. Предлагаемая конструкция является попыткой создать удобное в эксплуатации устройство, пригодное для качественного стереоприема в условиях местности с большим количеством телевизионных и УКВ-ЧМ радиостанций. Несмотря на сравнительно сложную схему, приемник прост в налаживании и эксплуатации. Он собран из доступных деталей и состоит из нескольких функционально законченных блоков, собранных на отдельных платах. Это позволяет при повторении конструкции легко вносить в нее какие-либо изменения и дополнения. Приемник выполнен по схеме с двойным преобразованием частоты. Сигнал, принятый антенной, преобразуется в первую ПЧ стандартным телевизионным селектором каналов типа СК-В-418-8. Можно использовать и СК-В-41 или какой-либо импортный, рассчитанный на работу в диапазонах MB, ДМВ и КАТВ (кабельное телевидение) 110,..174 МГц. Применять устаревшие селекторы типа СКМ-24 не рекомендуется, так как они не перекрывают диапазон 100... 108 МГц и имеют меньшее усиление. Как известно, любой супергетеродинный приемник, помимо основного канала, имеет и внеполосные каналы приема на зеркальной и промежуточной частотах, а также за счет преобразования на гармониках и субгармониках частоты колебаний гетеродина, т.е. прием на частотах fnp=mfг ± nfc, где m, n = 1, 2, 3... ; fnp - промежуточная частота; fг - частота гетеродина; fc - частота сигнала. Приемник имеет два гетеродина, поэтому внеполосных каналов в нем еще больше, так как сигналы гетеродинов могут взаимодействовать между собой на нелинейных элементах устройства. Конечно, подавляющее большинство этих побочных каналов отфильтровывается входными контурами селектора каналов и полосовыми фильтрами первой и второй ПЧ. Однако частоту гетеродина и ПЧ все же рекомендуется выбирать так, чтобы комбинационные частоты не оказались в области частот полезного сигнала. Иными словами, чтобы вблизи принимаемых в данной местности радиостанций не было пораженных точек. Достигается это выбором значения первой ПЧ, которая должна лежать в пределах частот 32,5...38 МГц. В авторском варианте первая ПЧ равна 32,8 МГц (ПЧ1). С выхода селектора каналов сигнал ПЧ1 подается на вход блока ПЧ-ЧМ (А2). Его схема показана на рис.1. После усиления каскадом на VT1 и двухконтурного полосового фильтра L1 - L3, С4 - С8 сигнал подается на второй преобразователь частоты, выполненный на микросхеме DA1. Гетеродин с колебательным контуром на L4, С10 - С 13 работает на частоте 22,1 МГц. Вторая ПЧ стандартная - 10,7 МГц (ПЧ2). Она выделяется на контуре L5C15, проходит через фильтр основной селекции ZQ1 и поступает на вход многофункциональной микросхемы DA2. Фильтр должен иметь полосу пропускания 250...300 КГц. Можно использовать фильтр сосредоточенной селекции типа ФП1П-0496 или какой-либо импортный.
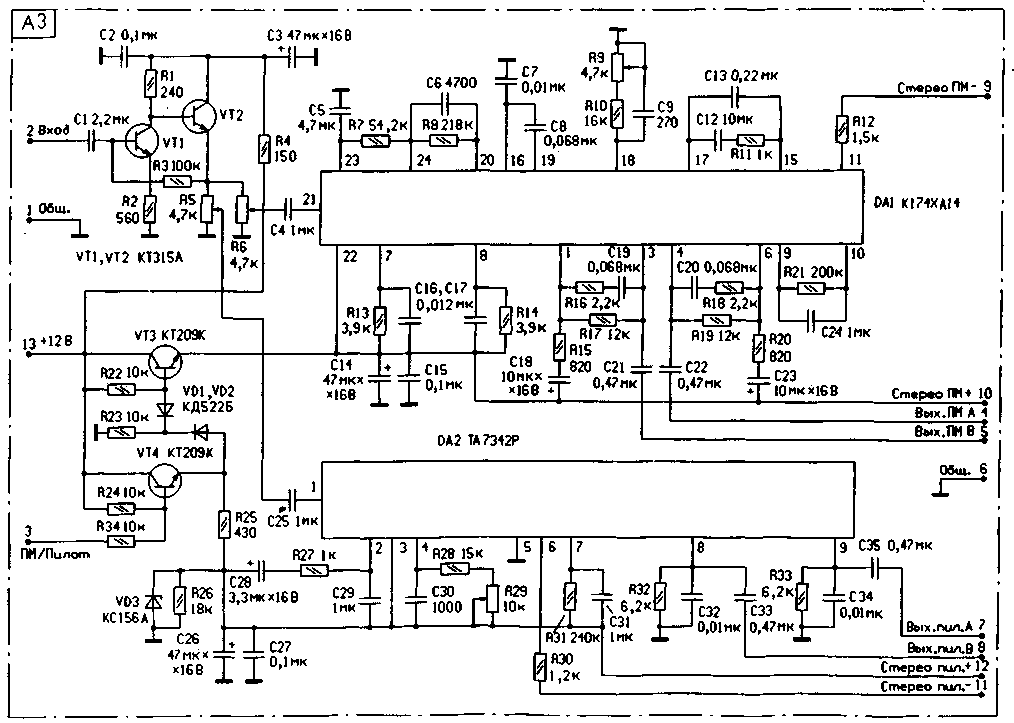
Микросхема ОД2 включена по типовой схеме и осуществляет основное усиление, ограничение и демодуляцию. Кроме того, она вырабатывает напряжение АПЧГ и сигнал настройки ("Настр."), подаваемый в блок управления. По получении этого сигнала блок управления снижает скорость перестройки приемника для облегчения точной предварительной настройки на станцию. С блока управления на вывод 2 микросхемы DA2 приходит сигнал "Блк. АПЧГ", отключающий АПЧГ на время перестройки приемника. Демодулированный НЧ сигнал с вывода 7 микросхемы DA2 через резистор R22 поступает на вход блока стереодекодеров (A3). Схема этого блока приведена на рис. 2. На транзисторах VT1, VT2 собран предварительный усилитель. Подстроенные резисторы R5 и R6 предназначены для выбора оптимального уровня входного сигнала для микросхем стереодекодеров DA2 и DA1 соответственно.
Стереодекодер для сигнала с полярной модуляцией по системе 01 RT (диапазон частот 65,8...74 МГц) выполнен на микросхеме DA1 типа К174ХА14. Применять более современную разработку К174ХА35 не рекомендуется, так как в условиях реальных сигналов она работает очень неустойчиво, с весьма заметными на слух щелчками и постоянно переключается из режима "Стерео" в режим "Моно". Стереодекодер на микросхеме К174ХА14 работает гораздо устойчивее. Он собран по схеме, подробно описанной в [1]. Стереодекодер для сигнала с пилот-тоном по системе CCIR (диапазон частот 88... 108 МГц) собран на микросхеме DA2 типа ТА7342Р также по типовой схеме. Переключение стереодекодеров осуществляется сигналом "ПМ/Пилот", подаваемым от блока управления. При высоком уровне этого сигнала транзистор VT3 открыт, а транзистор VT4 закрыт и напряжение питания подается на микросхему DA1. При низком уровне сигнала питание подается на микросхему DA2 и отключается от микросхемы DA1. Обе используемые микросхемы имеют автоматический встроенный переключатель "Моно-Стерео", поэтому принудительное включение режима "Моно" не предусмотрено. Для перехода в этот режим достаточно просто включить "не тот" Стереодекодер. Например, для приема в монофоническом режиме станции, работающей по системе с полярной модуляцией, нужно включить Стереодекодер для системы с пилот-тоном. Разумеется, несколько усложнив схему блока A3, можно реализовать и принудительное включение "Моно". Однако, как показала практика эксплуатации, необходимости в этом нет. Выходные сигналы стереодекодеров подаются на вход блока фильтров и электронного регулятора громкости А4. Его схема показана на рис. 3.
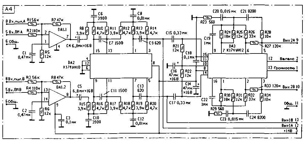
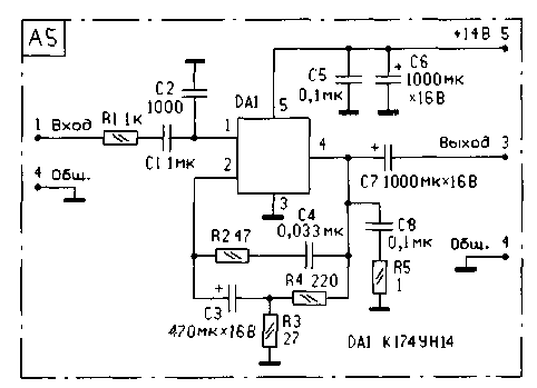
На микросхеме DA1 К548УН1 собран предварительный усилитель. Его назначение - нормировать уровни сигналов с выходов стереодекодеров. В качестве DA1 допустимо использовать любой малошумящий ОУ в стандартном включении. На микросхеме DA2 собран активный фильтр подавления остатков поднесущих частот комплексного стереосигнала. При отсутствии микросхемы К174УН10 фильтр можно собрать по любой другой схеме, например, так, как рекомендуется в [2]. Электронный регулятор громкости и стереобаланса собран на микросхеме DA3 блока А4 по типовой схеме. Регулирующее напряжение подается на выводы 13 и 12 этой микросхемы от блока управления. Сигнал с выходов "Вых. 1А" и "Вых. 1В" подается на внешний разъем для записи на магнитофон. Его уровень не зависит от регулировки громкости. С выходов "Вых. 2А" и "Вых. 2В" сигнал подается на усилитель мощности и на разъем, предназначенный для подключения внешнего высококачественного оконечного УНЧ. Усилитель мощности приемника (А5) выполнен на микросхеме К174УН14. Каких-либо особенностей он не имеет. Схема одного канала усилителя показана на рис. 4. Блок питания (А6) собран по трансформаторной схеме, его схема приведена на рис. 5.
Блок управления приемника (А7) выполнен на основе"телевизионного" контроллера КР1853ВГ1-03. Его схема показана на рис. 6. В основном она повторяет схему системы настройки СН-44 для отечественных телевизоров 4-го поколения. Отличия заключаются в исключении дежурного режима и в схеме дешифратора диапазона.
Дешифратор выполнен на микросхеме DD3 и транзисторах VT7 - VT9. Необходимость в таком усложнении схемы объясняется тем, что в контроллере скорость изменения напряжения настройки различна в разных диапазонах. Радиосигнал занимает значительно меньшую полосу частот, чем телевизионный, поэтому и скорость перестройки по диапазону должна быть меньше. В предлагаемой схеме диапазон 1-2 контроллера не используется, диапазон 3 соответствует полосе частот 50... 100 МГц, диапазон 4-5 - 100...230 МГц, а диапазон Н - ДМВ. На индикаторе диапазоны отображаются так, как показано на рис. 7: а) - напряжение в нижнем конце диапазона 50... 100 МГц; б) - в центре диапазона 100...230 МГц; в) - в верхнем конце диапазона ДМВ. Верхние тире индикатора используются в режиме для трехуровневого отображения напряжения настройки. Блок индикаторов HL1 имеет схему соединения элементов с общим анодом, тип индикатора любой, например КИПЦ09И-2/7К.
Для дистанционного управления используется стандартный пульт ПДУ-44 (RC-401) от телевизоров 4-го поколения. Этот пульт выполнен на основе микросхемы IRT1260 фирмы ITT, имеющей отечественный аналог КР1056ХЛ1. Назначение кнопок местной клавиатуры приведено в таблице. Соответствующие кнопки ПДУ выполняют аналогичную функцию. Температурный коэффициент стабилитронов VD6 и VD7 (см. рис. 6) определяет стабильность настройки приемника. В авторском варианте наилучшая термокомпенсация частоты гетеродина получилась при использовании четырех последовательно включенных стабилитронов - двух Д814Б и двух КС191Ф. Микросхема КР1853ВГ1-03- это аналог SAA1293A-03 фирмы ITT, КР1628РР2 - MDA2062, входной усилитель ИК ДУ ТВА2800 имеет отечественные аналоги КР1054УИ1, КР1054ХАЗ, КР1056УП1, КР1084УИ1. Номера выводов на рис. 6 приведены для микросхем КР1628РР2 и ТВА2800 в корпусе с 14-ю выводами. Для 16-выводного корпуса номера выводов с 8-го по 14-й следует увеличить на 2. Кнопки SB1 - SB12 - на замыкание без фиксации. Схема межблочных соединений приемника показана на рис. 8.
Дроссели L1 - L7 - это ферритовые трубчатые магнитопроводы, надетые на соответствующие проводники. Можно использовать магнитопроводы из феррита Ф600 от дросселей ДМ-0,1. В качестве дросселей L8 и L9 использованы ДМ-0,1 с индуктивностью 500 мкГн. Светодиоды HL1 - HL3 размещены на передней панели приемника, HL1 индицирует настройку на станцию, a HL2 и HL3 - наличие стереосигнала по системе с полярной модуляцией и пилот-тоном соответственно. Элементы С1 - С4, R1 - R4, L1 - L9 расположены навесным монтажом на выводах блоков А1, А5 и А7. Разъемы Х2 и Х3 типа ОНЦ-КГ-4-5/16-Р предназначены для подключения входов магнитофона и внешнего УМЗЧ соответственно. Они расположены на задней стенке приемника. Там же размещаются иХ1 для подключения питания 220 В и Х4, Х5 для подключения акустических систем каналов А и В. Данная конструкция рассчитана на повторение достаточно квалифицированными радиолюбителями, поэтому чертежи печатных плат не приводятся. При размещении деталей на платах необходимо придерживаться общих правил монтажа высокочастотных конструкций. Внутри корпуса платы следует размещать таким образом, чтобы селектор каналов и блок ПЧ-ЧМ находились на максимальном удалении от блока управления. Регулирующие транзисторы и микросхемы стабилизаторов и усилителей мощности нужно закрепить на радиаторе по возможности дальше от высокочастотных блоков и блока стереодекодеров. Все контурные катушки в блоке ПЧ-ЧМ намотаны проводом ПЭВ 0,28 мм на каркасах диаметром 7 мм с подстроечниками из феррита Ф100. Такие каркасы использовались в контурах KB диапазонов приемника "ОКЕАН". Катушки связи намотаны проводом ПЭВ 0,1 мм поверх соответствующих контурных катушек. Все колебательные контуры заключены в латунные или алюминиевые экраны. Число витков катушек: L1 - 3+3, L2 - 6, L3 - 3, L4 - 10, L5 - 6+6, L6 - 5, L7 - 6. Элементы блока стереодекодеров С6, R7, R8 согласно справочным данным на микросхему К174ХА14 должны быть подобраны с точностью ±1%, но без особого ущерба для качества вполне можно использовать ближайший стандартный номинал. Конденсатор С12 - неполярный. Если нет конденсатора нужной емкости, его можно составить из трех К10-47 (вариант а). Конденсаторы С9 и С30 определяют частоту ГУНа микросхем, поэтому они должны быть с возможно меньшим ТКЕ. Из старых типов можно рекомендовать КСО-Г. К остальным элементам блока особых требований не предъявляется.
Налаживание блока А2 ПЧ-ЧМ особенностей не имеет и выполняется по стандартной методике. Конденсатор С9 должен быть припаян непосредственно к выводам 12 и 1 микросхемы К174ХА6 со стороны печатных проводников. Налаживание блока стереодекодеров A3 заключается в подстройке частоты ГУНа резисторами R9 и R29 до надежного захвата частоты поднесущей системой ФАПЧ микросхем. Этот момент определяется по зажиганию светодиода HL2 или HL3. Резисторами R5 и R6 добиваются одинакового уровня сигналов на выходе стереодекодеров. В блоке управления необходимо выставить опции в энергонезависимой памяти DD2. Делается это в сервисном режиме только с ПДУ. Для входа в этот режим необходимо нажать и в течение 0,5 с удерживать кнопку "СЕРВИС" ПДУ. После появления на индикаторе символов "СН° следует отпустить и повторно нажать эту кнопку. После появления символов "ОР" нужно выбрать номер опции на левом индикаторе клавишей "Громкость+" или "Громкость-", а затем установить или сбросить соответствующие биты опций на правом индикаторе с помощью цифровых клавиш ПДУ. Все необходимые установки показаны на рис. 9.
После программирования каждого байта опций следует нажимать клавишу "ПАМЯТЬ" ПДУ для записи информации в энергонезависимую память. Предварительная настройка на радиостанции осуществляется аналогично настройке телевизора 4-го поколения с системой настройки СН-44. Вначале необходимо выбрать диапазон кнопкой "ДИАПАЗОН", затем кнопкой "НАСТРОЙКА+" или "НАСТРОЙКА-" ПДУ или местной панели настроиться на желаемую станцию, а кнопкой "ПМ/Пилот" выбрать соответствующую систему. При этом индикатор начинает мигать. Включение стереодекодера для системы с полярной модуляцией индицируется светящейся точкой на правом знакоместе индикатора. Затем кнопкой "ПРОГРАММЫ-" или "ПРОГРАММЫ+" выбирают номер канала для станции в пределах от 1 до 55. Можно воспользоваться и цифровыми клавишами ПДУ. Для запоминания информации необходимо нажать клавишу "ПАМЯТЬ", при этом индикатор прекращает мигание. В дальнейшем настройка на запрограммированные станции осуществляется перебором каналов в сторону увеличения или уменьшения кнопкой "ПРОГРАММЫ+" или "ПРОГРАММЫ-" соответственно. С ПДУ возможен непосредственный ввод номера канала цифровыми кнопками. Положение регуляторов громкости и стереобаланса также заносится в энергонезависимую память при нажатии кнопки "ПАМЯТЬ". Более подробно работа контроллера КР1853ВГ1-03 и процедура настройки описаны в [3] и [4]. Суммарное потребление от источников +5 В, +12 В, +14 В-не более 0,6 А, а от источника +45 В - 0,05 А. ЛИТЕРАТУРА
И. ХЛЮПИН |








