|

FM РАДИО НА МИКРОСХЕМЕ KA22429
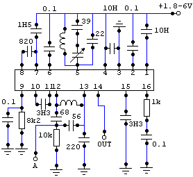
Это на самом деле очень маленький приЈмничек (не смотрите на схему), в нЈм нет электролитических конденсаторов и других крупных деталей! Я видел такой приЈмник заводского изготовления, он был смонтирован в корпусе от дискеты (только толше в 1,5-2 раза), в нЈм был встроен усилок работающий на наушники и осталась куча свободного места! Это типовая схема включения и поэтому точных данных о катушках у меня нет, известно только что их индуктивность = 0,056 мкГ.
Источник: shems.h1.ru
|