Что-то не так?
Пожалуйста, отключите Adblock.
Портал QRZ.RU существует только за счет рекламы, поэтому мы были бы Вам благодарны если Вы внесете сайт в список исключений. Мы стараемся размещать только релевантную рекламу, которая будет интересна не только рекламодателям, но и нашим читателям. Отключив Adblock, вы поможете не только нам, но и себе. Спасибо.
Как добавить наш сайт в исключения AdBlockРеклама
РЕЖИМ РЕГЕНЕРАЦИИ В СВЕРХРЕГЕНЕРАТИВНОМ ПРИЕМНИКЕ
|
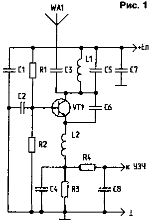
Классический сверхрегенератор с "автосуперизацией" (рис.1), неоднократно публиковавшийся начиная с 60-х годов [1...3], имеет устоявшиеся области применения в автоматике и телемеханике, охранной сигнализации, в радиопереговорных устройствах малого радиуса действия. Иногда он применяется как приемное устройство речевых и музыкальных программ с невысоким качеством воспроизведения звука. Такое приемное устройство отличается довольно высокой чувствительностью, простотой схемы, малыми массогабаритами и легкостью повторения. Поэтому радиолюбители и применяют его в своих конструкциях. ![]() Puc.1 Тем не менее, иногда встречаются сложности в настройке такого приемного устройства, и требуется определенный практический опыт, чтобы справиться с настройкой сверхрегенеративного детектора. По мнению автора, это обусловлено разбросом характеристик и параметров транзисторов, различиями в конкретных схемах и номиналах элементов, а также различиями в конструктивном исполненении, от чего зависят емкости монтажа и паразитные связи. К сожалению, в приложении к сверхрегенератору эти сложности не отражены в достаточной мере в радиолюбительской литературе. Однажды при настройке такого "строптивого" сверхрегенератора автором был получен высококачественный прием радиовещательных станций с частотной модуляцией. Этот эффект встречался и ранее, но не вызывал интереса, и поэтому не был определен механизм приема. Но в этот раз были тщательно проанализированы такие признаки как отсутствие сверхрегенеративных шумов, зависимость уровня принимаемого сигнала от значения положительной обратной связи и от уровня смещения на базе транзистора и, соответственно, от тока коллектора, который в рабочем режиме был равен 0,2...0,3 мА. Это в 3...4 раза меньше, чем в нормальном рабочем режиме у сверхрегенеративного детектора. По этим признакам удалось определить режим регенерации. Механизм приема частотной модуляции (ЧМ) в таком приемнике заключается в преобразовании частотной модуляции (ЧМ) в амплитудную модуляцию (AM) на одном из скатов резонансной характеристики контура, и детектировании AM эмиттерным переходом транзистора. Наличие преобразования ЧМ в AM подтверждается присутствием "провала" в уровне сигнала при центральной настройке контура и большей громкостью сигнала при настройке на верхнем скате резонансной характеристики контура (верхний скат всегда круче, чем нижний, а значит, и выше коэффициент преобразования).
К удивлению автора, чувствительность и селективность такого сверхрегенератора оказались достаточными для довольно качественного приема в диапазоне 100...108 МГц. Основные недостатки такого приемника: Кроме того, все регенеративные приемники имеют зависимость порога генерации и предпорогового усиления от настройки на частоту, а также зависимость всех этих параметров от напряжения питания. На указанных рабочих частотах сильна зависимость настройки контура и порога генерации от вносимых окружающими предметами емкостей. Поэтому требуется экранировка регенеративного детектора. При всем при этом, простота схемы и настройки такого приемника позволяют, на мой взгляд, найти ему применение в радиолюбительской практике, например для радиовещательного приема в виде эфирной радиоточки или с перестройкой на несколько станций, а также для приема звукового сопровождения телевидения в метровом диапазоне волн. Принципиальная схема регенеративного детектора приведена на рис.2. Она представляет собой автогенератор по схеме емкостной трехточки, используемый в недовозбужденном режиме. R1 и RP1 образуют регулируемый делитель напряжения смещения на базе транзистора. От величины смещения зависит ток коллектора и, соответственно, коэффициент усиления транзистора. Этот эффект позволяет регулировать уровень регенерации практически без изменения положительной обратной связи. ![]() Puc.2 Напряжение питания для этого делителя и всего детектора стабилизируется стабилитроном VD1. При питании от гальванических батарей или от высококачественного стабилизатора его можно исключить. При этом уменьшается расход энергии, но возрастает зависимость режима работы от напряжения питания. База транзистора заблокирована на общий провод электролитическим конденсатором С2. Это обеспечивает малый уровень низкочастотных шумов на выходе детектора. Параллельно ему включен конденсатор С4, блокирующий базу по высокой частоте. На резисторе R3 присутствуют как ВЧ-, так и НЧ-сигналы, и тем самым определяется наличие отрицательной обратной связи и по НЧ, и по ВЧ. Наличие отрицательной обратной связи по ВЧ стабилизирует регенерацию настолько сильно, что общеизвестный гистерезис порога генерации в регенераторах становится практически необнаружимым. Поэтому порог генерации при регулировке RP1 сохраняет свое положение и при прямом, и при обратном ходе ручки регулировки. Подстроечный конденсатор С6 обеспечивает положительную обратную связь, величина которой устанавливается при первичной настройке. R4, С7 образуют фильтр низких частот, выделяющий звуковой сигнал. В данном случае частота среза фильтра - 100 кГц, что позволяет подключать стереодекодер для стереофонического приема, как например в [4]. Входной контур С5, L1 связан с антенной WA1 индуктивной связью при помощи катушки L2. Индуктивная связь позволяет устранить наводки от сети переменного тока на антенну, а также устранить эффект изменения настройки контура и режима регенератора за счет вносимых в контур емкостей от окружающих антенну предметов. Пределы изменения емкости С5 некритичны, и вместо него может быть использован любой подстро-ечный конденсатор. Антенна представляет собой кусок монтажного провода длиной 0.5...1 м. Усилитель звуковой частоты может быть собран по любой схеме, лишь бы обеспечивал достаточную громкость приема. Данная схема регенеративного детектора испытывалась на макете, собранном навесным монтажом на пластине стеклотекстолита с применением опорных точек, по методу Жутяева [5]. Монтаж некритичен. Однако начинающим радиолюбителям при повторении схемы следует обратить внимание на цепи,связанные с эмиттером и коллектором транзистора. Монтаж этих цепей должен быть очень компактным, и выводы элементов должны быть как можно короче. Эти же требования предъявляются и к цепи верхней (по схеме) части колебательного контура. Конденсатор С1 должен быть подключен между контуром и общим проводом связями минимальной длины. Если регенеративный детектор будет использоваться для приема, а не для экспериментов, его следует поместить в экран. Конденсаторы С1, С4, С7 - обязательно керамические. Их емкости некритичны. С2, СЗ - электролитические, любого типа. Транзистор VT1 также можно заменить на другой, но с предельной частотой усиления, как минимум в два раза большей чем рабочая частота. Можно использовать транзисторы р-п-р типа, изменив полярность источника питания и электролитических конденсаторов, а также, кроме кремниевых, могут быть использованы германиевые транзисторы. Для диапазона частот 100...108 МГц катушка L1 представляет собой полувиток диаметром 30 мм с линейной частью 20 мм. Провод - диаметром 1 мм. L2 при этом имеет 2...3 витка диаметром 15 мм из провода диаметром 0,7 мм, расположенных внутри полувитка. Для диапазона 66...73 МГц L1 имеет 5 витков диаметром 5 мм из провода диаметром 0,7 мм с шагом 1 ...2 мм. L2 при этом имеет 2...3 витка того же диаметра из того же провода. Катушки - бескаркасные и расположены параллельно друг другу. Настройка регенеративного детектора заключается в установке пределов регулировки смещения на базе транзистора подбором R1. Ток коллектора не должен превышать 0,5 мА. Кроме того, конденсатором С6 устанавливается положительная обратная связь такой величины, чтобы при средних положениях ручки настройки и регулировки регенерации достигался порог генерации. Это обнаруживается как глухой щелчок с последующим шумом и, возможно, фоном переменного тока. И последнее - это настройка контура на требуемый диапазон частот. Такой приемник может работать в зонах с достаточно большим уровнем сигнала. Это, в основном, большие города и местности вокруг них. Для повышения чувствительности может быть использован одно- или двухкаскадный усилитель высокой частоты. При этом будут устранены возможные излучения в антенну. Проведенные исследования схемы позволяют предположить возможность использования подобного приемника для приема звукового сопровождения телевидения в дециметровом диапазоне. Литература Е.СОЛОДОВНИКОВ |

