Что-то не так?
Пожалуйста, отключите Adblock.
Портал QRZ.RU существует только за счет рекламы, поэтому мы были бы Вам благодарны если Вы внесете сайт в список исключений. Мы стараемся размещать только релевантную рекламу, которая будет интересна не только рекламодателям, но и нашим читателям. Отключив Adblock, вы поможете не только нам, но и себе. Спасибо.
Как добавить наш сайт в исключения AdBlockРеклама
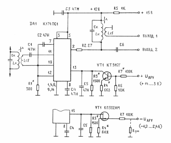
Резонансный УПЧ на 174ПС1
|
Листая учебник "Радиоприемные устройства" я обнаружил интересную схему включения дифференциального усилителя с токозадающим транзистором /1/, предложенную Г.В.Уточкиным, Имея хорошие впечатления от предыдущих эксперименнтов с микросхемой К174ПС1, я решил испытать на ней эту схему. В результате получился довольно малошумящий УПЧ с большим коэффициентом усиления. Контур, на входе может быть заменен на согласующий ШПТ. Выходы 1 и 2 нагружаются, соответственно, на низкоомную или высокоомную нагрузки. При измерениях коэффициента усиления сигнал подавался на вход через ШПТ 1:1, а снимался с выхода 2, нагруженного на резистор 10 КОм. Коэффициент усиления на частоте 8 МГц составляет около 65 дБ, что эквивалентно двум - трем "каскодникам"! Глубина регулировки, к сожалению, не была измерена, но по грубой оценке в УПЧ трансивера составляет не менее 40 дБ. Данный УПЧ применен в простом трансивере с кварцевым фильтром на 5,5МГц. Его структура: ДДФ - диодный смеситель - предусилитель на КП902/10дБ/ -четырехкристальный кварцевый фильтр - УПЧ на К174ПС1 - детектор на полевом транзисторе 2ПЗОЗЕ - УНЧ на К140УД1А и транзисторах. При этом чувствительность получилась менее 1 мкВ.
Налаживание схемы УПЧ. Резистором R1 в пределах от 100 Ом до полного исключения из схемы выбирается необходимый коэффициент усиления. Резистором RЗ подбирается минимальное усиление при полном действии АРУ. Резистором R4 подбирается максимальное усиление без действия АРУ. Резистор R7 подбирается при других значениях управляющего напряжения. При самовозбуждении на высокой частоте ПЧ полезно включить в цепь конденсатора C4 резистор сопротивлением 200 - 300 Ом. Литература: С.И. Попов
|