Что-то не так?
Пожалуйста, отключите Adblock.
Портал QRZ.RU существует только за счет рекламы, поэтому мы были бы Вам благодарны если Вы внесете сайт в список исключений. Мы стараемся размещать только релевантную рекламу, которая будет интересна не только рекламодателям, но и нашим читателям. Отключив Adblock, вы поможете не только нам, но и себе. Спасибо.
Как добавить наш сайт в исключения AdBlockРеклама
Увеличение чувствительности приемника "MANBO"
|
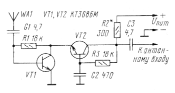
Дополнительный УРЧ монтируют в приемнике навесным монтажом со стороны печатных проводников. Так как расстояние между крышкой и платой мало, транзисторы были аккуратно опилены до толщины 3 мм. Налаживания УРЧ практически не требует, чувствительность сопоставима с полноразмерным приемником с штыревой антенной. Потребляемый ток увеличивается незначительно. В случае возбуждения приемника на большой громкости необходимо между входом переменного резистора регулятора громкости и общим проводом подключить конденсатор емкостью 6800 пф. Поскольку дополнительный усилитель связан с приемником только по цепям питания и антенному входу, предложенную доработку можно осуществить в любом аналогичном радиоприемнике. Весьма тонкую и малоприятную работу по опиливанию транзисторов, предлагаемую автором, можно исключить. если применить транзисторы с очень тонкими корпусами. Среди сверхвысокочастотных приборов они имеются. Это, например, транзисторы серий КТ371АМ. КТ372, КТ382, КТ391А-2идр. Г. ВОРОНИН |
УКВ радиоприемник "MANBO" имеет много достоинств. Однако из-за отсутствия во входных цепях резонансных контуров и малой эффективности антенны (используется провод головных телефонов) у приемника недостаточная чувствительность. что ограничивает его применение при большом удалении от радиостанций. Устранить указанный недостаток несложно. снабдив приемник дополнительным усилителем радиочастоты (УРЧ). собранным по приведенной на рисунке схеме. Предварительно его лучше выполнить на макетной плате. В этом случае легче будет, в частности, подобрать резистор R2 по максимуму усиления. Потребляемый ток должен быть в пределах 1,5...2 мА.