LAB599.RU — интернет-магазин средств связи
EN FR DE CN JP
QRZ.RU > Каталог схем и документации > Схемы наших читателей > Дайджест радиосхем > АМ-ЧМ радиоприемник с низковольтным питанием

АМ-ЧМ радиоприемник с низковольтным питанием




АМ-ЧМ радиоприемник с низковольтным питанием

  В публикуемой статье вниманию читателей предлагается описание АМ-ЧМ радиоприемника. Его ВЧ тракт выполнен на микросхеме TA8184р фирмы Toshiba. Эта микросхема применяется во многих приемниках и магнитолах среднего класса, выпускаемых, в частности, под маркой фирмы Sharp. В отличие от микросхемы TA2003р, на которой был построен предыдущий приемник, описанный автором ранее, TA8184р допускает непосредственное подключение контуров ПЧ к выводам смесителей АМ и ЧМ трактов, что позволило увеличить чувствительность и избирательность нового приемника.

 АМ-ЧМ радиоприемник с низковольтным питанием

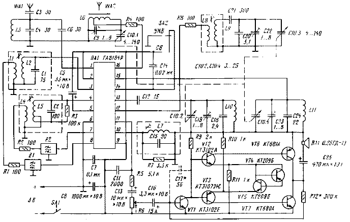
  Электрическая схема радиоприемника приведена на рисунке. Микросхема TA8184р (DA1) включена здесь по стандартной схеме, исключена только цепь АПЧГ УКВ тракта. Напряжение питания, потребляемый ток и назначение выводов микросхемы такие же, как и у TA2003р [1]. Приемник рассчитан на прием радиостанций в диапазоне средних (526,5...1606,5 кГц) и ультракоротких (88...108 МГц) волн. В первом случае прием ведется на внутреннюю магнитную антенну WA2, а во втором - на внешнюю WA1. Максимальная выходная мощность - 70...80 мВт, ток покоя в режиме АМ - не более 15, ЧМ - 20 мА. Питается приемник от двух элементов 316 (R6). Работоспособность его сохраняется при снижении питающего напряжения до 1,6...1,7 В. Чувствительность и избирательность приемника примерно такая же, как и у доработанного приемника на ТА2003р [2]. Так как эта микросхема подробно описана в [1, 2], рассмотрим лишь отличия стандартного включения ТА8184р от ТА2003р.

  С выводом 3 микросхемы ТА8184р (см. рисунок) соединен выход смесителя УКВ тракта. К нему подключен контур ПЧ L2C1, настроенный на частоту 10,7 МГц и соединенный с плюсовым (общим) проводом питания. Через катушку связи L1 и резистор R1 сигнал ПЧ ЧМ тракта поступает на пьезоэлектрический фильтр Z1, также настроенный на частоту 10,7 МГц. С его выхода сигнал ПЧ подается на вывод 8 микросхемы DA1, соединенный с входом усилителя ПЧ. Контур ЧМ дискриминатора L7C15, настроенный на частоту 10,7 МГц, включен между выводом 10 DA1 и плюсовым проводом питания. Вывод 4 DA1 подключен к части витков катушки L5 контура ПЧ АМ тракта L5C2. С катушки связи L4 через резистор R2 сигнал ПЧ поступает на пьезоэлектрический фильтр Z2. Его рабочая частота может быть в пределах 455...465 кГц, в зависимости от выбранного типа фильтра. С выхода Z2 сигнал АМ тракта ПЧ попадает на вход его усилителя ПЧ - вывод 7 микросхемы DA1.

  Радиоприемник был собран на печатной плате размерами 82x77 мм в корпусе от радиоконструктора "Звездочка". Функции его внешней антенны выполнял отрезок изолированного многожильного провода длиной 80 см. Катушка магнитной антенны намотана проводом ПЭЛШО 0,12 на подвижном каркасе, надетом на стержень из феррита НН400 длиной 30 и диаметром 8 мм и содержит 110 витков с отводом от 10-го витка. Катушка имеет пять секций намотанного внавал провода, длина обмотки - 20 мм. Экранированные контурные катушки ПЧ тракта АМ (L5) и ЧМ (L2), гетеродина АМ (L9), ЧМ дискриминатора (L7) - импортные, размерами 10x10x13 мм. Катушки имеют следующую маркировку: L2 - оранжевую, L5 - желтую, L7 - зеленую (или синюю), L9 - красную [3]. Конденсаторы С1, С2 и С15 - встроенные. При указанной на схеме емкости КПЕ С10 катушка L9 содержит 95-100, а L8 - 9-10 витков провода ПЭВ-0,1. Контурная катушка намотана поверх катушки связи. Об остальных радиодеталях подробно рассказано в [1, 2].

  Сборку и налаживание радиоприемника начинают с усилителя ЗЧ. После его проверки [1, 2] приступают к распайке деталей ВЧ тракта. Настроившись на какую-либо станцию в диапазоне СВ, с помощью подстроечника контура L5C2 добиваются максимальной громкости приема. Затем производят укладку СВ диапазона. Настройку ЧМ тракта начинают при отключенной антенне. Вращая подстроечник, настраивают контур L2C1 ПЧ, ориентируясь на максимальный уровень шума на выходе приемника. Затем подключают внешнюю антенну и настраивают ЧМ тракт, как описано в [1 и 2].

  Литература
1. Паньшин А. АМ-ЧМ радиоприемник с низковольтным питанием. - Радио, 1997, №9, с. 23-25.
2. Паньшин А. АМ-ЧМ радиоприемник с низковольтным питанием. Возвращаясь к напечатанному. - Радио, 1998, №9, с. 22
3. Паньшин А. Цветовая маркировка контурных катушек импортных радиоприемников. - Радио, 1998, №10

Радио №7, 1999
А. Паньшин
г. Москва

Источник: shems.h1.ru

Партнеры