Что-то не так?
Пожалуйста, отключите Adblock.
Портал QRZ.RU существует только за счет рекламы, поэтому мы были бы Вам благодарны если Вы внесете сайт в список исключений. Мы стараемся размещать только релевантную рекламу, которая будет интересна не только рекламодателям, но и нашим читателям. Отключив Adblock, вы поможете не только нам, но и себе. Спасибо.
Как добавить наш сайт в исключения AdBlockРеклама
Свехрегенеративный приемник на Си-Би диапазон
|
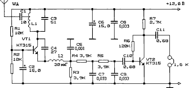
Детекторный приемник обладает низкой чувствительностью, поэтому в некоторых случаях может оказаться полезным сверхрегенеративный приемник, схема которого приведена на рисунке. Такой приемник обладает чувствительностью 10...20 мкВ и позволяет принимать Си-Би станции в режиме AM на расстоянии до 1 км. На транзисторе VT1 собран собственно сверхрегенеративный детектор. Он одновременно обеспечивает усиление высокочастотного сигнала и его детектирование. В коллекторной цепи транзистора VT1 включен контур L1C3, настроенный на частоту принимаемого сигнала. Этот контур является единственным селективным элементом приемника, поэтому его избирательные свойства невысоки. Для контрольного приемника это скорее достоинство, чем недостаток — без дополнительных настроек можно принимать несколько каналов. Через конденсатор С1 к контуру подключена антенна. В качестве антенны используется провод длиной около 50 см.
На транзисторе VT2 собран усилитель низкой частоты, нагрузкой которого являются высокоомные головные телефоны. Для громкоговорящего приема приемник следует подключить к усилителю низкой частоты с выходной мощностью 0,1...0,5 Вт. Схемы таких усилителей многократно публиковались в радиолюбительской литературе. Сверхрегенеративный детектор при отсутствии принимаемого сигнала генерирует шум. При появлении достаточно сильного (10...20 мкВ) высокочастотного сигнала на входе приемника шум пропадает. Наличие этого шума свидетельствует о правильной работе сверхрегенератора. При отсутствии шума следует подобрать величину емкости С4. Настройка приемника на рабочую частоту производится подбором емкости СЗ и сжатием или растяжением витков катушки L1 по максимальной громкости принимаемой радиостанции.
|