Что-то не так?
Пожалуйста, отключите Adblock.
Портал QRZ.RU существует только за счет рекламы, поэтому мы были бы Вам благодарны если Вы внесете сайт в список исключений. Мы стараемся размещать только релевантную рекламу, которая будет интересна не только рекламодателям, но и нашим читателям. Отключив Adblock, вы поможете не только нам, но и себе. Спасибо.
Как добавить наш сайт в исключения AdBlockРеклама
Регулятор мощности для нагревателя
|
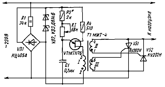
Предположим, у вас есть электроплитка, а мощность ее не регулируется. Вот и горит спираль в полный накал тогда, когда достаточно и четверти номинальной мощности, бессмысленно расходуя драгоценные киловатт-часы. Выход есть - сделать к электроплитке регулятор мощности. Схема первого варианта регулятора представлена на рис. 68. Он позволяет регулировать мощность в нагрузке, рассчитанной на включение в сеть напряжением 220 В, от 5...10 до 97...99% номинальной мощности. Коэффициент полезного действия регулятора не менее 98%.
Регулирующие элементы устройства - тринисторы VS1 и VS2 -включены последовательно с нагрузкой. Изменение мощности, потребляемой нагрузкой, достигается изменением угла открывания тринисторов. Узел, обеспечивающий изменение угла открывания тринисторов, выполнен на однопереходном транзисторе VT1. Конденсатор С1, соединенный с эмиттером транзистора, заряжается через резисторы R2 и R3. Как только напряжение на обкладках конденсатора достигнет определенного значения, однопереходный транзистор откроется, через обмотку I трансформатора Т1 пройдет короткий импульс тока. Импульсы с обмотки II или III трансформатора откроют тринистор VS1 или VS2 - в зависимости от фазы сетевого напряжения, и с этого момента до конца полупериода через нагрузку будет протекать ток. Изменяя сопротивление резистора R3, можно регулировать скорость зарядки конденсатора С1 и, следовательно, угол открывания тринисторов и среднюю мощность в нагрузке. Узел регулирования угла открывания тринисторов питается от двухполупериодного выпрямителя, выполненного по мостовой схеме (VD1). Напряжение на однопереходном транзисторе ограничено стабилитронами VD2, VD3. Конденсатор фильтра здесь отсутствует - в нем нет необходимости. Однопереходный транзистор КТ117 можно применять с буквами А и Б. Можно использовать также аналог однопереходного транзистора, выполненный на двух биполярных транзисторах разной структуры (см. рис. 50). Мостовой выпрямитель VD1 может быть типов КЦ402, КЦ405 с любыми буквами. Можно также применить четыре диода типов Д226, Д310, Д311, Д7 с любыми буквами, включив их по схеме выпрямительного моста. При замене тринисторов VS1, VS2 на другие типы следует помнить, что они должны быть рассчитаны на подачу как прямого, так и обратного напряжения не менее 400 В. Трансформатор Т1 - типа МИТ-4 или МИТ-10. Самодельный трансформатор можно выполнить на ферритовом кольцевом магнитопроводе М2000НМ, типоразмер К20х10хб. Все обмотки выполнены проводом ПЭВ-1 0,31 и содержат по 40 витков. Намотка ведется одновременно в три провода, причем витки равномерно распределяются по телу кольца магнитопровода. Одноименные выводы обмоток на схеме обозначены точками. Тринисторы VS1 и VS2 устанавливают на радиаторы с поверхностью охлаждения не менее 200 см2 каждый. При этом максимальная мощность нагрузки может составлять 2 кВт. Настройка регулятора мощности заключается в подборе сопротивления резистора R2 по максимальной мощности в нагрузке. Резистор R3 при этом временно замыкают проволочной перемычкой. Момент отдачи в нагрузку максимальной мощности лучше всего контролировать по осциллографу. В случае применения самодельного трансформатора Т1 следует подобрать нужную полярность подключения выводов обмоток, которая должна соответствовать обозначенной на схеме. Регулятор мощности можно использовать также совместно с маломощными электропечами, лампами накаливания и другими активными нагрузками. Описанному тринисторному регулятору мощности присущи недостатки. Во-первых, с изменением температуры в корпусе регулятора (а она будет в процессе работы увеличиваться из-за нагрева тиристоров) будет изменяться емкость конденсатора С1. Это приведет к изменению угла открывания тринисторов, а также к изменению мощности в нагрузке. Чтобы в какой-то степени устранить этот недостаток, необходимо применять конденсатор С1 с небольшими значениями ТКЕ (температурного коэффициента емкости), например К73-17, К73-24. Во-вторых, тринисторный стабилизатор наводит высокий уровень помех в питающей сети. Эти помехи возникают в моменты скачкообразного включения тринистора. Коммутационные помехи не только распространяются через сеть, вызывая неустойчивую работу различных приборов (электронных часов, вычислительных машин и пр.), но и мешают нормальной работе некоторых устройств, гальванически не связанных с сетью (так, в радиоприемнике, находящемся недалеко от тринисторных регуляторов, слышен треск помех). Поэтому уменьшение коммутационных помех в тринисторных регуляторах мощности является важной задачей. Наиболее доступным способом снижения помех является такой способ
регулирования, при котором переключение тринистора происходит в моменты
перехода сетевого напряжения через нуль. При этом мощность в нагрузке можно
регулировать числом полных полупериодов, в течение которых через нагрузку
протекает ток. Недостатком такого способа регулирования по сравнению с
традиционными являются большие колебания мгновенных значений мощности в
нагрузке в течение периода регулирования, который значительно больше периода
синусоидального напряжения и может достигать нескольких секунд. Однако для
таких инерционных потребителей энергии, как электрическая печь, утюг,
электроплитка, мощный электромотор, этот недостаток не является определяющим.
|