Что-то не так?
Пожалуйста, отключите Adblock.
Портал QRZ.RU существует только за счет рекламы, поэтому мы были бы Вам благодарны если Вы внесете сайт в список исключений. Мы стараемся размещать только релевантную рекламу, которая будет интересна не только рекламодателям, но и нашим читателям. Отключив Adblock, вы поможете не только нам, но и себе. Спасибо.
Как добавить наш сайт в исключения AdBlockРеклама
Тринисторный регулятор мощности
|
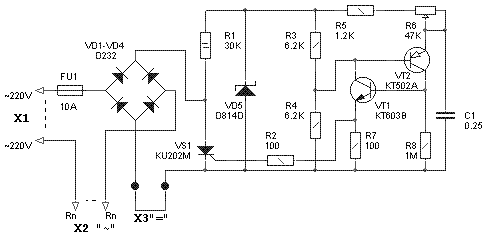
Как и многие подобные устройства, этот регулятор рассчитан на работу от осветительной сети напряжением 220 В и позволяет плавно изменять напряжение на нагрузке от 5 до 210 В. Основное назначение регулятора - управление режимом работы электронагревательных и осветительных приборов, бытовых машин и электроинструментов, содержащих коллекторные электродвигатели переменного или постоянного тока.
Максимально допустимый ток нагрузки (при наличии радиаторов у тринистора и выпрямительных диодов) - до 10 А в любом диапазоне напряжений. Регулятор похож по схеме на рассмотренный ранее в статье Л. Ломакина "Регулятор мощности паяльника" в "Радио", 1994, №4, с. 38. 39. Основное отличие - введение диодного моста на мощных выпрямительных диодах VD1-VD4 и замена транзисторного "стабилитрона" обычным кремниевым (VD5). Если нужно регулировать на нагрузке переменное напряжение, ее включают в розетку Х2, а гнезда розетки ХЗ замыкают перемычкой, При необходимости регулировать постоянное напряжение (оно с пульсациями, нагрузку включают в розетку ХЗ, а перемычку вставляют в Х2). В любом варианте нужное напряжение на нагрузке устанавливают переменным резистором R6. Конденсатор С1 - МВГ или К73 на номинальное напряжение не ниже 160 В, постоянные резисторы - МЛТ указанной на схеме мощности, переменный R6 - СП, СПО или другой, мощностью не менее 0,5 Вт.
|