Что-то не так?
Пожалуйста, отключите Adblock.
Портал QRZ.RU существует только за счет рекламы, поэтому мы были бы Вам благодарны если Вы внесете сайт в список исключений. Мы стараемся размещать только релевантную рекламу, которая будет интересна не только рекламодателям, но и нашим читателям. Отключив Adblock, вы поможете не только нам, но и себе. Спасибо.
Как добавить наш сайт в исключения AdBlockРеклама
Автомат включения освещения
|
Небольшие сельские населенные пункты и садоводческие товарищества обеспечиваются электроэнергией комплектными трансформаторными подстанциями. Функции автомата включения освещения выполняет в них фотореле ФР-2. Работа этого устройства нестабильна: время включения и выключения освещения заметно зависит от напряжения сети и температуры окружающей среды. Автор публикуемой статьи разработал свой вариант автомата, с которым и предлагает познакомиться нашим читателям.
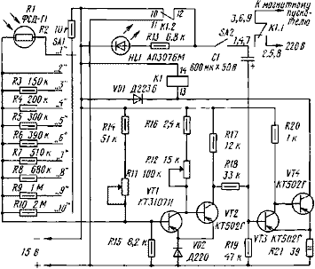
Автомат включения освещения (АВО) состоит из фотодатчика (фоторезистора), электронного блока и блока питания. В электронный блок (см. рисунок) входят преобразователь на транзисторах VT1, VT2, усилитель на транзисторах VT3, VT4, исполнительное реле К1 и устройство его блокировки ("антидребезга"). Электронный блок смонтирован на двух текстолитовых платах размерами 105х140 мм, установленных одна над другой на расстоянии 40 мм. На верхней плате монтируются переключатель SA1 с закрепленными на его выводах резисторами R3 - R10, переменные резисторы R11, R12, реле К1, конденсатор С1 и светодиод HL1, а на нижней - все остальные детали. Фоторезистор размещается на одной из вертикальных стенок комплектной трансформаторной подстанции (КТП). В сумерках на него падает световой поток с неба. Усилить освещенность фоторезистора можно, установив отражатель из нержавеющей стали или зеркального стекла под углом в 45° к вертикальной стенке КТП на таком расстоянии от нее, чтобы зимой снег не задерживался отражателем и не перекрывал доступ света к фоторезистору. Он будет также защищать фоторезистор от попадания прямых лучей Солнца, что может вывести его из строя, а также от света фар автомобилей или фонарей уличного освещения, вызывающего ложное срабатывание автомата. В АВО применены фоторезистор ФСД-Г1, постоянные резисторы МЛТ-2 (R21) и МЛТ-0,5 (остальные), переменные R11 и R12 - СП3-4бМ или СП-0,5. Конденсатор С1 - К50-7 (вариант "А") с параллельным включением двух секций (по 300 мкФ). Переключатель SA1 - 10П1Н, SA2 выполнен в виде перемычки. Транзистор КТ3107И имеет коэффициент усиления по току около 200, а КТ502Г - порядка 150. Автор использовал реле MERA LUMEL (Польша). Подойдет и любое другое на напряжение 12 В, с сопротивлением обмотки 100...140 Ом. Силовые контакты реле должны обеспечивать включение пускателя в КТП и быть рассчитаны на ток не менее 10 А. В качестве блока питания годится источник со стабилизированным напряжением на выходе 14...15 В. Ток, потребляемый АВО при включенном реле (режим "Темно"), - 100 мА, а при выключенном (режим "Светло") - 16 мА. Перед налаживанием АВО проверить напряжения на электродах транзисторов (см. таблицу). Они измерены относительно цепи +15 В вольтметром с высокоомным входом. До начала измерений движки резисторов R11, R12 следует установить в положение, соответствующее минимальному сопротивлению. Затем переключатель SA1 поставить в положение "10" и вращать движок резистора R11 от положения минимального сопротивления до момента включения реле (загорания светодиода HL1). После этого можно измерять напряжения на электродах транзисторов в режиме "Темно", а поставив переключатель SA1 в положение "2", в режиме "Светло".
Для настройки АВО на месте его установки необходимо выключателем SA2 отключить конденсатор С1, установить движки резисторов R11 и R12 в положение минимального сопротивления, поставить переключатель SA1 в положение "1" и со всех сторон закрыть фоторезистор от света. Далее нужно включить питание и медленно поворачивать движок резистора R11 до момента срабатывания реле. При появлении дребезга его необходимо устранить, немного повернув движок резистора R12. Затем поворотом движка резистора R11 в сторону увеличения сопротивления восстановить срабатывание реле в режиме "Темно". С помощью переключателя SA1 можно оценить чувствительность экземпляра фоторезистора, предназначенного для работы в АВО. Для этого, перемещая подвижный контакт переключателя из положения "1" в положения "2", "3", "4" и т. д., определяем, в каком из них включается АВО. Чем большее сопротивление окажется включенным вместо R1, тем выше чувствительность фоторезистора. С течением времени она падает, если АВО начинает срабатывать в положениях "4", "3", то такой фоторезистор следует заменить. Чтобы АВО срабатывало при большей освещенности, следует увеличить сопротивление резистора R11. При этом изменится и положение переключателя, при котором включается АВО. Затем необходимо установить переключатель SA1 в положение "2", выключателем SA2 подключить конденсатор С1 и проверить работу устройства блокировки реле, устраняющего его дребезг. Для этого, перемещая подвижный контакт переключателя SA1 из положения "1" ("Темно") в положение "2" (Светло"), проверяют задержку выключения реле (около 20 с). Из режима "Светло" в режим "Темно" АВО переключается без задержки и удерживается в этом режиме около 40 с, даже если переключатель немедленно вернуть в режим "Светло". В заключение переключатель SA1 ставят в положение "1"и открывают доступ света к фоторезистору. Радио №12, 1999 | |||||||||||||||||||||||||||||||||||||||||||||||||||||||||||||||