Что-то не так?
Пожалуйста, отключите Adblock.
Портал QRZ.RU существует только за счет рекламы, поэтому мы были бы Вам благодарны если Вы внесете сайт в список исключений. Мы стараемся размещать только релевантную рекламу, которая будет интересна не только рекламодателям, но и нашим читателям. Отключив Adblock, вы поможете не только нам, но и себе. Спасибо.
Как добавить наш сайт в исключения AdBlockРеклама
Электронная звуковая приманка для рыбы
|
С каждым годом все дороже традиционные виды приманок для ловли рыб: каши, дерки, комбикорм и т.п. Выход из положения есть это - применение электронных приманок. В одно время они были популярными, но потом интерес к ним постепенно пропал. Предлагаю испытанную схему электронной приманки. Крупная рыба плывет на звуки низкой частоты, которые издаются в водоеме мелкими рачками. Стайка мелкой рыбы при кормежке издает звуки более высокой частоты, на звук которой тоже собирается более крупная рыба. Диапазон звуков водоема от 200 Гц до 13 кГц. Каждый вид рыбы издает звуки своей частоты, также как и привлекают ее звуки своей частоты. Промысловики определяют по частоте, издаваемой стаей рыб, вид рыбы и ее количество.
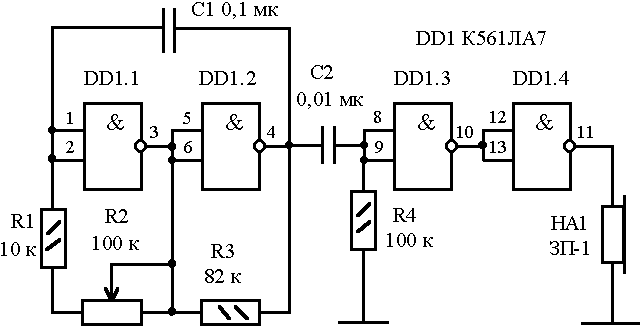
На рисунке 1 дана схема электронной приманки. Схема состоит из мультивибратора длительности пауз на элементах DD1.1, DD1.2 и формирователя короткого импульса на элементах DD1.3, DD1.4. Формирователь длительности пауз является собственно задатчиком частоты. Частоту можно плавно изменять переменным резистором R2. Нагрузкой формирователя коротких импульсов, кроме пьезокерамического излучателя, может быть любой телефонный капсюль, сопротивлением 50 Ом.
На рисунке 2 дана разводка печатной платы электронной приманки. Устройство собирается в любой пластмассовой коробке, где помещается батарея типа 6F22 (Крона) и переменный резистор с клювиком. Для клювика желательно нанести цифровые метки, чтобы при удачном клеве в один день, в следующий раз можно было поставить нужную частоту. Излучатель необходимо хорошо загерметизировать силиконовым герметиком или эпоксидной смолой. Герметизировать надо только края мембраны и соединения проводов. Сама мембрана должна иметь контакт с водой, поэтому ее желательно покрыть тонким слоем водостойкого лака. Провод необходимой длины надо проверить на целостность изоляции. Для этого опустите его в подсоленную воду и измерьте сопротивление между водой и жилой провода. Оно должно быть большим (мегаоммы). Начинать подбор частоты надо с более низкой, т.е. движок резистора R2 должен находиться в крайнем правом положении (по схеме). Устройство потребляет малый ток и батареи хватает на долго, но громкость уменьшается. Выключатель питания можно не ставить, а после окончания рыбалки отключать батарею, а устанавливать в корпус без контакта с разъемом.емом.
|