Что-то не так?
Пожалуйста, отключите Adblock.
Портал QRZ.RU существует только за счет рекламы, поэтому мы были бы Вам благодарны если Вы внесете сайт в список исключений. Мы стараемся размещать только релевантную рекламу, которая будет интересна не только рекламодателям, но и нашим читателям. Отключив Adblock, вы поможете не только нам, но и себе. Спасибо.
Как добавить наш сайт в исключения AdBlockРеклама
Радиолодка - помощник рыболова (лодка)
|
Для простоты управления и максимальной остойчивости, катер сделан в форме катамарана. Корпус вылит из эпоксидной смолы, армированной стеклотканью. Два одинаковых корпуса соединены между собой прутками, из нержавеющей стали. Для изготовления корпуса необходимо сделать его разметку на плотной бумаге. Сначала можно сделать разметку на газетном листе, а потом перенести на ватман. Я не даю размеры корпуса, так как они зависят от грузоподъемности (водоизмещения). А необходимое водоизмещение зависит от типа и веса примененного аккумулятора для питания двигателей. Поэтому, прежде чем приступить к изготовлению корпуса, необходимо определиться с типом (читай - весом) источников питания. Общий вес начинки катера не должен превышать трети от водоизмещения судна. Т.е., ватерлиния (осадка судна) должна быть на одной трети высоты борта. Это желательно при использовании катера во время большой волны применения тяжелых грузил и больших кормушек. Эскиз разметки катера дан на рисунке 1.
Днище выполнено плоским (без киля) и показано на рисунке толстыми линиями. Носовая и кормовая части могут иметь другие пропорции в зависимости от вашего вкуса. Поэтому я и рекомендую сделать начальную разметку на газетной бумаге. Легко подправить, если что не понравится. Пунктиром показаны линии разметки. Вертикальные линии: Осевая линия проходит по центру листа, а две боковые линии определяют ширину днища и высоту борта Н. Горизонтальные линии: Две центральные линии определяют длину днища без носовой и кормовой части L. Верхняя линия определяет длину носовой части и высоту носа катера. Нижняя линия определяет длину (транец) и высоту кормовой части. Изменяя расположение крайних пунктирных линий, добиваются приемлемой геометрии судна. Ориентировочное водоизмещение судна можно подсчитать, умножив ширину днища на его длину L и высоту борта Н и умножив на 2. Размеры кормовой и носовой частей можно не брать во внимание, так как их объем займет вес катера без начинки. Ширина днища должна быть не менее 100 мм, лучше больше. Это определяется шириной редуктора и высотой блока приемника. Сделав разметку по эскизу, разрежьте по линиям реза (красным линиям). Согните по линиям сгиба (тонкие линии). Углы сгиба определяют: 1 - наклона носа; 2 - подъема носовой части, или развал бортов; 3 - подъема кормовой части; 4 - наклона кормы. Согнутые части соедините скрепками. Варьируя углы, добейтесь приемлемой формы катера, если смотреть на него сверху и сбоку. Не делайте большим угол наклона кормы, так как это затруднит установку вала винта. Углы подъема носовой и кормовой части определяют ходовые качества катера. Параметры моего экземпляра катера: Водоизмещение (общее) - 7 литров, ширина днища 120 мм, длина - 250 мм. Высоту борта я сначала сделал маленькую. После того, как достал аккумулятор (12 В, 1,2 А, 600 гр.), пришлось добавлять поплавки по нижнему наружному углу бортов. Если с формой вы определились, склейте ватман любым бумажным клеем. После высыхания клея, выровняйте ножницами края борта (линия борта). Линию борта желательно сделать ровной для облегчения установки палубы. У вас получилась бумажная форма катера. Теперь можно точно измерить водоизмещение будущего катера. Засыпьте форму любым сыпучим веществом (крупа, сахар, песок, семечки) и пересыпьте в стеклянную банку известной емкости. Емкость, которую займет сыпучее вещество в литрах, и будет водоизмещением одной половины вашего будущего катера. Эту же операцию можно проделать и после изготовления корпуса. Далее сделайте бумажную форму жесткой. Для этого оберните внутреннюю часть тонким целлофаном (из пакета) и заполните ее жидкой глиной, землей, парафином, пластилином, да хоть тестом. Любым пластическим веществом, которое вам доступно. Для уменьшения количества наполнителя, внутрь можно положить закупоренную пустую бутылку, бумагу и т.п. Заливка должна быть немного выше бортов. После полного застывания наполнителя у вас получится болванка, на которую будет наноситься эпоксидка. Здесь надо заметить, что болванку можно сделать и из дерева. Только надо позаботиться о том, чтобы поверхность деревянной болванки была гладкой. Я здесь описываю, как сделать проще, на мой взгляд. Поставьте болванку дном к верху на бумажную или целлофановую подстилку. Вырежьте стеклоткань по размеру. Стеклоткань должна быть тонкая. Лучше использовать стеклосетки марок СЭ-0-1, ССТЭ-6, ССТЭ-9, стеклоткань сатинового переплетения АСТТ (б)- С2-0, стеклорогожу ТЖС-0,7 [1]. Индекс 0 в марке стеклоткани говорит о том, что материал имеет специальную гидрофобную обработку для применении в судостроении. Электроизоляционные ткани марок ЛСМ, АСМИ, ЛСЭ, ЛСБ и ЛСК выпускаются пропитанными синтетическими смолами и для оклейки корпусов практически непригодны. Если у вас нет стеклоткани, не беда. Возьмите марлю или любую другую сетчатую ткань, тонкую хлопчатобумажную ткань, бязь... Можно взять сетку (только не штампованную, а плетенную), которую используют на окнах и двери для защиты от насекомых в летнее время. Оберните тонким целлофаном болванку. На целлофан наложите стеклоткань и сделайте разрезы ножницами по местам изгиба. Наложите концы ткани один на один. Это будут носовая и кормовая части катера. Поэтому двойное армирование им не помешает. Далее готовим эпоксидную смолу. Чтобы смола имела малую текучесть ее надо сделать с наполнителем. В качестве наполнителя я использовал молотую строительную слюду. Можно использовать тальк или мел. Если у вас есть алюминиевая пудра, то она тоже подойдет. Можно использовать порошки красителей (пигменты). При этом сразу получите необходимый цвет корпуса. Главное требование к наполнителю, чтобы он был сухим и имел мелкую фракцию. В смолу постепенно добавляется наполнитель и интенсивно перемешивается. Окончательная консистенция - как густая сметана. Смола не должна стекать с деревянного пестика, которым вы мешали смолу. Смолу лучше мешать в нижней части пластмассовой емкости из-под бытовой химии, с ровным дном. Внутрь емкости вставляется целлофан. На один корпус необходимо 2-3 пакета эпоксидной смолы "ЭДП" весом 135 грамм. Всю смолу сразу мешать не желательно. Интенсивно размешивая, добавляется маленькими частями отвердитель. Густота смолы немного уменьшится. В зависимости от окружающей температуры и количества отвердителя, смола "схватывается" от 30 минут до 2 часов. Поэтому нельзя сразу выливать весь отвердитель, может возникнуть само разогрев. После внесения отвердителя, смола должна постоять 15-20 минут, чтобы из нее вышли пузырьки воздуха. Далее смола пестиком наносится на стеклоткань. Начинать нанесение смолы надо с днища и закончить линией борта. С запасом на 5-7 миллиметров. Остатки смолы с целлофана легко снимаются пестиком на ровной поверхности. Наносить смолу желательно тонким, ровным слоем без подтеков. Чем тоньше слой, тем меньше вероятность подтеков. Если у вас осталась неиспользованной готовая смола, ее можно поставить на хранение в морозилку холодильника. В морозилке трехкамерного холодильника (-20 градусов), смола не портилась в течение недели (больше не пробовал). Через 3-4 часа можно убрать огрехи (неровности, наплывы) на заливке при помощи ножа или ацетона. Либо дополнительным нанесением смолы. Если дать смоле отвердеть (примерно 12 часов), то перед повторным нанесением смолы, корпус необходимо ошкурить. Если вам покажется тонким получившийся корпус, то нанесите еще один слой стеклоткани и смолы. Корпус легко снимается вместе с целлофаном с болванки. Посмотрите на просвет готовый корпус. Тонкие места и места с пузырьками воздуха желательно подлить смолой. Можно изнутри. Таких корпусов необходимо сделать два. Острым предметом начертите линию борта и обрежьте ее на отрезном круге. Если положить на ровную поверхность корпус катера, то между бортом и поверхностью не должно быть зазоров.
Для дальнейшей работы необходимо определиться с выбором двигателей хода и двигателем редуктора. По возможности, желательно, чтобы они были одинаковы. Кроме того, надо выбирать двигатели и по напряжению питания. Так, если у вас аккумулятор на 12 вольт, то и двигатели желательно иметь на это же напряжение. Наиболее доступными для меня оказались двигатели от старых кассетных магнитофонов. Это двигатели типа: ДП39-0,1-2, ДП40-0,16-2. Двигатели имеют напряжение питания 9 вольт и ток без нагрузки 25 миллиампер. Приблизительное число оборотов, рассчитанное по редуктору, при напряжении питания 12 В - 1500 оборотов в минуту. Эти двигатели хорошо запускаются при нагрузке и имеют приемлемое значение тока (при нагрузке) - 50-100 миллиампер. Разность номинального и питающего напряжений скажется на долговечности щеток коллектора, но увеличит крутящий момент на валу. Двигатели имеют (в зависимости от типа магнитофона) различную конфигурацию кожуха и крепления к арматуре магнитофона. Для ходовых двигателей кожух снят, а для редуктора кожух оставлен с целью облегчения крепления к редуктору. Для ходовых двигателей необходимо проверить их токи без нагрузки. Если ток большой, то отверните на один оборот три винта и проверните статор относительно корпуса, наблюдая за изменениями тока. При достижении минимального тока, затяните винты.
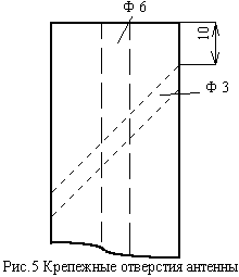
Крепежные рейки нужны для крепления к ним двигателей хода, редуктора, антенны, палубы и корпусов электронной начинки. Начинать надо с реек крепления двигателей хода. Деревянные рейки 1, сечением 30х30 мм, устанавливаются в кормовой части корпуса катера. Смотрите рисунок 2. Отпилите рейку по ширине дна катера на расстоянии 50-60 мм от кормы. В центре рейки выберите круглым напильником (можно рашпилем) место под двигатель. Двигатель должен становиться плотно с небольшим наклоном. Угол наклона двигателя должен быть таким, чтобы вал двигателя образовывал с плоскостью дна угол не более 10 градусов. При большем угле наклона винт не будет развивать полной мощности. Если сделать угол равным нулю, то, не смотря на предпринимаемые меры, возможно попадание воды внутрь корпуса. Кроме того, винт может оказаться выше ватерлинии или на уровне ее. Последнее приводит к кавитации, т.е. захвату двигателем пузырьков воздуха и снижению ходовых параметров катера. Приложите двигатель к рейке и примерно на расстоянии 10 мм от проекции края двигателя, по центру рейки наметьте место установки гаек. Гайки сделаны из шурупов с головкой "впотай" диаметром 6 мм. Оставьте 20 мм шурупа, а остальное отрежьте ножовкой. Просверлите по центру головки отверстие диаметром 2,5 мм и нарежьте резьбу М3. Просверлите отверстие в рейке диаметром 4 мм по месту установки гаек. Смажьте "литолом" целый шуруп и нарежьте резьбу в отверстии рейки. В полученное отверстие можно ввинтить гайку (шуруп с резьбой). Теперь приклейте эпоксидной смолой рейку к днищу корпуса. После застывания смолы прикрепите двигатель к рейке при помощи жестяных хомутов. Для лучшего прилегания двигателя к плоскости, оберните его тонким поролоном. Приложите к валу двигателя спичку или иголку и наметьте место выхода вала винта через корпус по высоте. Вторая, вертикальная метка проходит по центру кормы. Просверлите отверстие диаметром 6,5 мм в корме под кожух вала винта. Кожух вала взят из-под одноразового инсулинового шприца без поршня. Конец шприца, на который надевается игла, устанавливается наружу (7 рис.2). Зашкурьте кожух и корпус возле отверстия. Вставьте кожух в отверстие так, чтобы через него была видна ось двигателя, и залейте эпоксидкой с обеих сторон. Длина выступающей части кожуха 45-50 мм. Важно, чтобы в обоих корпусах угол наклона кожуха вала и длина выступающей части были одинаковыми. Если посмотреть сверху, то ось кожуха должна проходить через нос корпуса. Далее необходимо изготовить и установить крепежные рейки 2 (рис.3) антенны.
Сначала определитесь с диаметром провода для антенны. Антенна представляет собой толстую проволоку, изогнутую двойной дугой между крайними бортами катамарана (4 рис.4). Антенна выполняет несколько функций: несущая для крепления бункера 6 с прикормкой и светодиодов 7,8 индикации; ручка для переноски катера; антенна. Таким образом, антенну надо сделать из толстой, прочной, изолированной и нержавеющей проволоки. Лучше всего подходит под эти требования проволока из латуни марки ЛС-59-1 диаметром 6 мм. В крайнем случае, подойдет алюминиевая. Худший вариант - стальная.
Давать конкретные данные используемого редуктора бессмысленно, так как трудно найти идентичные зубчатые колеса. Предлагаю на ваше усмотрение только общие принципы и последовательность изготовления редуктора. Можно взять готовый редуктор для детского творчества с таким коэффициентом редукции (примерно -1:75), чтобы выходной вал делал один оборот за 1-4 секунды. Если такой возможности нет, то придется редуктор изготовить самостоятельно. Для этого необходимо найти 5-7 шестерен с двумя зубчатыми колесами (большого и малого диаметра), и зубчатое колесо малого диаметра с отверстием Ф 2 мм под вал двигателя. Причем, шестерни редуктора не обязательно должны иметь одинаковый диаметр (одинаковое количество зубьев). Главное, чтобы шаг (расстояние между вершинами или впадинами) зубьев на всех шестернях был одинаков. Я нашел пластмассовые шестерни от редуктора для детского технического творчества с 52 и 13 зубьями. Большой диаметр шестерни - 26 мм, малый - 7,5. Диаметр вала - 3 мм. Разложите шестерни без валов на листе бумаги, чтобы найти приблизительные размеры корпуса редуктора. При этом необходимо придерживаться следующих рекомендаций: входной (вал двигателя) и выходной валы должны проходить по центру корпуса, высота корпуса редуктора не должна превышать высоту борта корпуса катера минус 20 мм, большая часть шестерен должна располагаться ближе к носу катера. После определения размеров корпуса редуктора, наметьте на бумаге шариковой ручкой положение осей шестерен и обводы корпуса редуктора. Корпус редуктора 13, 15 рис.6 сделан из толстого (2,5-3 мм) стеклотекстолита из старых печатных плат. Перенесите с листа бумаги расположение осей шестерен на вырезанные листы стеклотекстолита и просверлите отверстия по диаметрам валов шестерен. На большем листе корпуса под входной вал просверлите отверстие диаметром на 1-2 мм большим, чем диаметр шестерни вала двигателя.
Приложите двигатель к корпусу и разметьте расположение крепежных отверстий двигателя. Прикрепите двигатель с шестерней к корпусу редуктора. Вставьте валы в шестерни и установите их между двумя корпусами. Если вы используете стеклотекстолит из-под старых плат, и у вас отверстие вала получилось большего размера - это не беда. Измерьте расстояние между корпусами редуктора и сделайте по этому размеру две втулки 9 стяжного винта. Втулки легко сделать из корпуса шариковой ручки. По верхним углам корпусов редуктора просверлите крепежные отверстия Ф3 мм и скрепите корпуса между собой винтами 11 и гайкой 8. Нижняя часть корпусов редуктора крепится при помощи двух металлических скоб 17 винтом 14 крепления двигателя к корпусу и винтом с гайкой16. Можно нижнюю часть корпуса редуктора стянуть аналогично верхней части. Между первой и последней шестернями и корпусом надо поставить пластмассовую ограничительную втулку, для исключения самопроизвольного смещения шестерни по валу. Шестерню выходного вала необходимо запрессовывать на шлицы или сделать насечки и посадить на эпоксидку. Эта шестерня испытывает максимальные нагрузки. На эпоксидку сажается и шестерня 5 вала двигателя. Остальные шестерни свободно вращаются на валах. Собрав редуктор, проверьте его на легкость вращения, вращением шестерни 5 двигателя. Добейтесь легкости вращения всех шестерен, подпиливанием круглым надфилем отверстий валов шестерен в необходимую сторону. Расклиньте валы в разбитых отверстиях спичкой и включите двигатель. При этом двигатель должен работать ровно, а потребляемый ток должен быть без скачков и не превышать 100 миллиампер. Если вы этого добились, смажьте выступающие части валов шестерен "литолом" и зафиксируйте их эпоксидкой как показано на рис.6 поз.7. По ширине редуктора отпилите рейку 1 (25х25, ширина по редуктору) крепления редуктора и выберите в ней паз18 под корпус редуктора. По центру редуктора, ближе к кормовой части, где нет шестерен, просверлите в рейке отверстие 3 диаметром 6 мм под крепежный винт. Рассверлите снизу отверстие и запрессуйте гайку 2 М6 или посадите ее на эпоксидку. Отрежьте из нержавеющей стали по размеру редуктора прижимную крышку 10. Просверлите в ней отверстие Ф6 напротив отверстия 3. Стяните редуктор и рейку винтом. Проверьте редуктор на легкость вращения и потребляемый ток. Смажьте шестерни и валы "литолом". Теперь потребляемый двигателем ток не должен превышать 50 миллиампер. Если у вас выходной вал вращается, как и у меня, против часовой стрелки, то редуктор 7 необходимо устанавливать в левый по ходу корпус катамарана (рис.3). В противном случае начинка корпусов поменяется местами. Поставьте редуктор с рейкой на дно и отметьте на борту место прохода выходного вала. Важно, чтобы отверстие под втулку выходного вала находилось посредине между носом и кормой. Сделайте втулку 12 (бронза) выходного вала со сквозным отверстием по оси (у меня 3 мм) под диаметр вала шестерни. Еще одно отверстие Ф 1-1,5 мм просверлите для шплинта. По диаметру втулки просверлите отверстие (5 рис.2) в борту корпуса катера. Приклейте эпоксидкой рейку крепления редуктора и втулку выходного вала. Половину отверстия втулки заранее заглушите деревянным чопиком, смазанным "литолом". Теперь можно соединить корпуса катера между собой. Для этого необходимо взять два сварочных электрода (4 мм) для нержавейки без обмазки. Вставьте электроды в дрель и прошлифуйте мелкой наждачной шкуркой. Выберите расстояние между двумя корпусами (примерно ширина еще одного корпуса). На расстоянии 10 мм от носа и кормы просверлите отверстия 4 мм. Отрезанные по размеру нержавеющие прутки вставьте в отверстия и наметьте места нарезки резьбы М4 так, чтобы гайки затягивались с обеих сторон борта. Нарежьте резьбу и соедините корпуса. Под гайки стяжек с внутренней стороны корпуса, в котором будет аккумулятор, поставьте шайбы с лепестками для пайки (например, от диодов КД202). Осевые линии корпусов должны быть параллельны. Вставьте во втулку выходного вала барабан и наметьте место наложения второго конца вала барабана на второй корпус. Сделайте пропил под вал барабана. Таким образом, один конец вала барабана вставляется во втулку выходного вала и шплинтуется, а второй конец вала свободно лежит на борту. Места соединения корпусов стяжками залейте эпоксидкой, при этом корпуса должны стоять на ровной плоскости. Теперь можно приклеить палубные крепежные рейки. Заранее нарежьте рейки по изгибам линии борта. Изготовьте из швеллера 5-6 небольших струбцин. Приклеивая рейки по линии борта, прижимайте струбциной. После отвердения эпоксидки подровняйте стамеской плоскость под палубу. Вырежьте из листового стеклотекстолита (гетинакса, пластмассы) палубу. Просверлите отверстия Ф2 по контуру палубы в характерных местах сначала в стеклотекстолите, а потом Ф1,5 и в палубных рейках. В палубе надо выбрать отверстия по диаметру антенны для установки палубы сбоку. Возле носа и кормы по центру посверлите отверстия для переключателей рода работ и выключателей питания. Возле кормы, напротив стяжки выберите отверстия под трубку с проводами.
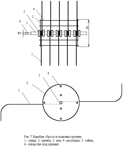
Собственно, барабанов два. Один нужен для сброса и подъема грузила, а второй для разбрасывания прикормки. Общий вид барабана для сброса грузила показан на рисунке 7. Вал барабана сделан из нержавейки диаметром 4 мм. По всему валу 3 нарезана резьба М4. Конец вала (примерно 10 мм) расточен до 3 мм для свободного прохождения во втулку выходного вала редуктора, и имеет отверстие 6 под шплинт. Спицы 1 согнуты из никелированных спиц зонта. Щечки 2 барабана можно сделать из любого нержавеющего материала. У меня у одного барабана щечки пластмассовые, а у другого - алюминиевые (панель прибора). Распорки 4 между щечками можно закрепить пайкой или гайками на резьбе. Все детали стянуты оксидированными гайками 5. Для большей жесткости спицы 1 припаяны к распоркам 4.
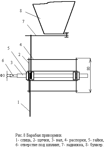
Барабан для прикормки с фрагментом бункера показан на рисунке 8. Этот барабан имеет одну прямую спицу 1 для открывания задвижки 7 бункера 8. Между распорками 4 и валом 3 крест на крест в пазы щечек установлены пластмассовые переборки. Резьба М4 на валу только для закрепления щечек. При вращении барабана спица открывает задвижку, и корм из бункера падает между переборками барабана и равномерно сбрасывается в воду.
Вал винта сделан из нержавейки диаметром 2,5 мм (взято из рефлектора нагревателя). Длина вала выбирается так, чтобы он выступал из кожуха на 10 мм. Конец вала длиной 20 мм шлифуется, полируется и нарезается резьба М2,5х10 мм. Полировка необходима для свободного вращения вала в узкой части кожуха. Если вращение будет свободным, то в кожух может поступать вода. Соединение вала винта с валом двигателя можно сделать простым, но повозиться с центровкой. Можно сделать посложнее и потратить меньше времени на центровку. Простое соединение - это втулка с просверленными отверстиями под валы, посаженные на эпоксидку. Я делал втулку из алюминиевой проволоки диаметром 4-6 мм. Посредине втулки сверлится технологическое отверстие Ф1,5-2 для выхода излишков эпоксидного клея. Более сложное соединение валов муфтой используют "профессионалы" в высоко оборотистых двигателях гоночных моделей рисунок 9. Конструкция муфты понятна из рисунка. Следует обратить внимание, что пружина навивается так, чтобы при вращении она работала на сжатие втулок. Перед установкой вала винта в кожух необходимо запрессовать половина объема кожуха "литолом".
Для каждого конкретного сочетания судна и двигателя существует оптимальный гребной винт. Теория гребного винта обширна и здесь не рассматривается. Правильно подобранный винт - это 90 % успеха в ходовых характеристиках катера. Поэтому макет винта надо делать из жести, и по результатам испытаний корректировать его форму. Окончательно винт изготовлен из листа нержавеющей стали толщиной 0,5 мм. Я остановился на четырех лопастном винте диаметром 50 мм. На рисунке 10 показана приблизительная форма винта (вид с кормы).
Сначала поговорим о корпусах. Корпуса приемника и демодулятора спаяны из жести по размерам плат. Корпус приемника имеет в днище отверстия против контуров для их настройки. Крышки в двух местах прихвачены припоем. К корпусам припаяны кусочки жести с отверстиями под саморезы или шурупы для крепления к палубным рейкам. Корпус 3 приемника (см. рис.3) расположен между крепежными рейками антенны. Корпус 1 демодулятора крепится в кормовой части. Платы 11 ключей двигателей корпусов не имеют и крепятся непосредственно к палубным рейкам. Экранированный вывод антенны с приемника крепится к антенне шурупом крепежа антенны к рейке. В другом корпусе антенны между собой соединены проводом при помощи шурупов. Прежде чем закрепить корпуса электроники необходимо сделать предварительную центровку корпусов катера на воде, с учетом расположения двух плоских батареек и аккумулятора. При этом надо помнить о расположении грузила и бункера с кормом. Для обеспечения непотопляемости катера в случае опрокидывания и самопроизвольного нарушения центровки при транспортировке, свободные места катера заполнены пенопластом. Между двумя корпусами катера по задней стяжке проходит полиэтиленовая трубка Ф6 мм для пропуска проводов.
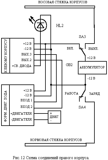
Принципиальная схема соединений левого корпуса дана на рисунке 11, а правого корпуса - на рисунке 12. Светодиоды HL1, HL2 крепятся к антенне (рис. 4, поз. 7, 8), а провода к ним проходят вдоль антенны. В местах крепления светодиодов антенны скреплены между собой пластмассовыми стяжками. На эти стяжки устанавливается бункер. Переключатель SA1 в одном положении включает напряжение источника питания, две плоские батареи типа 3R12, а в другом положении подает напряжение на корпус переключателя. Это необходимо для оперативного контроля напряжения. Микросхема стабилизатора напряжения КР142ЕН5А крепится к корпусу приемника. При выключенном напряжении аккумулятора переключатель SA3 подает плюсовое напряжение на носовую стяжку корпусов. В положении "заряд" переключателя SA4 минус напряжения аккумулятора подается на кормовую стяжку корпусов. Таким образом, зарядка аккумулятора и контроль напряжения производится подсоединением зажимов к стяжкам корпусов. Причем, кормовая стяжка используется и для контроля напряжения батареи 9 В. После проверки функционирования и окончательной настройки электроники, сделаем установку палуб. Палубы необходимы для герметизации корпусов катера от попадания забортной воды и осадков. Можно сразу посадить палубы на герметик и притянуть мебельными шурупами, но в процессе испытаний могут потребоваться дополнительные регулировки или центровка. Поэтому советую перед установкой палуб на герметик смазать края тонким слоем жира или любой смазкой. Герметик наносится толстым слоем на палубные рейки, устанавливаются палубы и прижимаются шурупами. После высыхания герметика, палубы легко снимаются и, при последующей установке палуб, места соединений сохраняют герметичность.
Корпус передатчика сделан из корпуса пульта управления телевизором "Спектр". Можно взять корпус калькулятора. По центру, спереди установлен резьбовой разъем для антенны. Сбоку, слева установлен выключатель питания от детских игрушек. В верхней части корпуса установлена плата модулятора и светодиод индикации напряжения питания. Конструкция платы (рис.13) выполнена так, чтобы можно было использовать 5 штатных кнопок пульта управления. В нижней части корпуса размещается передатчик. В батарейном отсеке закреплен разъем от батареи типа "Крона". Передатчик подключается к аккумулятору автомобиля тонким проводом длиной 10-15 метров с зажимами на конце. Лишние отверстия корпуса заклеиваются шильдиком рис.14. Шильдик напечатан на бумаге. На него наклеена широкая липкая лента, для защиты надписей от воды. Литература: Справочник по катерам, лодкам и моторам. Под редакцией Г.М. Новака, Ленинград, "Судостроение", 1979 Источник |

У гребного винта много
характеристик: внешняя, винтовая, гидродинамическая и т.д., но нас интересует
только шаг винта. Шаг винта зависит от винтовой поверхности лопасти. Шагом винта
называется перемещение любой точки лопасти вдоль оси за один полный оборот
винта. Делать сложную винтовую поверхность лопасти нет необходимости. Достаточно
посмотреть на лопасти вентилятора и соответствующим образом изогнуть лопасти
винта. При этом надо руководствоваться следующим правилом: по мере удаления
сечения лопасти от центра необходимо разворачивать лопасти под большим углом к
оси винта. Тогда получится винтовая поверхность с постоянным шагом. Одинаковых
поверхностей лопастей добиться невозможно, но стремиться к этому надо. Изгиб
лопастей надо делать с зажатым винтом в технологической оправке. Лучше сделать
несколько запасных винтов перед ходовыми испытаниями. Во время испытаний не
трудно потерять винт. Поэтому затяжку винта лучше делать двумя ключами. Ключи
легко сделать самому. Окончательно закрепленный штатный винт, в местах
крепления, заливается герметиком.

Корпус передатчика