LAB599.RU — интернет-магазин средств связи
EN FR DE CN JP

Беспроводной телефон




Беспроводной телефон

  Телефон сделан на основе телефона-трубки с кнопочным номеронабирателем. Он реализует все функции телефона-трубки, но не связан с основным блоком проводом. В состав системы входит собственно телефонная трубка с номеронабирателем, которая представляет собой дуплексную УКВ радиостанцию с частотной и импульсной модуляцией, и основной блок, также представляющий собой дуплексную радиостанцию, но с однокомандной системой радиоуправления. Устойчивая связь обеспечивается при удалении трубки от основного блока на расстояние до 150 метров.

ТЕХНИЧЕСКИЕ ХАРАКТЕРИСТИКИ:

Чувствительность радиоприемников при отношении с/ш 10дб - 0,5 мкв
Мощность передатчика - 20 мвт
Рабочие частоты блока телефона-трубки:
передатчика - 40,5 Мгц
приемника - 30,5 Мгц
Рабочие частоты основного блока:
передатчика - 30,5 Мгц
приЈмника - 40,5 Мгц
Напряжение питания трубки 9В
Напряжение питания основного блока 220В
Вызов - тональный

  Для передачи сигналов набора номера и вызывного сигнала используется амплитудная 100 процентная манипуляция. Для передачи речевой информации используется частотная модуляция с девиацией частоты 2,5 кГц. Внешне алгоритм работы с этим телефоном полностью соответствует алгоритму работы с обычным телефоном-трубкой. В исходном состоянии передатчики обеих блоков выключены. Предположим, что по линии поступил сигнал вызова. В этом случае включается передатчик основного блока и излучает не модулированный сигнал ( в течении времени вызывных сигналов). ПриЈмник трубки принимает этот сигнал , на который реагирует его система индикации приема несущей, и включает мультивибратор тонального вызова. При этом из трубки раздается достаточно громкий звук тоном в 600-1000 гц. После поднятия трубки рычажный переключатель отключает питание от мультивибратора и включает УЗЧ и передатчик трубки. Индикатор несущей приЈмника основного блока реагирует таким же образом , и при помощи транзисторного ключа переводит линию в состояние занятости. В таком состоянии линия находится все то время, пока включен передатчик трубки. Затем радиостанции основного блока и трубки работают в дуплексном режиме с ЧМ передавая речевые сигналы.

  Для того, чтобы набрать номер нужно поднять трубку, при этом включится еЈ передатчик , что приведет к включению импульсного ключа основного блока, который подключит к линии разговорный узел. В результате линия будет занята. При наборе номера с приходом каждого импульса от микросхемы-набирателя на время действия этого импульса будет выключаться передатчик трубки, что приведет к выключению импульсного ключа. Таким образом наборные импульсы будут передаваться в линию. Трубка питается от аккумулятора 7Д-015 на 9 В. В основном блоке имеется розетка, в которую устанавливается трубка в то время, когда еЈ не используют, при этом аккумулятор подзаряжается от сетевого источника.

  Принципиальная схема трубки показана на рисунке 1. ПриЈмник выполнен по супергетеродинной схеме с одним преобразованием частоты. Промежуточная частота используется 6,5 Мгц (это позволяет использовать пьезокерамический фильтр от телевизора).ПриЈмник работает на частоте 30,5 Мгц. Сигнал от антенны поступает на дуплексные трансформаторы Т1 и Т2 . Они служат для подавления сигнала от передатчика трубки, поступающего на вход приЈмника трубки. Эту же роль выполняет и контур L1C36, который настроен на 40,5 Мгц и препятствует прохождению сигнала с такой частотой. После выделения принятый сигнал поступает на однокаскадный УРЧ на двухзатворном полевом транзисторе VT1. Коэффициент усиления каскада определяется напряжением смещения на втором затворе (делитель Rl R2). В его Стоковой цепи включен контур, настроенный на 30,5 Мгц. Преобразователь частоты, гетеродин и усилитель промежуточной частоты с частотным детектором и системой БШН (которая используется как индикатор несущей) выполнены на одной универсальной микросхеме А1 - К174ХА26. Она предназначена для работы в трактах ПЧ средств радиосвязи. Недостаток микросхемы в том, что по техническим условиям еЈ гетеродин не может работать на частотах более 16 Мгц. в то время преобразователь способен работать с частотами в сотни мегагерц. Тем не менее, как показала практика гетеродин у большинство микросхем стабильно работают на частотах до 30мгц. Выбрав частоту приЈмника 30,5 Мгц и ПЧ 6,5 Мгц получаем частоту гетеродина 24 Мгц, что вполне приемлемо. Однако в основном блоке частота приемника 40,5 Мгц и частота ПЧ - 6,5 Мгц, в результате нужен гетеродин на 34 Мгц. К сожалению стабильно запустить его на этой частоте не получилось и пришлось в основном блоке использовать отдельный транзисторный гетеродин. вывода 10 А2 низкочастотный сигнал поступает на регулятор громкости (он совмещен с выключателем питания) R14 и на двухкаскадный УЗЧ, собранный но простой схеме на транзисторах VT2-VT4. Шумовая составляющая НЧ сигнала через резистор R11 и фильтр верхних частот поступает на детектор на диоде VD1. Постоянная времени срабатывания системы шумоподавления (она выполняет роль индикатора несущей) определяется емкостью конденсатора С8 (в процессе настройки его нужно подобрать точнее). А порог срабатывания системы устанавливается подбором номинала R6, таким образом, чтобы обеспечить уверенное срабатывание. Выход индикатора несущей (системы шумоподавления) - вывод 16. Это триггерный ключевой выход, он не имеет промежуточных положений и может находиться либо в замкнутом на общий провод положении (при отсутствии несущей), либо в разомкнутом (в типовом включении он шунтирует вход УЗЧ). В данном случае между ним и источником питания включен резистор R15 и при приЈме сигнала передатчика основного блока (наличие несущей) на нем устанавливается логическая единица, которая запускает мультивибратор на микросхеме D1, к выходу которого подключен пъезоизлучатель.

 Радиотелефон - схема

  При подъеме трубки S1 переходит в противоположное, показанному на схеме, положение и отключает питание от мультивибратора, включая УЗЧ и передатчик на транзисторах VT5, VT6 и микросхеме А2. На VT5 выполнен усилитель мощности, на VT6 - задающий генератор. Частотная модуляция и амплитудная манипуляция происходят в задающем генераторе. Сигнал от эпектретного микрофона В3 (используется штатный микрофон телефона-трубки) усиливается и ограничивается операционным усилителем А2. Ограничение достигается цепью из диодов VD6, VD7 и резистора R32, которые увеличивают глубину ООС. Частота задающего генератора зависит от частоты резонанса цепи, состоящей из кварцевого резонатора Q3 и индуктивности L11 и емкости VD5. Основную стабильность определяет резонатор, но его частоту можно смещать в небольших пределах изменяя емкость VD5. На варикап поступает напряжение с выхода А2 и таким образом осуществляется частотная модуляция.

  Уровень с выхода микросхемы-номеронабирателя (на схеме не показана, используется схема, имеющаяся в телефоне-трубке) поступает на ключ на транзисторе VT7. При отсутствии набора на выходе этой микросхемы устанавливается единица, и транзистор открывается, запуская генератор на VT6. Во время набора на выходе микросхемы формируются перепады с уровнем логического нуля. В результате во время действия наборного импульса VT7 закрывается и выключает задающий генератор передатчика. Таким образом выходной сигнал передатчика при наборе номера состоит из импульсов ВЧ напряжения, которое поступает в антенну. Питание на номеронабиратель поступает от параметрического стабилизатора на стабилитроне VD3 и резисторе R20.

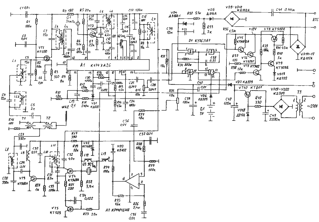
  Принципиальная схема основногоблока показана на рисунке 2. ПриЈмник сделан по такои-же схеме, что в трубке, но он расчитан на прием сигнала частотой 40,5 Мгц. В результате частоты настройки входных контуров поменялись, теперь фильтр-пробка - L2C4 настроен на 30,5 Мгц, а входной контур L1C3 - на 40,5 Мгц. На 40,5 Мгц настроен и выходной контур УРЧ - С7 L3. Микросхема А1 выполняет те же функции, что и А1 трубки, но включена она по другому. Как уже отмечалось гетеродин микросхемы работает не устойчиво на частотах более 30 Мгц. В тоже время несущая частота передатчика трубки на 10 Мгц выше частота передатчика основного блока. В результате с учетом ПЧ равной 6,5 Мгц частота гетеродина должна быть 34 Мгц. Для того, что бы обеспечить нужную стабильность используется отдельный гетеродин на транзисторе VT2. Схема гетеродина позволяет использовать не только резонаторы на 34 Мгц, но и кратные, например на 17 Мгц (тоже самое можно сказать и о приЈмнике трубки, если использовать резонатор, например на 12 Мгц, гетеродин приходится делать отдельным по этой же схеме). С выхода детектора с вывода 10 А 1 сигнал 3Ч поступает через подстроечный резистор R15 (он нужен для установки оптимального уровня, поступающего на разговорный усилитель) поступает на разговорный усилитель на транзисторах VT5, VT6. Транзисторы включены по схеме составного транзистора. Сопротивление резистора R36 определяет напряжение падения на этом каскаде , которое устанавливается таким образом, чтобы при подключении усилителя к линии она уверенно переходила в состояние занятости, а при ключевании линии на этот усилитель уверенно набирался номер не только местной но междугородней сети. Для большинства АТС напряжение на коллекторе VT6 должно быть в пределах 10.-.12 В.


[ Увеличить в новом окне ]

  Перевод линии в занятое состояние или набор номера производится при помощи импульсного ключа на транзисторах VT7, VT8, VT9. При поступлении нулевого уровня на резистор R36 через резистор R39 открывается транзистор VT9, а затем - VT8, который через выпрямительный мост VD14-VD17 подключает к линии разговорный усилитель. При работе передатчика трубки схема индикации поднесущей основного блока устанавливает на выводе 16 А1 единичный уровень, он инвертируется третьим элементом D1 и поступает на вход импульсного ключа. Кроме того, нуль с вывода 10 D1 поступает на вывод 13 D1, на вход элемента "И". В результате единица с вывода 11 D1 включает ключ на транзисторе VT5, который включает передатчик основного блока. В системе индикации поднесущей установлен конденсатор С 19 меньшей емкости, чем С8 в трубке, это нужно для того, чтобы повысить быстродействие индикатора , что необходимо для успешной работы номеронабирателя (если установить большую емкость система индикации может не реагировать на наборные импульсы и импульсный ключ постоянно будет находиться в открытом состоянии). Порог срабатывания системы устанавливается подбором номинала R10. Схема передатчика (транзисторы VT3-VT5 и микросхема А2) почти полностью повторяет схему передатчика трубки, только несущая частота на 40,5Мгц, а 30,5. Кроме того значительно ниже коэффициент усиления операционного усилителя и нет схемы ограничения.

  При поступлении вызывного сигнала , переменное напряжение от линии через конденсатор С41 поступает на выпрямительный мост на диодах VD9-VD12. Если амплитуда пульсирующего напряжения на выходе этого выпрямителя устанавливается больше 30 В стабилитрон VD5 открывается на конденсаторе С39 устанавливается уровень логической единицы (9В). При этом запускается мультивибратор на первых двух элементах микросхемы D1 и прямоугольные отрицательные импульсы с его выхода, частотой 2 гц поступают на вывод 12 четвертого элемента этой микросхемы. Включением передатчика управляет ключ VT5 и четвертый элемент микросхемы D1. При поступлении нуля на вывод 12 или 13 (или на оба) этой микросхемы передатчик включается. Таким образом передатчик включается либо сигналом вызова, поступающим от линии, либо при занятости линии. Во втором случае включение происходит индикатором несущей по сигналу передатчика трубки. Разговорный сигнал от линии поступает через подстроечный резистор R35 на вход А2.

  Источник питания состоит из силового трансформатора ТЗ , выпрямителя VD19-VD22 и параметрического стабилизатора на транзисторе VT10 . Для функционирования схемы при временном отсутствии сетевого напряжения используется резервный источник - гальваническая батарея G1 типа "Кроны". В качестве заготовки для трубки используется готовый телефон-трубка зарубежного производства (предположительно Китай) с электретным микрофоном. Если попадется экземпляр с динамическим, то нужно установить электретный, например МКЭ-3. В трубке есть две платы - с клавиатурой и с микросхемой и разговорным усилителем. Первую оставляем без изменения, а со второй удаляются все транзисторы и диоды . Все проводники от рычажного переключателя отрезаются. Источник питания, состоящий из стабилитрона VD3, резистора R20 и конденсатора С23 (смотри рисунок Р02) монтируется на освободившихся дорожках этой платы, напряжение с его выхода подключают к выводу 1 микросхемы-номеронабирателя (KS5805A). Общий провод схемы приЈмника подключают к соединенным вместе выводам 2,6,10 и 11 этой микросхемы. Наборные импульсы снимаются с еЈ вывода 18. Между этим выводом и плюсом питания передатчика нужно включить резистор на 27 ком. Номинал этого резистора нужно подобрать при настройке по наилучшему включению и выключению передатчика.

  Если используется отечественный телефон-трубка на микросхеме КР1008ВЖ7, то питание нужно подавать на соединенные вместе выводы 14 и 3, общий провод соединить с выводами 17, 13 и 6. Наборные импульсы снимать с вывода 12.Корпус трубки увеличивают по толщине на 20 мм. Это можно сделать встала между половинками корпуса изогнутую точно по его периметру полоску из полистирола или другим способом. При этом крепежные винты нужно замерить на более длинные.

  Детали приЈмника и передатчика трубки монтируются на двух печатных платах, рисунки и монтажные схемы показаны на РОЗ и Р04. Все соединения делаются соответственно принципиальной схеме. Плата передатчика основного блока точно такая же как и у передатчика трубки, только изменена схема включения операционного усилителя (нет цепи ограничения сигнала).Для намотки катушек используются цилиндрические каркасы диаметром 4 мм с подстроечными сердечниками МР100. Готовые катушки после установки па плату закрываются латунными экранами, соединенными с общим проводом.

ДАННЫЕ КАТУШЕК ТРУБКИ:

L1 - 18 витков провода ПЭВ-2 0.25 ;
L2 - 18 витков провода ПЭВ-2 0,25 с отводом от 5-го считая от соединенного с общим проводом конца;
L3 - 18 витков провода ПЭВ-2 0,25;
L4 - 4 витка того же провода, наматывается на катушку L3;
L5 - 30 витков провода ПЭВ-2 0,12;
L6 - 5 витков ПЭВ-2 0,25: L7 и L10 наматываются на ферритовых кольцах 600НН К7х4х2 по 15 витков ПЭВ-2 0,25;
L8 - 3 витка ПЭВ-2 0,25 наматывается на L9;
L9 - S витков ПЭВ-2 0,25;
L11 - 25 витков ПЭВ-2 0,25.
Дуплексные трансформаторы на кольцах М50ВЧ2 К7х4х2 по 15 витков ПЭВ-2 0,25, по два скрученных провода, равномерно по кольцу.

ДАННЫЕ КАТУШЕК ОСНОВНОГО БЛОКА:

L1, L2, L3 , L4 и L7 точно такие-же как и в трубке;
L8 содержит 6 витков провода ПЭВ-2 0,25;
L11 - 10 витков ПЭВ-2 0,25;
L10 - 4 витка ПЭВ-20,25 наматывается на катушку L11;
L9 и L12 такие же как в трубке L10 и L7.
L13 - 20 витков ПЭВ-2 0,25;
Для всех катушек используются такие же каркасы как в трубке.
Дуплексные трансформаторы такие же как в трубке.

  Для изготовления антенны нужен полиэтиленовый штырь диаметром 7 мм и длиной 250 мм (можно использовать центральный провод коаксиального кабеля РК-50 с выдернутой жилой). На него наматывают провод ПЭВ-2 0,47 виток к витку тремя секциями по 40 мм длиной каждая . Расстояние между секциями тоже выдерживается по 40 мм. После намотки на антенну натягивается полихлорвиниловый кембрик. Можно использовать и телескопическую антенну с максимальной длиной 500 мм, но дальность в этом случае несколько ниже и пользоваться ей неудобно.
Источник: shems.h1.ru

Партнеры