Что-то не так?
Пожалуйста, отключите Adblock.
Портал QRZ.RU существует только за счет рекламы, поэтому мы были бы Вам благодарны если Вы внесете сайт в список исключений. Мы стараемся размещать только релевантную рекламу, которая будет интересна не только рекламодателям, но и нашим читателям. Отключив Adblock, вы поможете не только нам, но и себе. Спасибо.
Как добавить наш сайт в исключения AdBlockРеклама
Миниатюрный радиотелефон
|
Повышенный интерес к изготовлению радиотелефонов сдерживается сложностьюсхемных и технических решении, обусловленных принципом работы. Например радиотелефон "РТФ-92", опубликованный в [1], сложен как в изготовлении, так и в наладке, требует изготовления большого количества катушек и трансформаторов При разработке предлагаемого радиотелефона ставилась задача создать
радиотелефон, доступный для изготовления начинающим радиолюбителям. Метод
тонального радиоуправления не позволяет это сделать, поэтому в основу работы
данного радиотелефона положен метод прерывания несущей. Это позволило максимально
упростить схему и обеспечить следующие достоинства:
Радиотелефонная трубка (рис.1) находится в режиме дерного приема, передатчик ее выключен. В стационарном телефонном аппарате (рис.2) работает также один тлько приемник. Телефон с определителем номера находится в режиме автоподнятия трубки. При поступлении вызова от абонента автоматически включается передатчик стационарного аппарата и передает вызов на радиотелефонную трубку. После приема вызова включается передатчик радиотелефонной трубки и система готовa к работе в дуплексном режиме.
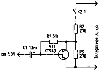
Рис. 3 Приемник При вызове со стороны радиотелефонной трубки включается питание передатчика тумблером S1 "Деж.реж.". Сигнал несущей принимается приемником стационарного аппарата, при этом в нем загорается светодиод точной настройки. В дежурном режиме транзистор VT1 (рис.2) закрыт. Напряжением со светодиода транзистор открывается, при этом на резисторе R5 возникает падение напряжения, которое питает передатчик стационарной части. При наборе номера на радиотелефонной трубке происходит прерывание питания (и соответственно несущей) на число раз, соответствующее цифре. Соответственно столько же раз потухает светодиод, напряжение с которого коммутирует транзистор VT1. Таким образом происходит набор номера в линию. При передаче информации низкочастотный сигнал с выхода УНЧ приемника поступает на базу VT1 для модуляции. При отсутствии телефона с определителем номера, который включает режим автоподнятия трубки, можно установить электронное реле, осуществляющее автоподнятие. Выбор приемников и передатчиков для радиотелефона. Выбор приемника зависит от возможностей и квалификации радиолюбителя. Основной критерий для приемника позволяют, элементы управления и транзистор VT1 можно разместить в самом приемнике. Можно также установить в корпусе приемника гнездо, и на него вывести управляющие напряжения, а саму схему управления собрать в отдельном корпусе. В этом варианте приемник можно в любой момент отсоединить и использовать по прямому назначению. Если будет использоваться импортный приемник (в них обычно применяется одна специализированная микросхема), а также при отсутствии принципиальной схемы приемника точку, откуда снимается напряжение точной настройки, можно найти экспериментально тестером по увеличению постоянного напряжения при приеме сигнала несущей частоты передатчика радиотелефонной трубки. Для упрощения конструкции передатчик стационарного аппарата (рис.4) питается от телефонной линии. Мощность его ограничена мощностью телефонной сети и зависит от падения напряжения на резисторе R5. Величина R5 подбирается таким образом, чтобы при поднятой телефонной трубке на нем падало 15...18 В (транзисторы должны слегка греться). Дальность действия приемника радиотелефонной трубки — ток покоя, так как от него зависит время непрерывной работы. Экономичный приемник с низковольтным питанием можно собрать на микросхеме К174ХА34 по схеме, приведенной на рис.3. При ее отсутствии можно использовать готовый миниатюрный приемник с выходом на телефон. Размеры платы таковы, что позволяют свободно установить ее в трубке радиотелефона. Такой же приемник, но на диапазон 65...74 МГц, можно использовать и для стационарного аппарата. Приемник потребляет небольшой ток, поэтому его можно питать от телефонной линии. Но так как размеры приемника для стационарного аппарата некритичны, для этой цели можно использовать переносной приемник со встроенным блоком питания типа "Океан". ![]() Рис. 4 Передатчик базы Порядок доработки приемника стационарного аппарата. Для управления транзистором VT1 (рис.2) с приемника используются два сигнала: напряжение точной настройки — для набора номера в линию, и напряжение низкой частоты — для модуляции. Если размеры радиотелефона в большой степени определяется мощностью передатчика радиотелефонной трубки, а та, в свою очередь, зависит от напряжения питания. Если не требуется большая дальность, для передатчика можно использовать питание приемника (рис. 1). Выбор источника напряжения и его величины определяется размерами радиотелефонной трубки Принципиальная схема передатчика радиотелефонной трубки приведена на рис.5. Задающий генератор передатчика выполнен на транзисторе VT2 типа КПЗОЗ. Частота генерации определяется элементами L1, СЗ, С5, VD2. Частотная модуляция осуществляется путем подачи модулирующего напряжения звуковой частоты на варикап VD2 типа КВ109. Рабочая точка задается напряжением, поступающим через резистор R2 со стабилизатора напряжения. Стабилизатор включает в себя генератор стабильного тока на полевом транзисторе VT1, стабилитрон VD1 и конденсатор С2. Усилитель мощности выполнен на транзисторе VT3. Режим работы усилителя задается резистором R4. ![]() Рис. 3 Передатчик трубки Дроссели L2 и L3 могут быть любыми с индуктивностью 10...150 мГн. Катушки L1 и L4 наматываются на полистирольных каркасах диаметром 5 мм с подстроенными сердечниками 100 ВЧ или 50 ВЧ. Количество витков — 3,5 с отводом от середины, шаг намотки — 1 мм, провод — ПЭВ 0,5. Настройка заключается в установке необходимой частоты генератора конденсатором С5, получении максимальной мощности путем подбора сопротивления резистора R4 и подстройке частоты контура конденсатором С 10. В передатчике стационарного аппарата (рис.4) резистор R5 включается в разрыв одного из проводов телефонной сети. При снятии трубки телефонного аппарата или включении режима автоподнятия в цепи появляется ток, который в зависимости от типа аппарата и состояния линии находится в пределах 10...35 мА. Этот ток, протекая через резистор R5, вызывает на нем падение напряжения порядка 15... 18 В, которое питает передатчик. Автогенератор передатчика собран по обычной двухтактной схеме, на транзисторах VT1 и VT2. Частотная модуляция происходит за счет изменения напряжения в линии и, как следствие, изменения напряжения на базах транзисторов. Частота задается параметрами контура L1, С5. Катушка L1 наматывается на полистирольном каркасе диаметром 5 мм и содержит 4 витка провода ПЭВ 0,5 мм с отводом от середины. Катушка L2 наматывается поверх L1 и имеет 2 витка того же провода. Настройка производится при занятой телефонной линии путем подстройки контура L1, С5. Радиотелефон обеспечивает дальность связи в пределах 300 метров, но при установке дополнительных усилителей мощности в радиотелефонную трубку и стационарную часть можно легко увеличить радиус действия до 10...15 км. При установке радиотелефона в автомобиль запитку радиотелефонной трубки лучше производить от бортового аккумулятора.
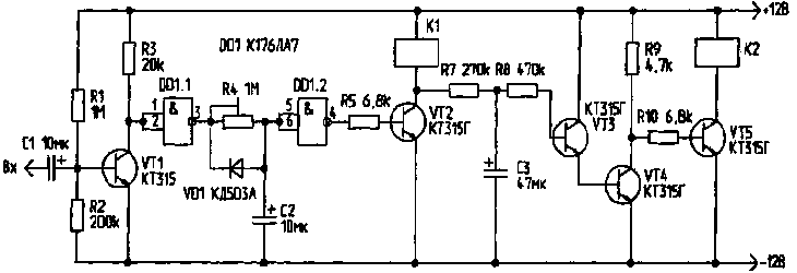
Рис. 6 Реле автоподнятия Реле автоподнятия (рис.6) выполнено на микросхеме К176ЛА7 по схеме одновибратора. Так как приемник и передатчик стационарной части питаются от телефонной линии, увеличение дальности действия возможно только за счет увеличения чувствительности приемников, т.к. мощность стационарного передатчика ограничена мощностью телефонной линии, а переносного передатчика - емкостью батареи питания. Изготовление в домашних условиях мощных передатчиков и высокочувствительных приемников требует определенного опыта, приборов для настройки и дефицитных радиодеталей, поэтому лучше пойти по другому пути, если требуется радиотелефон с радиусом действия до 20...30 км. В настоящее время сравнительно недорого можно приобрести хорошую 40-канальную радиостанцию. Путем несложных доработок мощность ее можно повысить до 8...10 Вт, и на базе таких радиостанций получается хороший радиотелефон с большим радиусом действия. Функциональная схема его приведена на рис.7, а принципиальные схемы электронного реле, узлов задержки автоподнятия и согласования - на рис.8, 9.
Puc.7 Функциональная схема радиотелефона
Puc.8 Узел согласования
Puc.9 Узел задержки автоподнятия В дежурном режиме включена только радиостанция, работающая на прием. При поступлении сигнала вызова со стороны телефонной линии, вызывное напряжение подается на электронное реле автоподнятия, которое срабатывает и исполнительным реле включает радиостанцию, работающую на передачу. Сигналы вызова подаются на ее микрофонный вход и передаются по эфиру на мобильную радиостанцию. Через 5...6 с срабатывает схема задержки автоподнятия, и происходит соединение с позвонившим абонентом. Так как прием ведется на одном канале, а передача - на другом, на мобильной радиостанции при передаче необходимо переключать канал. Например, прием ведется на 9-м канале, а перед тем как нажать тангенту на передачу, следует включить 19-й канал. Литература: РАДИОЛЮБИТЕЛЬ 11/97, с.17
|

