Что-то не так?
Пожалуйста, отключите Adblock.
Портал QRZ.RU существует только за счет рекламы, поэтому мы были бы Вам благодарны если Вы внесете сайт в список исключений. Мы стараемся размещать только релевантную рекламу, которая будет интересна не только рекламодателям, но и нашим читателям. Отключив Adblock, вы поможете не только нам, но и себе. Спасибо.
Как добавить наш сайт в исключения AdBlockРеклама
Портативная радиостанция личного пользования
|
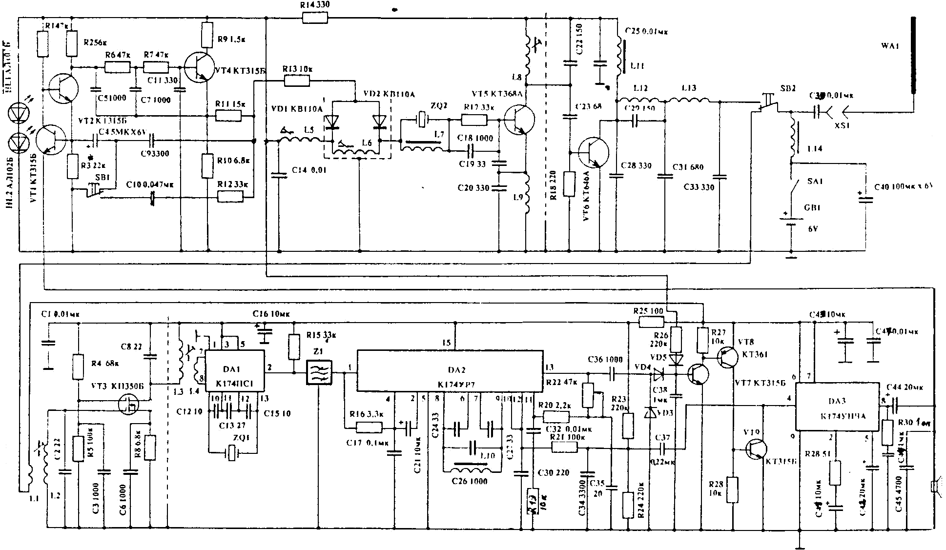
Симплексная радиостанция личного пользования предназначена для ведения двусторонней связи с однотипной радиостанцией в диапазоне 26.967 - 27,281 МГц с узкополосной частотной модуляцией. Принципиальная схема радиостанции приведена на рис.1. Приемник радиостанции собран по супергетеродинной схеме с промежуточной частотой 465 кГц и выполнен в основном на интегральных схемах серии К174. Рассмотрим его принципиальную схему. Сигнал из антенны WA1 через соединитель XS1, переключатель "приемпередача" SB2 (показан в положении "прием") и катушку связи L1 поступает на входной контур L2С1 усилителя радиочастоты, собранного на двухзатворном полевом транзисторе VT3, который обеспечивает высокое входное сопротивление и стабильное усиление сигнала. Резистор R8 ограничивает потребляемый ток до минимально возможного. ТЕХНИЧЕСКИЕ ДАННЫЕ РАДИОСТАНЦИИ:
Напряжение питания 6 В (4 элемента 316); Вес 0,3 кг; Габариты 170х75х20 мм; Антенна спиральная длиной 16 см; Дальность связи на открытой местности 5 км; Дальность связи в городе 1.5 км; Ток потребления в режиме приема 8 мА; Чувствительность приемника 0,3 мкВ при отношении с/ш 3:1; Избирательность по соседнему каналу 40 дБ; Избирательность по зеркальному каналу 30 дБ; Ток потребления в режиме передачи 90 мА; Выходная мощность передатчика 250 мВт (на нагрузке 50 Ом); Имеется тональный вызов корреспондента; Стабилизация частоты кварцевая; Промежуточная частота 465 кГц; Модуляция узкополосная частотная с девиацией 3 кГц.
[ Увеличить в новом окне ] Рис. 1 Усиленный сигнал рабочей частоты выделяется в контуре L3С8 и через катушку связи L4 поступает на преобразователь частоты, собранный на микросхеме DA1 типа К174ПС1. Гетеродин приемника выполнен на этой же микросхеме по схеме со стабилизацией частоты кварцевым резонатором ZQ1 26,655 МГц. Частота резонатора выбирается ниже рабочей частоты передатчика на 465 кГц. Номиналы конденсаторов С12, С13, С15 подобраны так, что резонатор возбуждается на третьей механической гармонике. Нагрузкой смесителя является резистор R15. Сигнал промежуточной частоты выделяется пьезокерамическим фильтром Z1 типа ФП 1П061.08 и поступает на микросхему DA2 типа К174УР7, которая выполняет функции усилителя промежуточной частоты, демодулятора и усилителя сигнала шумоподавителя. Контур демодулятора L10С28 настроен на частоту 465 кГц. С вывода 10 микросхемы DA2 демодулированный сигнал низкой частоты через фильтр СЗОR21С34 поступает на усилитель низкой частоты, выполненный на микросхеме DA3 К174УН4А, и далее на динамическую головку ВА1.
Рис. 2. Шумоподавитель выполнен на части микросхемы DA2, диодах VD3-VD5 и транзисторах VT7-VT9. Шум с выхода 10 микросхемы DA2 подается на усилитель (вывод 12). Усиленный сигнал с вывода 13 DA2 поступает на конденсатор С36, который пропускает шумовые составляющие сигнала значительно выше модулирующей частоты. Шумовая составляющая детектируется детектором, выполненным на диодах VD3, VD4, и отфильтровывается конденсатором С38. Постоянная времени шумоподавителя определяется емкостью конденсатора С38 и входным сопротивлением транзистора VT7. Далее сигнал проходит через усилитель на транзисторах VT7, VT8 и поступает на ключ на транзисторе VT9, который шунтирует вход усилителя низкой частоты при наличии шума. Порог шумопонижения можно регулировать резистором R22. Шумоподавитель работает при уровнях сигнала, начиная с 10 мкВ. Диод VD5 и резистор R26 служат для подзарядки конденсатора С38 во время передачи. Это необходимо для того, чтобы при переходе в режим приема не возникали хлопки шума. Передатчик радиостанции выполнен полностью на транзисторах. Сигнал с микрофона, в качестве которого используется динамическая головка ВА1, подается на эмиттер транзистора VT1. На транзистоpax VT1VT2 собран микрофонный усилительограничитель. С коллектора транзистора VT2 усиленный сигнал поступает на фильтр нижних частот с частотой среза 2-2,5 кГц, ВЫПОЛНЕННЫЙ на транзисторе VT4. Узел, собранный на транзисторах VT1, VT2, VT4 при переключении кнопки SB1 в нижнее положение работает как генератор синусоидального сигнала с частотой 1,5-2 кГц, что позволяет осуществлять тональный вызов корреспондента. На схеме положение кнопки SB1 соответствует усилению сигнала микрофона. Сигнал низкой частоты через резистор R13 поступает на варикапы VD1, VD2 и осуществляет частотную модуляцию задающего генератора, который собран на транзисторе VT5. Eго частота стабилизирована кварцевым резонатором ZQ2 27,120 МГц. Возбуждается кварцевый резонатор на третьей механической гармонике. Катушка L7 компенсирует статическую емкость кварца. Катушки L5 и L6 служат для точной установки рабочей частоты и девиации соответственно. Контур L9С20 настроен на первую гармонику кварцевого резонатора и предотвращает его возбуждение на этой частоте. Смещение транзистора VT5 задается резистором R17 и стабилизировано стабилизатором, выполненным на светодиодах HL1 и HL2. Сигнал с рабочей частотой выделяется на контуре L8С22 и через конденсатор С23 поступает на базу оконечного каскада, собранного на транзисторе VT6. Оконечный каскад работает в режиме класса С, что обеспечивает довольно высокий КПД. Усиленный сигнал через фильтр С28L12С29С31L13СЗЗ, кнопку коммутатора "прием-передача" и соединитель XSI поступает в антенну WA1. Питание радиостанции осуществляется от четырех элементов 316 ("Прима") или аккумуляторов НКГЦ-0,5-ПС. Через дроссель L14 оно подается на кнопку SB2, которая переключает питание при переходе с приема на передачу. ![]() Рис. 3. Печатная плата радиостанции (рис.3) выполнена из двухстороннего
фольгированного стеклотекстолита, причем фольга со стороны установки элементов
сохранена полностью и удаляется методом зенковки лишь под выводами, не
соединенными с общим проводом. Размеры печатной платы - 165х65 мм. В аппарате
все резисторы типа МЛТ 0,125. Переменный R22 с выключателем питания SA1 типа
СП4-ЗгМ. Электролитические конденсаторы типов К50-6, К50-16, К50-35 - на рабочее
напряжение 6 - 16 вольт, остальные конденсаторы типов КМ4. КМ5, КМ6, К10-7в, К
10-17б. Микросхемы DA1 - К174ПС1, DA2 - К174УР7, DA3 - К174УН4А; фильтр
ФП1П-061.08; головка динамическая - 0,2ГД6; соединитель XSI типа СР-50-73Ф;
кнопки SB1, SB2 - МП 1-3; светодиоды HL1, HL2 - АЛ307БМ, транзисторы VT1, VT2,
VT4, VT7, VT9 - КТ315Г, VT3 - КП350Б, VT5 - КТ368А, VT6 - КТ646А, VT8 - КТ361
Б.
Многие детали радиостанции, без снижения ее параметров, можно заменить. Микросхема DA1 К174ПС1 заменяется микросхемой К526ПС1 или, в крайнем случае, собирается дифференциальный каскад на трех транзисторах КТ315. Микросхему DA2 К174УР7 можно заменить микросхемами К174УР1, К174УРЗ, К526УР1, дополнив последние операционным усилителем для усиления сигнала шумоподавителя, как показано на рис.2. Транзисторы VT1, VT2, VT4, VT7, VT8, VT9 могут быть любые кремниевые соответствующей проводимости. VT3 - типа КП306, КП350 или КПЗОЗ, КП307 (при исключении резисторов R4, R5 и конденсатора СЗ). VT5 - типа КТ315, КТ316, КТ325, КТ355, КТ399 и т.д.. VT6 - КТ603, КТ608, КТ606, КТ610, КТ904, КТ911. Фильтр Z1 можно заменить любым пьезокерамическим фильтром на промежуточную частоту 465 кГц, при этом резисторы R 15 и R 16 следует выбрать равными входному и выходному сопротивлению фильтра соответственно. Диоды - любые кремниевые из серии КД503, КД522, Д233 и др. Варикапы VDl, VD2 - KB 109, KB 110, KB 124, Д901 с любым буквенным индексом. Светодиоды HL1, HL2 - АЛ102, АЛ307, АЛ336, АЛ341. Микросхему DA3 К174УН4А можно заменить на К174УН4Б. К174УН7, К 174УН14 с соответствующей схемой включения, или собрать усилитель низкой частоты на транзисторах. При замене комплектующих следует учитывать, что некоторые из них повлекут за собой увеличение габаритов и потребляемой мощности радиостанции. Налаживание радиостанции следует начинать с приемного тракта. Подав питание, проверяют работу усилителя низкой частоты. При напряжении на выводе 4 DA3 100 мВ и частоте I кГц на выводе 8 DA3 должно быть напряже-ние около 1 В. Далее, подают сигнал с частотой 465 кГц и девиацией частоты 3 кГц на вывод 1 микросхемы DA2 и настраивают контур L10 на максимальную громкость. Если будет наблюдаться возбуждение микросхемы DA2, то ка-тушку L10 следует зашунтировать резистором сопротивлением 5 - 10 кОм. Затем проверяют работу гетеродина но осциллографу или, приняв его частоту радиоприемником. При необходимости подбирают емкость конденсаторов С 12, С 13, С 15 до получения устойчивой генерации на третьей механической гармонике кварца ZQ1. Затем проверяют напряжение на истоке VT3. Оно должно быть около 0,5 В. Подав сигнал с рабочей частотой на соединитель XSI, вращением сердечников настраивают катушки L2 и L3 в резонанс. Затем измеряют чувствительность приемного тракта. Она должна быть не хуже 0,3 - 0,5 мкВ при отношении сигнал/шум на входе 3:1. Настройка передающего тракта начинается с задающего генератора. Временно закорачивают катушки L5 и L6 перемычками и подают напряжение питания на передатчик. Напряжение на светодиодах HL1, HL2 должно быть в пределах 3,5 - 4В. Вращая сердечник катушки L8, настраивают ее на максимум выходного. сигнала, контролируя его уровень по ВЧ вольтметру на коллекторе VT5. Растягивая и сжимая витки катушки L9, предотвращают возбуждение задающего генератора на первой гармонике кварца. Затем, подключив в качестве эквивалента антенны резистор сопротивлением 50 Ом и мощностью 0,25 Вт, растяжением сжатием витков катушек L12 и L13 добивают максимального выходного напряжения на не Оно должно быть не ниже 5 7В. Затем настраивают модулятор, предварительно удалив перемычки с катушек L5 и L6. Вместо резистора R3 временно впаивают переменный резистор сопротивлением 47 кОм. И меняя его сопротивление и контролируя частоту сигнала по радиоприемнику, настраивают передатчик на нужную частоту. Зажав кнопку SB1 контролируют напряжение низкой частоты на эмиттере VT4. Оно должно быть амплитудой около 0,1 В и частотой 1,5 2 кГ Прослушивая тональный вызов по приемнику и вращая сердечник катушки L6, добиваются максимальной не искаженной громкости. Вращением сердечника катушки L6 также добиваются наилучшего качества принимаемого сигнала, измеряют сопротивление переменно резистора и впаивают вместо него постоянны Антенну радиостанции изготавливают следующим образом. Берут кусок кабеля РК-50 с внутренней полиэтиленовой изоляцией диаметром 7 мм, удаляют оплетку и центральную жилу. На этот полиэтиленовый стержень наматывают плотно, виток к витку, провод ПЭВ диаметром 0,5 мм. на длину 160 мм. Полиэтиленовый стержень вместе с одним концом обмотки заплавляют разогретым паяльником соединитель СР-50-74ПВ, припаивают его к центральному контакту, а другой конец катушки временно закрепляют изолентой. Настраивают антенну следующим образом. Подключают ее к передатчику и, отматывая по одному витку, настраивают на максимум излучения. Контроль ведут индикатором напряженности поля. Затем закрепляют конец провода в полиэтиленовом стержне и обматывают антенну изолентой. Верх антенны закрывают колпачком из изоляционного материала. Корпус радиостанции выполнен из двух дюралюминиевых Нобразных пластин толщиной 1 мм. Размеры корпуса радиостанции 170х75х20 мм. В крышке корпуса просверлены отверстия под динамическую головку. На переднюю панель выведены регулятор порога шумопонижения R22, соединитель XS1 и один из светодиодов, который служит индикатором разряда батареи и индикатором режима передачи. Батарейный отсек расположен непосредственно на печатной плате. К проводящим дорожкам платы припаиваются пружинящие пластинки из фосфористой бронзы, между к которыми устанавливаются элементы батарей питания. Полевые испытания этой радиостанции дали очень хорошие результаты. На открытой местности связь была уверенной на расстоянии более 5 км, в условиях густо населенного района города - до 1,5 км. При испытании на водной поверхности связь была уверенной на расстоянии до 18 км. В.СТАСЕНКО |
