Что-то не так?
Пожалуйста, отключите Adblock.
Портал QRZ.RU существует только за счет рекламы, поэтому мы были бы Вам благодарны если Вы внесете сайт в список исключений. Мы стараемся размещать только релевантную рекламу, которая будет интересна не только рекламодателям, но и нашим читателям. Отключив Adblock, вы поможете не только нам, но и себе. Спасибо.
Как добавить наш сайт в исключения AdBlockРеклама
ПРОСТОЙ ОГРАНИЧИТЕЛЬ РЕЧЕВОГО СИГНАЛА
|
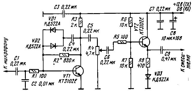
Для повышения эффективности и дальности SSB-связей используют ограничение сигнала по высокой (ВЧ) или низкой (НЧ) частоте. Лучшими параметрами обладают ВЧ-ограничители, в которых обработка сигнала происходит на промежуточной частоте. Они позволяют увеличить среднюю мощность сигнала передатчика на 6...9дБ. Незначительно, на 1...2 дБ, им уступают низкочастотные ограничители (сигнал обрабатывается в микрофонном усилителе). Но в то же время изготовить и настроить НЧ ограничитель значительно проще. На рис. 1 и 2 предлагаются схемы схемы НЧ ограничителей, эффективность которых значительно превосходит ранее опубликованные разработки автора [1,2]. Схема на рис. 1 содержит всего два каскада, первый из которых на транзисторе VT1 представляет собой логарифмирующий усилитель. В качестве логарифмирующих элементов использованы диоды VD1 и VD2, включенные встречно-параллельно в цепь отрицательной обратной связи. Применение германиевых диодов позволяет получить выходное напряжение усилителя до 200 мВ эфф., а применение кремниевых - до 600 мВ эфф. ![]() Puc.1 На транзисторе VT2 собран эмиттерный повторитель, позволяющий подключать усилитель практически к любому смесителю. Для регулировки уровня выходного ограниченного сигнала служит резистор R4. Применение этого резистора на выходе ограничителя позволяет использовать его как бы в качестве регулятора усиления по ПЧ в режиме передачи. Резисторы R1 и R5 предотвращают самовозбуждение каскада по постоянному току. Для этого в схеме (рис. 1) подбором резистора R2* устанавливается напряжение на коллекторе VT 1, равное +6 В. В схеме по рис. 2 такое же напряжение на коллекторах VT1 и VT2 устанавливается подбором резисторов R2* и R5* соответственно. Приведенные в статье схемы были реализованы автором в конструкциях SSB-трансиверов: прямого преобразования, с ЭМФ, с кварцевым фильтром. ![]() Puc.2 При использовании практически любого типа динамического микрофона ограничители показали хорошее качество получаемого SSB-сигнала и отсутствие перемодуляции при значительных изменениях уровней сигналов, подаваемых с микрофона. ЛИТЕРАТУРА
KB ЖУРНАЛ N2,1998 г., c.48-49
|

