Что-то не так?
Пожалуйста, отключите Adblock.
Портал QRZ.RU существует только за счет рекламы, поэтому мы были бы Вам благодарны если Вы внесете сайт в список исключений. Мы стараемся размещать только релевантную рекламу, которая будет интересна не только рекламодателям, но и нашим читателям. Отключив Adblock, вы поможете не только нам, но и себе. Спасибо.
Как добавить наш сайт в исключения AdBlockРеклама
Стробоскоп из фотовспышки "Луч"
|
Основу этого набора составляют импульсная лампа ИФК-120 с отражателем, размещенные в корпусе из ударопрочного полистирола, и импульсный трансформатор. Используя их, нетрудно собрать стробоскоп, который найдет применение в составе других световых автоматов дискотеки. Принципиальная схема одного из вариантов стробоскопа приведена на рис. 1. На транзисторах VT1 и VT2 собран генератор импульсов, представляющий собой триггер Шмитта с дополнительной цепочкой R3R1C1. При подаче питания транзистор VT1 поначалу закрыт, а VT2 — открыт. Эмиттерный ток транзистора VT2 протекает через делитель R4R5 и создает на его средней точке падение напряжения, равное примерно половине напряжения питания.— оно и удерживает транзистор VT1 в закрытом состоянии.
Через открытый транзистор VT2 и резисторы R3, R1 заряжается конденсатор С1. Как только напряжение, на нем превысит закрывающее транзистор VT1 напряжение, этот транзистор откроется. Напряжение на его коллекторе уменьшится, что приведет к закрыванию транзистора VT2 и уменьшению его тока эмиттера. Напряжение на средней точке делителя R4R5 уменьшится. Описанный процесс протекает, конечно, лавинообразно и приводит к полному открыванию транзистора VT1 и закрыванию VT2. Конденсатор С1 начинает разряжаться через эмиттерный переход транзистора VT1 и резистор R5. Через некоторое время напряжение на конденсаторе уменьшится настолько, что транзистор VT1 вновь закроется, а VT2 откроется. Триггер возвратится в исходное состояние. В результате на выходе генератора будут формироваться прямоугольные импульсы, частота следования которых зависит от номиналов резисторов R1, R3 и конденсатора С1.
Детали генератора и стабилизатора смонтированы на печатной плате (рис. 2) из фольгированного стеклотекстолита. Плату устанавливают в корпусе подходящих габаритов из изоляционного материала. Печатная плата разработана под транзисторы КТ315Г, постоянные резисторы МЛТ-0,5 и МЛТ-2 (R7, R8), электролитические конденсаторы К50-12 (можно К50-3). Вместо транзисторов КТ315Г подойдут другие маломощные кремниевые транзисторы структуры п-р-п и со статическим коэффициентом передачи тока не менее 50. Постоянные резисторы (кроме R7 и R8) могут быть МЛТ-0,25 и даже МЛТ-0,125. Резистор R10 — проволочный, мощностью не менее 10 Вт. Конденсаторы С4 и С5 должны быть на номинальное напряжение не ниже 300 В. Переменный резистор R3 —СПО-0,5 или аналогичный. Тринистор, конденсаторы С2, С4, резисторы R6, R9 установлены вместе с трансформатором Т1 и импульсной лампой на гетинаксовой плате, укрепленной в корпусе лампы под отражателем. Если в вашем распоряжении есть однопереходный транзистор, импульсный генератор можно упростить, собрав его по схеме, приведенной на рис. 3. Такой генератор вырабатывает короткие импульсы, поэтому дифференцирующая цепочка не нужна и импульсы запуска подаются непосредственно с одной из баз транзистора VT1 на управляющий электрод тринистора. Размещение деталей на плате для этого варианта показано на рис. 4. Вместо однопереходного транзистора хорошо работает его аналог, выполненный на двух транзисторах по схеме, приведенной на рис. 5. ![]()
В этих генераторах частоту следования импульсов, а значит, и частоту вспышек регулируют резистором R1. Вместо транзисторов КТ361Г и КТ315Г подойдут другие маломощные транзисторы соответствующей структуры, например, серий МП37 и МП40. Вариант расположения деталей генератора на аналоге однопереходного транзистора приведен на рис. 6. Если при проверке работоспособности генераторов на однопереходном транзисторе и его аналоге выходных импульсов не будет, следует подобрать точнее резистор R3 для генератора по схеме на рис. 3 или R4 для генератора по схеме на рис. 5. ![]()
При использовании указанных на принципиальных схемах деталей, любой из стробоскопов начинает работать сразу при включении его в сеть и в дополнительном налаживании не нуждается. Частоту вспышек регулируют в пределах от 1 до 8 Гц. Максимальную частоту можно увеличить уменьшением сопротивления резистора, включенного последовательно с переменным резистором. Для уменьшения минимальной частоты устанавливают конденсатор С1 большей емкости или переменный резистор с большим сопротивлением. В больших помещениях мощности одной лампы ИФК-120 может оказаться недостаточно. И тогда понадобится несколько стробоскопов, работающих синхронно. В этом случае один из стробоскопов собирают по любой из предложенных схем. а к остальным подключают вместо генераторов бесконтактные синхронизаторы.
Б. ХАЙКИН |
С выхода генератора импульсы подаются через дифференцирующую цепочку C2R6 на управляющий электрод тринистора VS1. С приходом каждого импульса тринистор открывается и разряжает конденсатор С4 через обмотку 1 трансформатора Т1. На обмотке 11 появляется импульс высокого напряжения, поступающий на поджигающий электрод лампы VL1. Она вспыхивает и разряжает накопительный конденсатор С5 (конденсаторы С4 и С5 заряжаются в промежутках между импульсами генератора). Питается стробоскоп от сети переменного тока через однополупериодный выпрямитель на диоде VD2. Для питания генератора использован параметрический стабилизатор, состоящий из балластных резисторов R7, R8 и стабилитрона VD1.


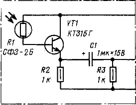
Принципиальная схема одного из таких синхронизаторов приведена на рис. 7. Световые импульсы, излучаемые активным стробоскопом, преобразуются фоторезистором R1 в импульсы тока, которые усиливаются транзистором VT1 и подаются через конденсатор С! на управляющий электрод тринистора. Вместо фоторезистора СФЗ-2Б можно использовать СФЗ-1 или фотодиод (его включают анодом к базе транзистора). Транзистор синхронизатора должен быть со статическим коэффициентом передачи тока не менее 200. Если такого транзистора не окажется, лучше заменить его составным транзистором из двух кремниевых транзисторов с максимальным коэффициентом передачи тока. Для увеличения чувствительности синхронизатора перед фоторезистором устанавливают линзу, например от часовой лупы. Следует учесть, что синхронизатор нормально работает в затемненном помещении, а достаточно яркое внешнее освещение резко снижает его чувствительность.