Что-то не так?
Пожалуйста, отключите Adblock.
Портал QRZ.RU существует только за счет рекламы, поэтому мы были бы Вам благодарны если Вы внесете сайт в список исключений. Мы стараемся размещать только релевантную рекламу, которая будет интересна не только рекламодателям, но и нашим читателям. Отключив Adblock, вы поможете не только нам, но и себе. Спасибо.
Как добавить наш сайт в исключения AdBlockРеклама
СВАРОЧНЫЙ МАЛОГАБАРИТНЫЙ
|
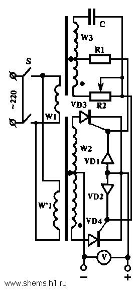
Радиолюбителю нужны не только транзисторы, конденсаторы, микросхемы. Часто просто необходимо иметь даже такое устройство, как сварочный аппарат. Но они, как правило, огромны и тяжеловесны. Однако выход есть, если изготовить аппарат по описанию в журнале " Изобретатель и рационализатор". Вот что пишет о нем автор. "Думаю, вас заинтересует переносной сварочный аппарат весом всего в 26 кг. Питающее напряжение промышленных сварочных аппаратов 380 В, что не всегда удобно и всегда небезопасно. Главную тяжесть сварочного аппарата составляет трансформатор с Ш-образным сердечником. У лабораторного автотрансформатора /ЛАТР/ сердечник круглый, в виде бублика. Взял два сердечника от ЛАТРов, с внутренней стороны каждого отмотал часть стальной ленты, образующей сердечник, так, что дырка бублика стала больше, и разместил первичную обмотку трансорматора /WI/, как показано на рисунке. Чтобы площадь сечения сердечника не изменилась, перед установкой обмотки снятую часть стальной ленты намотал на внешнюю сторону сердечника-бублика. Провод для первичной и вторичной обмоток я подобрал из расчета, что ток сварки - 80 А, то есть можно варить трехмиллиметровым электродом. Так я получил компактный и довольно легкий сварочный трансформатор. ![]() Puc.1 Детали сварочного аппарата: R1 - нерегулируемое сопротивление 10 Ом, 10 Вт, R2 - регулируемое сопротивление 1-2ком, 10Вт. VD1,2 - диоды Д226, VD3,4 - тиристоры Т160. S - пакетный выключатель на ток до 50 А. W1, W2, W3 - обмотки трансформатора. V - вольтметр. Конденсатор С - 0,5 мкф, 160 В. Вторая задача - добиться плавного регулирования сварочного тока, для чего нужно иметь возможность менять вторичное напряжение. Это особено важно, когда сварщик работает далеко от питающей сети и ему желательно поднять напряжение, чтобы скомпенсировать потери в длинных проводах. В сварочных аппаратах, выпускаемых промышленностью, напряжение регулируется грубо, ступенчато, переключением обмоток. Свой я снабдил схемой выпрямления напряжения, построенной на тиристорах /см. схему/. Для надежности взял тиристоры на рабочий ток, вдвое превышающий ток сварочного аппарата. На выходе аппарата получил выпрямленное регулируемое напряжение до 50 В. Выходные данные аппарата позволили использовать его и для зарядки аккумуляторов. Если выходные клеммы присоединить к аккумулятору, он поможет завести автомобиль. Поскольку аппарат легко переносить, им можно пользоваться и как источником постоянного тока, если где-то вдали от питающей сети потребуется паяльник или другой инструмент с напряжением ниже 50 В. Размеры аппарата 400х220х220 мм, каркас сварен из алюминиевых уголков 20х20 мм, панели алюминиевые толщиной 2,5 - 3 мм. В верхней, нижней и передней высверлены отверстия для вентиляции. К боковой стенке приварена полочка, на которой установлены тиристоры. Их радиаторы отделены от стенки и каркаса изолирующими втулками. ![]() Puc.2 Трансформатор можно выполнить и на другом железе, например, типа ШЛ. Но тогда увеличится объем сердечника трансформатора, а с ним и всего аппарата, да и магнитные характеристики будут хуже. При намотке вторичной обмотки трансформатора не забудьте охватить ею оба кольца сердечника, иначе не получите на выходе аппарата желаемого напряжения 50 В. На схеме точками обозначено, где начало обмоток. Очень важна правильная фазировка вторичной и управляющей обмоток. Если захотите расширить диапазон регулирования напряжения, поставьте конденсатор типа МБГО в 10 мкф на 160 В. На схеме не показан автомат со стороны питающего напряжения 220 В. Он необходим и для включения-выключения аппарата, и для защиты от перегрева. У меня был под рукой автомат АП-50 с тепловым расцепителем на 40 А. Можно поставить любой другой автомат, лишь бы он подходил по параметрам. Если необходимо варить часто, то во избежание неприятностей купите счетчик на 40 А. Замечу, что при токе сварки 80 А /трехмиллиметровый электрод/ из сети потребляется ток не более 20 ампер. В этом режиме аппарат может работать длительное время..При сварке электродами большего диаметра время сварки придется сократить. Так, если потребуется варить пяти-миллиметровым электродом, то, израсходовав два электрода, почувствуете, что аппарат перегрелся, а это крайне нежелательно". Примечания к рисунку и схеме. На два круглых сердечника с диаметром отверстия 80 мм намотана первичная обмотка W1 двумя участками по 240 витков, провод ПЭТВ-2 диаметром 1,6 мм. Вторичная обмотка W2 выполнена из профильного провода ПЭТВП сечением 20 мм. Мотается сначала 24 витка, потом еще 24, и затем участки соединяются последовательно. Обмотка управления W3 наматывается на любое из двух колец сердечника проводом ПЭВ-2 диаметром 0,35 мм. Мотать лучше всего сразу двумя проводами, а сделав 24 витка, соединить два участка последовательно. РЛ №1, 1991
|

