Что-то не так?
Пожалуйста, отключите Adblock.
Портал QRZ.RU существует только за счет рекламы, поэтому мы были бы Вам благодарны если Вы внесете сайт в список исключений. Мы стараемся размещать только релевантную рекламу, которая будет интересна не только рекламодателям, но и нашим читателям. Отключив Adblock, вы поможете не только нам, но и себе. Спасибо.
Как добавить наш сайт в исключения AdBlockРеклама
Лампа дневного света
|
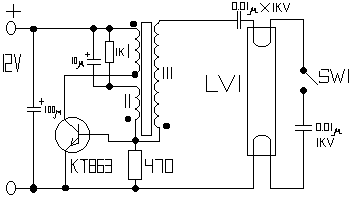
Трансформатор мотается на феритовом Ш-образном сердечнике Ш8х8. Обязательно выполнение нескольких условий: Первое, поскольку частота преобразования находится в пределах 10-12КГц, то намотку надо вести внатяг виток к витку, с перекладыванием каждого слоя либо конденсаторной бумагой либо фторопластовой лентой. Второе, после намотки всех обмоток трансформатор нужно проварить либо в воске, либо пропитать эпоксидной смолой, разведЈнной в спирту. Транзистор можно взять и КТ827, но предложеный автором лучше, так как обладает лучшими характеристиками. Если корпус конструкции у вас аллюминевый, то корпус можно использовать в качестве теплоотвода, в противном случае транзистор установите на аллюминевую плавсину размерами: по длине 70мм, по высоте 30мм и по толщине 5мм, которая будет играть роль теплоотвода. Внимание! Коллекторный вывод транзистора не должен быть подключен к теплоотводу, а должен быть установлен через слюдяную прокладку с применением термопасты. Намоточные данные трансформатора приведены ниже:
Начала всех обмоток на схеме помечены точками. Первой наматывают третью обмотку, затем к выводу третьей обмотки, которым вы закончили намотку, прикрепляют вывод второй обмотки и наматывают еЈ в обратную сторону-так вы не ошибЈтесь с фазировкой обмоток. Проложив это толстым изолирующим слоем наматывают первую обмотку. После сборки внимание на монтаж. Не допустили
ли вы ошибок в монтаже. Не подкупайтесь на простоту схемы. Как показывает
практика, чаще всего не работают именно простые схемы именно из-за нежелания
собирающих лишний раз проверить правильность монтажа. Если всЈ правильно, то
подключайте лампу, а затем подавайте питание(Не наоборот! Иначе трансформатор
может пробить!). Если лампа не загорелась и не слышно характерного писка
генерации, то скорее всего перепутаны выводы обмотки I. Перебросьте концы обмотки-генерация
должна возникнуть. Если опять нет генерации, то вероятно, транзистор пробит. У
КТ863 выводы расположены с права налево: база, коллектор, эмиттер. Если всЈ
подключено верно, то генерация должна быть. На всякий случай понажимайте
на SW1. Важная деталь-кнопка должна иметь хорошую изоляцию! Когда я собирал это устройство, то печатной платы не делал, а всЈ собирал навесным монтажом, но если вам интересно, то
печатную плату можете сделать-устройсво получится надЈжнее.
|
Данная схема позволяет запускать миниатюрные лампы дневного света от 5 до 20 Вт с подбором блокировочного конденсатора. Схема работает от аккумулятора автомобиля в течение 60 часов, так как ток потребляемый схемой составляет всего 750мА. И автомобильного аккумулятора хватает очень на долго! Схему можно так же питать и от блока питания, если предполагается еЈ использовать дома в качестве местного источника света. Кнопка 1 служит для поджига лампы, если этого не произошло сразу, но обычно лампы зажигаются сами. Удобнее всего всЈ смонтировать в миниатюрном корпусе от лампы дневного света. Но если вы всЈ же хотите начать с нуля, то сначала вам надо запастись лампой, чтобы изходя из еЈ реальных размеров делать корпус.