Что-то не так?
Пожалуйста, отключите Adblock.
Портал QRZ.RU существует только за счет рекламы, поэтому мы были бы Вам благодарны если Вы внесете сайт в список исключений. Мы стараемся размещать только релевантную рекламу, которая будет интересна не только рекламодателям, но и нашим читателям. Отключив Adblock, вы поможете не только нам, но и себе. Спасибо.
Как добавить наш сайт в исключения AdBlockРеклама
Автомат выключения освещения с задержкой
|
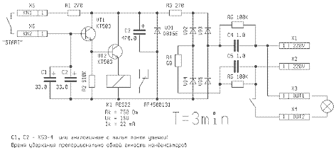
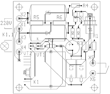
Как-то один очень хороший человек попросил сделать ему устройство что бы он, например идет домой, заходит с улицы в общий коридор, оно бы свет ему включило и выключило после того как он закроет входную дверь, дойдет до своей двери и зайдет домой. Потом можно и погасить свет. Но чтобы еще было и просто как обычно светом пользоваться. Да чтобы еще оно и простое было и к тому же без источника питания (это он так понимает когда ни тебе трансформатора, ни выключателя, ни корпуса). Что из этой затеи получилось - на схеме. ![]() ![]() Схема и рисунок односторонней печатной платы На двери устанавливаем концевой выключатель и параллелим его с обычным. Когда дверь открывается через резистор R1 открываются транзисторы, заряжаются конденсаторы С1 и С2, срабатывает реле и нам светло. Закрываем дверь, конденсаторы С1 и С2 разряжаются и свет продолжает гореть примерно три минуты. Сам подбирал как было заказано. Применил К53-4 две штуки для уменьшения габаритов. Другие типы имеют большие токи утечки и как следствие малое время включения. Если бумажные ставить так это же какие размеры будут. Короче, какое нужно время срабатывания и какие размеры - такие конденсаторы и ставить. Питается схема от простейшего выпрямителя с гасящими конденсаторами C4 и C5 емкостью 1мкф на 250 вольт. Часто в телефонных розетках такие стоят. Параметры реле указаны на схеме. Напряжение стабилизации определяется напряжением срабатывания реле. Следует соблюдать меры предосторожности при монтаже устройства, т.к. оно имеет бестрансформаторный источник питания. Подробнее... Сергей Чернов |

