Что-то не так?
Пожалуйста, отключите Adblock.
Портал QRZ.RU существует только за счет рекламы, поэтому мы были бы Вам благодарны если Вы внесете сайт в список исключений. Мы стараемся размещать только релевантную рекламу, которая будет интересна не только рекламодателям, но и нашим читателям. Отключив Adblock, вы поможете не только нам, но и себе. Спасибо.
Как добавить наш сайт в исключения AdBlockРеклама
Автомат выключения освещения в подсобных помещениях
|
Автор публикуемой статьи перепробовал большое число автоматических выключателей в подсобных помещениях и остановил свой выбор на конструкции, которая служит ему уже более десяти лет. Разработанное им устройство, кроме простого схемного решения, отличается от известных уже нашим читателям еще и тем, что оно при закрытой двери помещения и погашенном освещении находится в обесточенном состоянии.
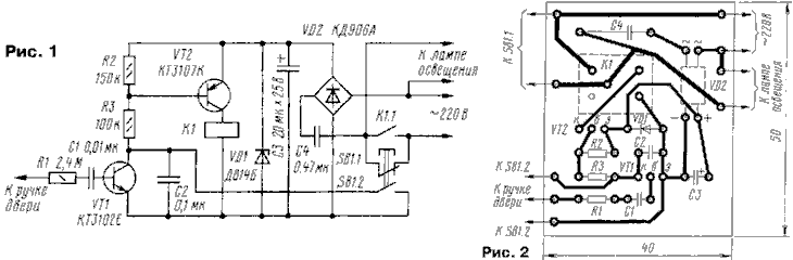
Принципиальная схема устройства приведена на рис. 1. Кнопочный переключатель SB1 размещен на косяке над дверью. Находящаяся внутри помещения ручка двери выполнена из токопроводящего материала и соединена проводом с выводом резистора R1. Показанное на схеме положение контактов переключателя SB1 соответствует открытой двери. В этом случае через замкнутые контакты SB1.1 напряжение питания подается и на устройство, и на лампу освещения. Транзисторы VT1, VT2 при этом закрыты, и реле К1 обесточено. Когда дверь закрывается снаружи помещения, контакты переключателя SB1.1 разрывают цепь питания раньше, чем замыкаются контакты SB1.2, в результате осветительная лампа гаснет и устройство обесточивается. При закрывании двери изнутри помещения переменное напряжение, наводящееся на тело человека, в момент касания внутренней ручки через резистор R1 и конденсатор С1 поступает на базу транзистора VT1, который открывается, и на резисторе R2 появляется напряжение, открывающее транзистор VT2 Реле К1 срабатывает, его контакты К1 1 блокируют контакты переключателя (SB1). При полном закрывании двери контакты SB1.1 размыкаются, контакты SB1.2 замыкаются, удерживая транзистор VT2 в открытом состоянии и после отпускания ручки двери. Детали автоматического выключателя размещены на печатной плате размерами 40х50 мм, выполненной из одностороннего фольгированного стеклотекстолита толщиной 1 мм (рис. 2) Плата размещена в пластмассовой коробке, закрепленной над дверью. Использованы резисторы МЛТ-0,125 конденсаторы КМ-6 (С2), К50-6 (СЗ) и К73-17 (С1) на рабочее напряжение 630 В и С4 — на 250 В. Вместо VT1 может работать любой маломощный транзистор соответствующей структуры с коэффициентом передачи тока базы 150 200, а на месте транзистора VT2 — любой транзистор этой же серии с коэффициентом передачи тока базы не менее 450 500. Диодный мост КД906А (VD2) заменим на диоды КД906Б, КД906В или на малогабаритный диодный мост другой серии (КЦ407А, например) Можно также выполнить мост из диодов серий КД102, КД103, КД522 и других, однако это потребует изменения рисунка печатной платы Вместо стабилитрона Д814Б подойдет КС510А. Электромагнитное реле К1 — РЭС-10, паспорт РС4524308, РС4524311 или РС4524321. Если емкость конденсатора С4 увеличить с 0,47 до 0 68 мкф а в качестве VDI применить стабилитрон КС512А то подойдет и реле РЭС-10 с паспортами РС524 303, РС4 524 312, РС4 524 322. В качестве SB1 применен широкораспространенный кнопочный переключатель ЕИ721000. При его отсутствии можно использовать любой подходящий по коммутируемым напряжению и току кнопочный переключатель (например, КМ2-1). Единственное условие замены — при закрывании двери размыкание контактов SB1.1 должно происходить раньше замыкания контактов SB1.2 Дверную ручку соединяют с устройством двумя свитыми проводами желательно использовать провода от телефонной трубки. Один проводник подключает ручку к резистору R1 второй—соединен с минусовым выводом СЗ. В месте перехода провода от двери к косяку делают петлю. При налаживании автоматического выключателя следует соблюдать осторожность, поскольку блок его питания выполнен по бестрансформаторной схеме. Сначала, еще до подсоединения переключателя SB1, включают устройство в сеть и, коснувшись рукой вывода платы предназначенного для соединения с дверной ручкой, проверяют, срабатывает ли реле К1. Затем установив выключатель на место, соединяют его с ручкой двери и переключателем SB1 и убеждаются в том, что при открытой двери реле К1 срабатывает только в момент когда человек коснется рукой дверной ручки. Если этого не происходит, необходимо подобрать емкость конденсатора С1. Желательно чтобы ее значение было минимально возможным. Далее закрывают дверь с наружной стороны. При этом лампа освещения должна погаснуть. Если же она продолжает гореть, нужно уменьшить емкость конденсатора СЗ. В заключение проверяют работу устройства при закрывании двери помещения изнутри. Остается добавить, что внутренняя ручка двери может быть выполнена и из изоляционного материала, но в этом случае на ее тыльную поверхность нуж но приклеить пластинку медной фольги, к которой припаять провод, идущий к автоматическому выключателю. Все цепи устройства гальванически связаны с сетью поэтому при сборке и эксплуатации следует исключить возможность касания его элементов кроме левого по схеме вывода резистора R1. Следует тщательно закодировать конец экранирующего провода свитого с проводом к ручке. Для ограничения броска тока при включении последовательно с любым из выводов диодного моста VD2 целесообразно установить резистор 43...56 Ом 0,5 Вт. Радио №8 2000 |