Что-то не так?
Пожалуйста, отключите Adblock.
Портал QRZ.RU существует только за счет рекламы, поэтому мы были бы Вам благодарны если Вы внесете сайт в список исключений. Мы стараемся размещать только релевантную рекламу, которая будет интересна не только рекламодателям, но и нашим читателям. Отключив Adblock, вы поможете не только нам, но и себе. Спасибо.
Как добавить наш сайт в исключения AdBlockРеклама
Переносная люминисцентная лампа
|
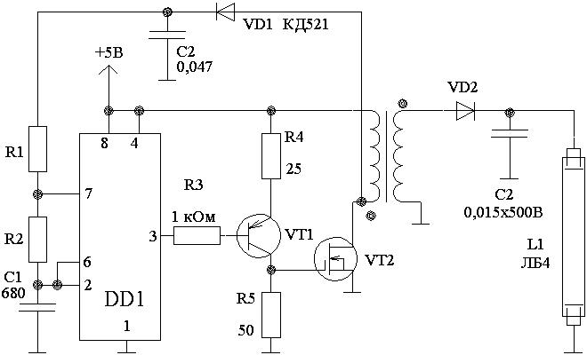
Схема расчитана на питание 5В, но от 12 она работает даже лучше, только нужно увеличить R4 раза в два и подобрать параметры импульсов. Микросхема DD1 генерирует импульсы с характерсистиками, определяемыми R1,R2,C1. Импульсы усиливаются транзистором VT1 и поступают на затвор импульсного транзистора VT2, а на стоке VT2 сигнал все время держится на Uп (12V), на протяжении импульса просаживается до земли (ток через первичную обмотку при этом линейно нарастает), а после закрывания транзистора происходит выброс (обычно больше 10V на первичной обмотке), который повторяется и на вторичной обмотке, через VT2 заряжая C3 и обеспечивая ток через лампу. Hа стоке VT2 сигнал в "холодном" режиме должен быть примерно таким:
Цепочка VD1 C2 предназначена для запуска лампы в оптимальном режиме. После включения схемы лампа находится в "холодном" режиме работы с низким КПД. При этом на лампе падает напряжение около 250 В, а на стоке VT2 выбросы при этом достикают 10 В, апряжение на C2 достигает примерно такой же величины, при этом за счет более быстрого заряда C1 промежутки между импульсами уменьшаются, за счет чего возрастает выходная мощность. После перехода лампы в "горячий" режим напряжение на ней падает до 50В, Выбросы на стоке VT2 значительно уменьшаются, мощность падает до номинальной. Такое решение позволяет снизить потребляемую мощноcть до одного ватта без перехода в "холодный" режим. Для увеличения мощности уменьшаем длительность паузы, что достигается регулировкой R1. При максимальной мощности длительность импульса будет почти равна длительности паузы. Рекомендую для начала впаять вместо R1 переменный резистор 100 К, а вместо R2 впаять 4,7 К и подобрать желательный режим под конкретную лампу. DD1 - 555 или полный отечественный аналог 1006ВИ1. VT1 - KT3107Д или близкий VT2 - КП946Б. Транзистор странный, больше похож на биполярный, чем на полевой. Можно заменить любым импульсным транзистором, как полевым, так и биполярным (возможно, придется подобрать R4 /R5). Транзистор должен держать напряжение >80В ( KT946 - 500В ) и иметь небольшое падение напряжения при токе 1А. Трансформатор: у меня был намотан на кольце М400 20х12х6, сейчас броневой сердечник СБ-20 из беспородного феррита с близкими результатами. I обмотка - 10 витков толстым проводом ( 0.5 мм ), II - 150 витков тонким проводом ( 0.2 мм ). А на броневом сердечнике первичная 5 витков, вторичная 100. Вторую обмотку следует мотать с учетом того, что на ней будут высоковольтные броски! Советую мотать не менее чем в два изолированных слоя ( или секции ), и следить, чтобы витки из начала и конца намотки не касались друг друга. Если марка феррита отличается, можно поиграть с длиной импульса для получения наилучшего КПД. VD2 - любой с обратным напряжением >=1кВ. Лампа ЛБ4. Александр Пуриков
|