Что-то не так?
Пожалуйста, отключите Adblock.
Портал QRZ.RU существует только за счет рекламы, поэтому мы были бы Вам благодарны если Вы внесете сайт в список исключений. Мы стараемся размещать только релевантную рекламу, которая будет интересна не только рекламодателям, но и нашим читателям. Отключив Adblock, вы поможете не только нам, но и себе. Спасибо.
Как добавить наш сайт в исключения AdBlockРеклама
Автомат задержки выключения освещения
|
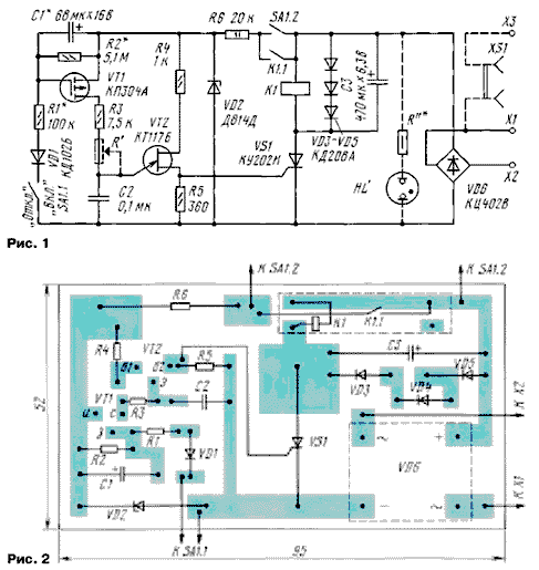
Это устройство предназначено для плавного включения и задержки выключения освещения в помещениях. Его особенность - в ждущем режиме оно практически не потребляет энергии от сети. Это особенно важно для помещений, которые посещаются не слишком часто, например, для гаража. Принципиальная схема предлагаемого вниманию читателей автомата приведена на рис. 1. Его можно установить взамен обычного выключателя освещения. Работает оно следующим образом. В исходном состоянии контакты выключателя SA1 разомкнуты и через устройство протекают только токи утечки тринистора VS1, а также ток индикаторной лампы HL' (доли миллиампера). Освещение при этом выключено. При замыкании контактов выключателя SA1 питающее напряжение поступает на генератор импульсов, собранный на однопереходном транзисторе VT2. Однако работать он не будет до тех пор, пока напряжение на конденсаторе С1, заряжающемся через диод VD1 и резистор R1, не достигнет уровня, достаточного для открывания транзистора VT1. По мере того как этот транзистор открывается, на выходе генератора начнут появляться импульсы, сдвигающиеся во времени от конца к началу каждого полупериода сетевого напряжения. Импульсы будут открывать тринистор VS1. В результате напряжение на осветительных лампах начнет плавно увеличиваться и через несколько секунд достигнет своего номинального значения.
Ток, протекающий через лампы, пройдет и через обмотку реле К1, которое сработает и своими контактами заблокирует контакты выключателя SA1.2. В таком состоянии устройство может находиться сколь угодно долго. Для ограничения напряжения на обмотке реле параллельно ей включены диоды VD3 - VD5. Пульсации сглаживает конденсатор С3. Для выключения освещения SA1 переводят в положение "Откл.". Однако освещение будет оставаться включенным до тех пор, пока напряжение на конденсаторе С1 будет достаточным для поддержания транзистора VT1 в открытом состоянии. По мере разрядки конденсатора через резистор R2 ток через транзистор VT1 начнет плавно уменьшаться, и импульсы на выходе генератора станут отодвигаться от начала полупериода сетевого напряжения к его концу. В итоге напряжение на лампах накаливания снизится и яркость их свечения упадет. Когда же ток через лампы станет меньше тока удержания реле, его контакты разомкнутся, генератор перестанет работать, тринистор не будет открываться и лампы освещения погаснут совсем. Время задержки выключения освещения составляет несколько минут и зависит от характеристик транзистора VT1 и постоянной времени цепи C1R2. Время полного включения освещения составляет несколько секунд и определяется постоянной времени цепи R1C1. Большинство деталей автомата размещены на печатной плате из одностороннего фольгированного стеклотекстолита, эскиз которой приведен на рис. 2. Можно использовать транзисторы КП301А (VT1) и КТ117(А-Г) (VT2), тринистор - КУ202КН, диод VD1 - КД103А, КД104А, КД521А, КД522А, КД522Б и другие аналогичные, стабилитрон - с напряжением стабилизации 12...15 В и рабочим током не менее 20 мА. Конденсаторы С1, С3 - К50-24, К53-14, С2 - КЛС, КМ-5 и аналогичные, резисторы - МЛТ, С2-33. Переключатель SA1 - П2К, МТ-3. Реле К1 - РЭС-55 (паспорт РС4.569.603) с сопротивлением обмотки 95 Ом и напряжением срабатывания около 2,5 В, подойдут также РЭС-44 (РС4.569.251 с параллельным соединением обмоток), РЭС-10 (РС4.524.304) с сопротивлением обмотки 45 Ом и РЭС-9 (РС4.524.203) с сопротивлением обмотки 30 Ом. При выборе реле следует учитывать, что ток его срабатывания должен быть меньше, чем ток, потребляемый осветительными лампами, а ток отпускания меньше, чем ток утечки тринистора.Число последовательно включенных диодов VD3-VD5 должно быть таким, чтобы напряжение на реле соответствовало его напряжению срабатывания. Сами диоды, а также диодный мост VD6 должны выдерживать ток, потребляемый лампами. При использовании указанных на схеме диодов мощность ламп может достигать 220 Вт, а тринистор не потребует теплоотвода. В случае же более мощной нагрузки придется применить и более мощные диоды, а тринистор установить на теплоотвод. Емкость конденсатора С3 нужно увеличить в два-три раза, если сопротивление обмотки реле будет менее 80...90 Ом. Налаживание автомата сводится к установке времени включения ламп (подбором резистора R1) и времени задержки их выключения (подбором резистора R2 - плавно и конденсатора С1 - грубо). Индикаторная газоразрядная (ТН-0,2, ТН-0,5, МН-3 и т. д.) лампа HL' нужна в том случае, когда автомат размещают в темном помещении и необходимо обозначить место его расположения. Сопротивление резистора R'' зависит от типа лампы. При необходимости иметь плавную ручную регулировку яркости освещения в автомат надо ввести резистор R' - 100 кОм (СП-0,4, СП4-3), установив его на передней панели. Его, кстати, можно совместить и с выключателем SA1. Как уже было отмечено, автомат включают взамен штатного выключателя (контакты Х1, Х2) последовательно с нагрузкой. При использовании отдельной проводки сетевое напряжение подают на контакты Х2, Х3, а нагрузку подключают к гнездам XS1. Все элементы устройства находятся под напряжением сети, поэтому его конструкция должна исключать возможность касания деталей при эксплуатации. Следует быть предельно осторожным при настройке. Все замены элементов, перепайки, подсоединение измерительных приборов следует производить при полностью отключенном от сети устройстве, для чего надо выдернуть из сети вилку, которой оно включено в сеть. Подробнее... Радио №6, 1999 |