Что-то не так?
Пожалуйста, отключите Adblock.
Портал QRZ.RU существует только за счет рекламы, поэтому мы были бы Вам благодарны если Вы внесете сайт в список исключений. Мы стараемся размещать только релевантную рекламу, которая будет интересна не только рекламодателям, но и нашим читателям. Отключив Adblock, вы поможете не только нам, но и себе. Спасибо.
Как добавить наш сайт в исключения AdBlockРеклама
Инфракрасная система управления светом
|
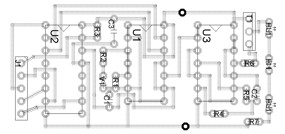
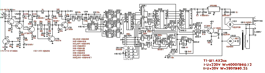
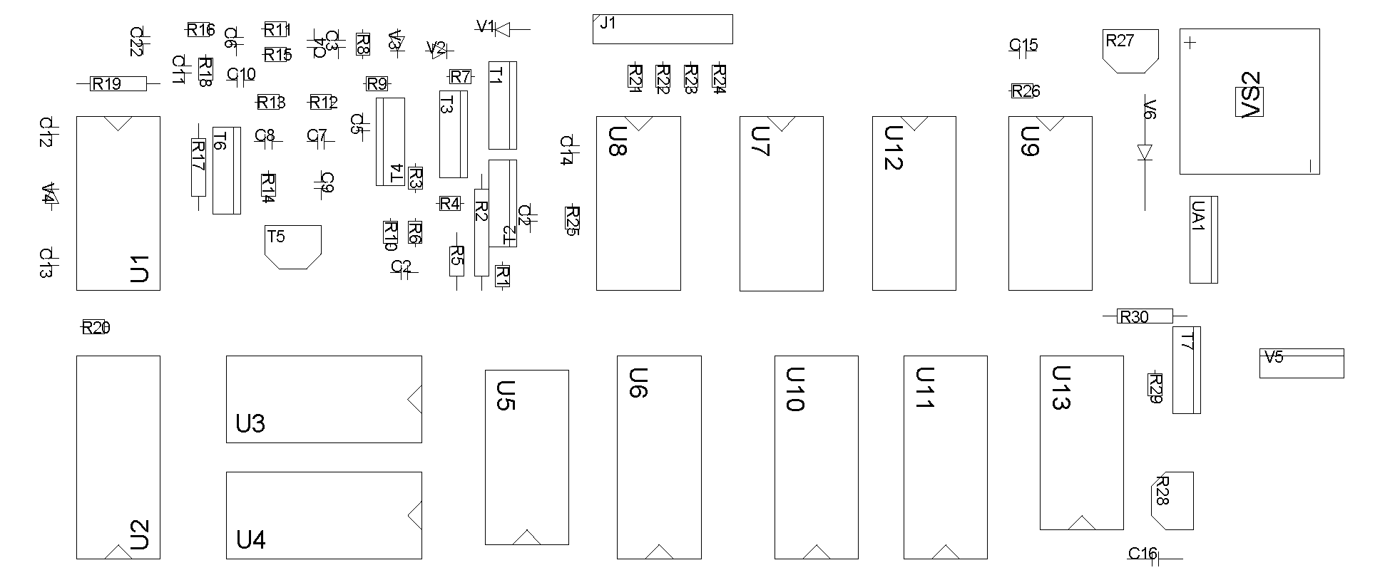
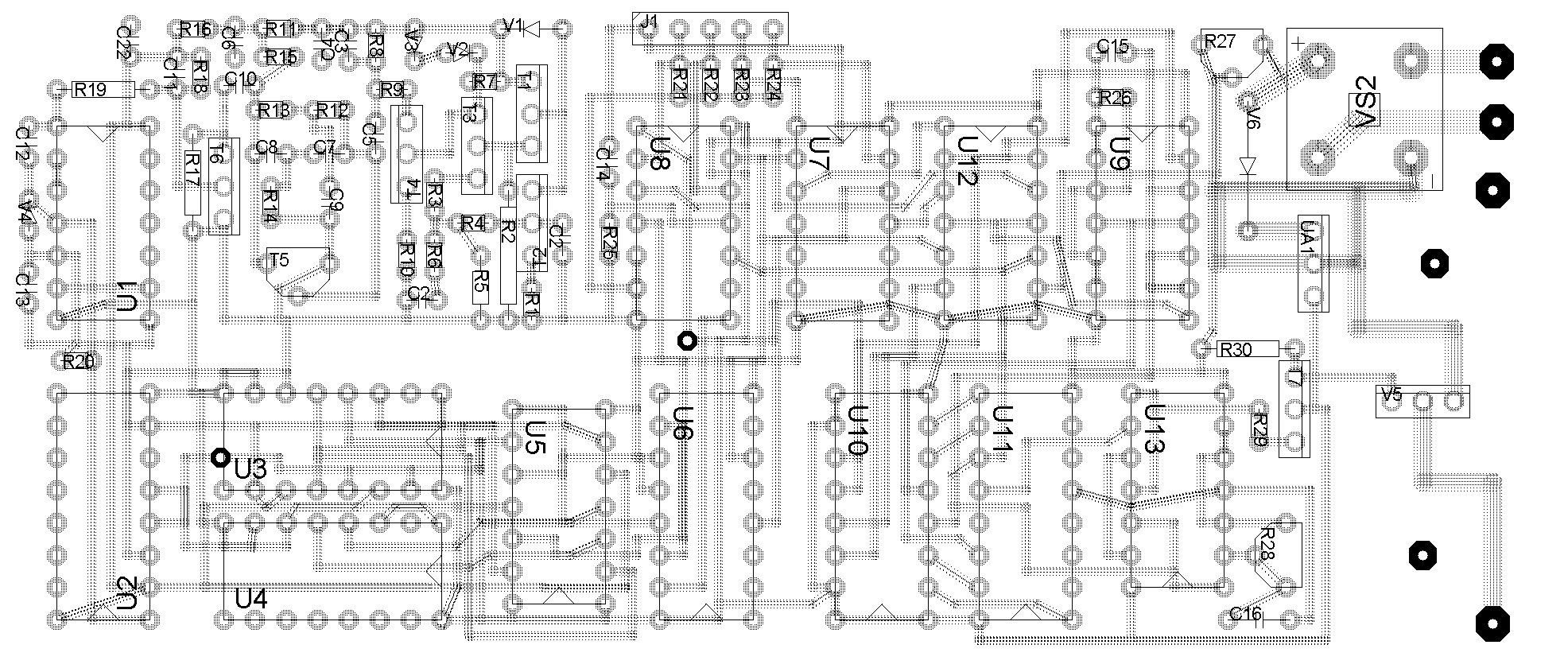
Описываемая здесь система инфракрасного управления обладает повышенной помехоустойчивостью, что достигнуто многократной передачей команд. При этом дешифратор выдает сигнал о приеме соответствующей команды лишь в том случае, когда по крайне мере в двух из трех подряд принятых команд содержится одна и та же информация. Для передачи команд используется числоимпульсный код. Шифратор передатчика построен на двух цифровых КМОП-микросхемах серии 561 (рис.1, DD1, DD2). На элементах DD1.1 и DD1.2 собран генератор прямоугольных импульсов, работающий на частоте около 200 Гц. В связи с тем что порог переключения КМОП-элементов не соответствует точно половине напряжения питания, для симметрирования импульсов в традиционную схему генератора добавлены элементы R2 и VD1.
Импульсы генератора подаются на счетчик с дешифраторам (микросхема DD2), нормально имеющий коэффициент пересчета 10. В те моменты, когда счетчик находится в состоянии 0 или 1, на выводах 0 или 1 (выводы 3 или 2 соответственно) присутствует логическая 1, которая запрещает прохождение импульсов генератора через элемент DD1.3 на буферный элемент передатчика. При остальных состояниях счетчика импульсы положительной полярности проходят на буферный элемент передатчика. В результате, если не нажата ни одна из кнопок SB1-SB7, на буферный элемент передатчика приходят пачки из восьми импульсов, разделенные интервалом, равным 2.5 периода импульсов. Передаче таких пачек соответствует отсутствие команд. Рассмотрим, как происходит формирование команд на примере команды, содержащей 5 импульсов. Если нажать кнопку SB5 , счетчик, как и ранее, запрещает прохождение на модулятор первых двух импульсов. Затем на буфер передатчика проходят 5 импульсов, после чего счетчик устанавливается в состояние 7 и на его выходе 7 (вывод 6 DD2) устанавливается логическая 1. Этот сигнал через замкнутые контакты кнопки SB5 поступают на вход R счетчика DD2 и сбрасывает его в 0. В результате на выводе 10 элемента DD1.3 формируются пачки из пяти импульсов, разделенные интервалами такой же длительности что и при отсутствии передачи команды. При нажатии на любую другую кнопку генерируются пачки соответствующим номеру кнопки числом импульсов - от одного до восьми, разделенные таким же интервалом. ИК передатчик представляет собой буферный элемент (DD3.1, DD3.2), генератор несущей частоты (25-30 кГц.)(DD3.3,DD3.4) и усилитель (VT1). Генератор несущей частоты промоделирован по амплитуде пачками импульсов поступающих с шифратора. В коллекторную цепь транзистора VT1 включен ИК излучающий светодиод, он и посылает в пространство точную копию сигнала шифратора. Рисунки печатных плат передатчика: ![]() [ Увеличить в новом окне ] ![]() [ Увеличить в новом окне ] ![]() [ Увеличить в новом окне ] ![]() [ Увеличить в новом окне ] Приемник (рис.3) собран по классической схеме принятой в российской промышленности (в частности в телевизорах Рубин, Темп и т.п.). Импульсы ИК-излучения попадают на ИК фотодиод VD1 , преобразуются в электрические сигналы и усиливаются транзисторами VT3, VT4, которые включены по схеме с общем эмиттером. На транзисторе VT2 собран эмиттерный повторитель, согласующий сопротивление динамической нагрузки фотодиода VD1 и транзистора VT1 с входным сопротивлением усилительного каскада на транзисторе VT3. Диоды VD2,VD3 предохраняют импульсный усилитель на транзисторе VT4 от перегрузок. Все входные усилительные каскады приемника охвачены глубокой обратной связью по току. Это обеспечивает постоянное положение рабочей точки транзисторов независимо от внешнего уровня засветки - своего рода автоматическую регулировку усиления. Особенно важную при работе приемника в помещениях с искусственным освежением или на улице при ярком дневном свете, когда уровень посторонних ИК-излучений очень высок. Далее сигнал проходит через активный фильтр с двойным Т-образным мостом, собранный на транзисторе VT5, резисторах R12-R14 и конденсаторах C7-C9. Он очищает сигнал кодовой посылки от помех сети переменного тока, которые излучаются электрическими лампами. Лампы создают модулированный поток излучения с частотой 100 Гц. и не только видимой части спектра, но и в ИК области. Отфильтрованный сигнал кодовой посылки формируется на транзисторе VT6 . Несущая частота уже не нужна и подавляется с помощью простейшего RS - фильтра на R18, C14. В результате получается сигнал, полностью идентичный тому, что снимался с выхода шифратора команд. ![]() [ Увеличить в новом окне ] Пачки входных импульсов отрицательной полярности поступают на формирователь, собранный на элементах R1, C1, DD1.1. Такой формирователь обладает свойствами интегрирующей цепочки и триггера Шмита. На его выходе импульсы имеют крутые фронты независимо от крутизны фронтов на входе. Кроме того, он подавляет импульсные помехи малой длительности. С выхода элемента DD1.1 импульсы поступают на детектор паузы. Он собран на элементах R20, C13, VD4, DD1.2. Так же, как и DD1.1, DD1.3, элемент Исключающее ИЛИ" DD1.2 работает как усилитель - повторитель сигнала, поскольку один из его входов соединен с общим проводом. Детектор паузы работает следующим обвозом. Первый отрицательный импульс пачки, проходя через диод VD4 на вход элемента DD1.2, переключает его в состояние 0. В паузе между соседними импульсами происходит постепенный заряд конденсатора C13 током, текущем через резистор R20, напряжение на входе DD1.2 при этом, однако, не доходит до порога переключения этого элемента. Каждый последующий импульс через диод VD4 быстро разрежает конденсатор C2, поэтому во время действия пачки на выходе DD1.2 будет логическая 0. В паузе между пачками напряжение на входе 5 DD1.2 достигает порога переключения, этот элемент переключается лавинообразно за счет положительной обратной связи через конденсатор C13 в состояние 1. В результате в паузе между пачками на выходе 10 элемента DD1.2 формируется положительный импульс (четвертая диаграмма рис.4), сбрасывающий счетчик на микросхеме DD2 в 0. Импульсы с выхода формирователя DD1.1 поступаю также на счетный выход CN счетчика DD2, в результате чего после окончания пачки счетчик устанавливается в состояния, соответствующие числу импульсов в пачке (а значит номеру команды). В качестве примера на рис. 4 показана работа счетчика при приеме пачки из пяти импульсов. Фронтом импульса с детектора пауз данные из счетчика переписываются в сдвигающие регистры DD3.1, DD3.2, DD4,1, в результат чего на их выводах 1 появляется соответственно логическая 1, 0, 1. После окончания второй пачки из пяти импульсов, импульс с выхода детектора пауз сдвигает ранее записанную информацию из разрядов 1 сдвигающих регистров в разряды 2, в разряды 1 записывает результат подсчета числа импульсов очередной пачки и т.д. В результате при непрерывном приеме пачек из пяти импульсов на всех выводах сдвигающих регистров DD3.1, DD3.2, DD4.1 будут логическая 1, 0, 1 соответственно. Эти сигналы поступают на входы мажорных клапанов микросхемы DD5, на их выводах появляются сигналы, соответствующие входным, он поступают на входы дешифратора DD6. На выходе 5 дешифратора появляется логическая 1, которая и является признаком приема данной команды с числом импульсов равным пяти. Так происходит при приеме команд без помех. Если же уровень помех силен, число импульсов в пачке может отличатся от необходимого. В этом случаи сигналы на выходе сдвиговых регистров будут отличатся от правильных. И мажорные клапаны проигнорируют неправильный сигнал. Таким обвозом, если в последовательности пачек импульсов, поступающих на вход дешифратора команд, в любых трех подряд идущих пачек две имеют правильное число импульсов, на нужном выходе микросхемы DD6 будет постоянно поддерживаться логическая 1. Если не нажата ни одна из кнопок передатчика или передатчик вообще не включен или нет сигнала приема, на выводах 1-2-4 счетчика DD2 после окончания пачки из восьми импульсов будет логический 0 и на всех используемых выводах дешифратора DD6 также логический 0. Далее сигналы с дешифратора, команды, поступают на регулятор яркости собранный на элементах DD7-DD13, R21-R30, VD5, VS1, C14-16, VT7. В частности используются команды 1, 3, 5, 7 соответственно "вкл.", "выкл.", "больше", "меньше". Для одновременного управления с пульта дистанционного управления и с самого регулятора. Сигналы с дешифратора и с кнопок управления, установлены логические элементы 2ИЛИ-НЕ (DD12) и 4ИЛИ-НЕ (DD8). Первые установлены на плавную регулировку, вторые на включение и выключение к которым подходят еще, ограничители сета счетчика DD10) и сбросовый узел. Узел плавной регулировки включает в себя буферные инверторы DD12.1 DD12.2, генератор скорости регулировки (DD9.1, DD9.2) и ключи (DD9.3,DD9.4). Регулятор яркости работает следующим обвозом, сигналы команды "больше", "меньше" поступают на электронные ключи, в следствии чего на их выводах появляются импульсы регулировки на выходе элемента DD9.3 при команде "боле", а на выходе элемента DD9.4 при команде "больше". Эти сигналы поступают на выводы +1 и -1 счетчика DD10, на этот счетчик поступают и сигналы "вкл.", "выкл.", соответственно на вход RE (параллельной записи, а входы параллельной записи соединены с "+", что означает на них установлена 15) и вход R. Буферные элементы DD12.3, DD12.4, DD12.5 служат для согласования цепей входов и выходов. Сигналы берущиеся с выходов 15 и 0 служат для остановки учетчика при достижении 15 и 0, т.е. состояния "вкл." и "выкл.". В регуляторе использован импульсный метод регулирования коммутирующим элементом - теристором. Время фазового регулирования определяет число разрядов в счетчике узла управления и период сетевого напряжения. Данные с счетчика DD10 поступают в виде цифрового кода на вход параллельной записи счетчика DD11. Фазовая информация, необходимая для работы, поступает от выпрямителя питания всей схемы. Синусуйдальное напряжение от понижающего трансформатора T1 выпрямляется двуполупериудным выпрямительным диодным мостом VDS2 и поступает на переменный резистор R27, и следом на вход буферного усилителя DD1.3. При положительной полуволне на входе логического элемента DD1.3 будет высокий уровень сигнала, при переходе через ноль - низкий, а при отрицательной - высокий. В результате на выходе элемента будут короткие отрицательные импульсы с частотой 100 Гц. Синхроимпульсы поступают одновременно на вход разрешение записи PE счетчика DD1.1, на один из выходов RS - триггера, собранного на элементах DD13.3, DD13.4 , и на управляющий вход генератора импульсов (на один из входов элемента DD13.1 ). Когда на вход PE счетчика DD2 приходит напряжение низкого уровня, то код, зафиксированный ранее по параллельным входам D1-D4 счетчика, загружает в него независимо от сигналов на тактовых входах, т.е. операция параллельной загрузки асинхронна. В исходном положении на выходе 15 счетчика высокий уровень. Если счет достиг максимума, то с приходом следующего отрицательного тактового перепада на вход +1 счетчика на его выходе появится уровень 0. Таким обозом, на вход RS - триггера DD13.3, DD13.4 поступают импульсы низкого уровня: синхроимпульс с логического элемента DD1.3 и выходной импульс счетчика DD11, смещенный по отношению к синхроимпульсу на время, определяемое цифровым кодом на параллельных входах D1-D4 счетчика. На выходе RS - триггера появляется сигнал высокого уровня, который поступает на эмиттерный повторитель, он и управляет теристором. Питание всей схемы осуществляется с помощью стабилезаторной микросхемы DA1. Настраивают схему так: стачало устанавливают порог срабатывания элемента DD1.3, так чтобы на его выходе получились короткие импульсы отрицательной полярность. Далее настраивают задающий генератор, его частота рассчитывается по формуле: fГ=2*FC*(2n-1), Гц, где FC - частота питающей сети, Гц; n - число разрядов счетчика. Печатная плата приЈмника: ![]() [ Увеличить в новом окне ] ![]() [ Увеличить в новом окне ] ![]() [ Увеличить в новом окне ] ![]() [ Увеличить в новом окне ] Литература: |








