Что-то не так?
Пожалуйста, отключите Adblock.
Портал QRZ.RU существует только за счет рекламы, поэтому мы были бы Вам благодарны если Вы внесете сайт в список исключений. Мы стараемся размещать только релевантную рекламу, которая будет интересна не только рекламодателям, но и нашим читателям. Отключив Adblock, вы поможете не только нам, но и себе. Спасибо.
Как добавить наш сайт в исключения AdBlockРеклама
Бездроссельное питание люминесцентных ламп
|
Как известно, люминесцентные лампы дневного света значительно экономичнее ламп накаливания. Широкое их внедрение для освещения в быту и на производстве могло бы обеспечить значительную экономию электроэнергии. Кроме того, люминесцентные лампы обладают значительно большим сроком службы по сравнению с лампами накаливания. Однако их повсеместному внедрению препятствует необходимость наличия дорогостоящего дросселя, а срок службы ламп ограничен преждевременным перегоранием нитей накала.
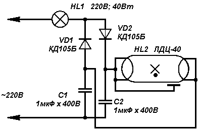
В изданиях для радиолюбителей неоднократно были опубликованы схемы бездроссельного питания люминесцентных ламп удвоенным и выпрямленным напряжением сети. Предлагаемая схема такого питания отличается использованием в качестве балластного сопротивления небольшой лампы накаливания типа миньон. Принципиальная схема питания люминесцентной лампы приведена на рис. 1. Лампа накаливания включена последовательно с выпрямителем, собранным по схеме удвоения напряжения. Использование лампы накаливания вместо балластных конденсатора или остеклованного резистора имеет большое преимущество. Конденсатор, используемый в таком случае, имеет большие емкость и габариты, сравнительно дорог, так как должен быть рассчитан на амплитудное значение напряжения сети. Резистор сильно нагревается, а в случае пробоя одного из конденсаторов С1 или С2 сгорает. Лампа накаливания в нормальном режиме горит вполнакала, а при пробое одного из конденсаторов загорается полным накалом, что сигнализирует о неисправности. Нити накала люминесцентной лампы не подогреваются, что резко увеличивает срок ее службы, а также позволяет использовать лампы с перегоревшей нитью накала, которые при обычной схеме питания приходится выбрасывать. Для облегчения поджига лампы на один конец ее баллона наклеивают кольцевой ободок из фольги, соединенный проводником с выводами противоположного конца. Частота пульсации выпрямленного напряжения составляет 100 Гц, что значительно ослабляет неприятное ощущение от мерцания светового по тока. Налаживания схема не требует. Однако необходимо, чтобы лампа накаливания была включена в фазовый провод сети, а не в нулевой. Поэтому в тех случаях когда зажигание люминесцентной лампы происходит неуверенно, следует перевернуть вилку в сетевой розетке. Конструктивное исполнение светильника не вызывает затруднений. Диоды и конденсаторы выпрямителя имеют малые габариты и легко размещаются в том месте, где обычно находится дроссель. Патрон для лампы накаливания можно установить в отверстие, предназначенное для установки стартера. Ободок поджига выполняется из фольги шириной 50 мм и приклеивается к баллону лампы клеем БФ-2. По той же схеме, без изменения номиналов деталей, можно питать также и лампы ЛДЦ-30 и ЛДЦ-20 при этом лишь изменится степень накала лампы накаливания. В. Данилов
|