LAB599.RU — интернет-магазин средств связи
EN FR DE CN JP

Выключатель света на ИК лучах




Выключатель света на ИК лучах

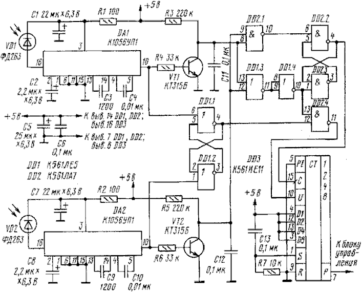
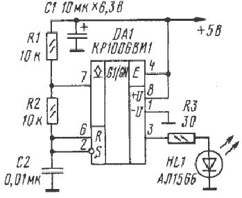
 Выключатель света на ИК лучах   Основное отличие от существующих выключателей - вам не нужен какой-либо пульт. Включение-выключение света происходит за счет подсчета человек вошедших и вышедших из комнаты. На мой взгляд это более удобно, чем щелкать пультом. Уствойство состоит из нескольких частей. Передающий блок генерирует прямоугольные импульсы частотой 3kГц на микросхеме КР1006ВИ1. ИК-светодиод преобразует эти импульсы в ИК вспышки, передающиеся в приемный блок. Напротив светодиода расположены два фотодиода в горизонтальном состоянии. При прохождении человека он перекрывает один из фотодиодов. Таким образом происходит подсчет и определение, вышел человек или вошел.

  В исходном состоянии приемного блока на реверсивный счетчик записано число 15. На выводе этого счетчика находится сигнал низкого логического уровня. При проходе человека на выходе появляется 1, что соответствует включению освещения. Включение и выключение осуществляется управляющим блоком, основную часть которого состовляет реле РЭС-9.

 Выключатель света на ИК лучах


 Блок управления   В качестве питания применим любой стабилизированный блок питанияна напряжение +5 В при токе нагрузки 0,2 А. Фотодиоды следует разместить на расстоянии 60 мм друг от друга. Высота размещения - около 1.5 метра. В автомате допустимо применять резисторы МЛТ-0,125 и любые малогабаритные конденсаторы. Диод VD1 - любой маломощный кремниевый. Вместо реле РЭС9 можно использовать любое другое, работающее при напряжении 5В и имеющее контакты на 220 В, естественно реле должно выдерживать ток соответствующий нагрузки. Наладка происходит следующим образом: в начале проверяются импульсы на светодиоде. Далее проверяют наличие импульсов на DA1 и DA2 приемника. Если импульсы отсутствуют или их форма сильно искажена поменяйте положение свето- и фотодиодов и подбериет емкости С2 и С8.
Источник: shems.h1.ru

Партнеры