LAB599.RU — интернет-магазин средств связи
EN FR DE CN JP

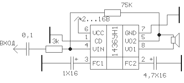
УНЧ для телефона




УНЧ для телефона


Источник: shems.h1.ru

Партнеры