LAB599.RU — интернет-магазин средств связи
EN FR DE CN JP

Три "замка" для телефона




Три "замка" для телефона

  Поскольку повальная телефонизация в ближайшее время нам не грозит, некоторые наши соотечественники научились решать свои проблемы за счет соседей. Подключившись к чужим телефонным линиям, звонят куда хотят. Те, кто стал жертвой подобного пиратства, знают, насколько неприятно получать неожиданно увеличенный счет за телефон. Конечно, можно поставить телефон-АОН с функциями защиты линии от несанкционированного доступа. Но такие аппараты стоят дорого, да и за пользование ими телефонная станция требует дополнительной оплаты. Наиболее оптимальным в данной ситуации представляется использование специальных блокираторов-замков. В отличие от обычных блокираторов [1], эти устройства выполняют функцию этакого "амбарного" замка на телефонной линии, делая невозможным как правильный набор номера в линию, так и прохождение вызывного сигнала. Нормальному режиму работы телефонных станций такие устройства не препятствуют.

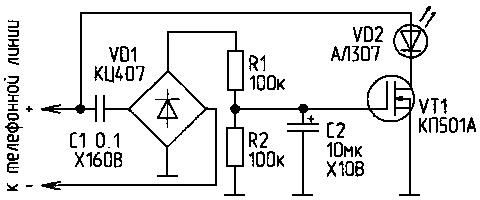
 Сторож для телефона   Схема простейшего замка представлена на рис. 1. В исходном состоянии конденсатор С2 не заряжен, и транзистор VT1 заперт. При возникновении переменного напряжения в телефонной линии (набор номера или вызов АТС) напряжение зарядившегося конденсатора С2 открывает транзистор VT1, и телефонная линия на короткое время замыкается им.

  Заряд конденсатора С2 прекращается, и он разряжается через резистор R2. Транзистор VT1 закрывается. Телефонная линия остается разомкнутой до следующих импульсов. Недостатком такого замка является то, что при его включении в телефонную линию требуется соблюдение полярности.

 Сторож для телефона   Схема, представленная на рис.2, содержит больше деталей, но зато избавлена от вышеуказанного недостатка. В жизни не всегда требуется "гасить" вызывной сигнал от АТС. Чаще требуется "испортить" только набор номера.

  Замки, представленные на рис.1 и 2, такой селекции не производят. Более совершенный замок изображен на рис.3. Он запитывается от телефонной линии через резистор R8 и потребляет от линии в режиме ожидания не более 0,1 мА. Стабилитрон VD3 - параметрический стабилизатор напряжения. Импульсы напряжения, возникающие в телефонной линии при наборе номера или при вызывном сигнале от АТС, через каскад на транзисторе VT2 поступают на тактовый вход С (вывод 14) микросхемы DD2. После пяти импульсов на выводе 1 микросхемы DD2 появляется высокий уровень, транзистор VT3 открывается, и телефонная линия блокируется. Одновременно этот высокий уровень подается на вход разрешения счета DD2 (вывод 13) и запрещает дальнейший счет. Уровень логической " 1 " на входе элемента DD 1.1 после двойной инверсии вызывает появление на выходе элемента DD1.2 напряжения высокого уровня. Конденсатор С1 начинает медленно заряжаться через резистор R7, и приблизительно через 1 с высокий уровень на входе элемента DD1.3 вызывает появление сигнала единичного уровня на входе R микросхемы DD2. Происходит сброс счетчика, транзистор VT3 запирает ся, схема приходит в исходное состояние.

 Сторож для телефона

  Каскад на транзисторе VT1 реагирует только на вызывной сигнал от АТС и служит для запрещения срабатывания "замка" от сигнала вызова. Низкий уровень напряжения, снимаемый со стока VT1, поступая на вывод 6 DD1.4, вызывает появление высокого уровня на входе R микросхемы DD2, т.е. счетчик удерживается в исходном состоянии. Пользователь может запретить или разрешить прохождение сигнала вызова от АТС, используя переключатель S1. Переключатель S2 используется для запрета работы всего устройства, когда самому владельцу телефонной линии требуется набрать номер. Единственная времязадающая цепь R7, С1, VD1 выполняет две функции: определяет время блокирования линии при включении "замка"; и в режиме ожидания принудительно устанавливает счетчик DD2 в исходное состояние. Микросхема DD1 может быть заменена на К561ЛА7. Транзисторы VT1, VT2 могут быть с любой буквой - А, Б, В, но транзистор VT3 - только с буквой А. Световую индикацию включения замков можно дополнить также и звуковой.

 Сторож для телефона   На рис.4 показан звуковой генератор, выполненный на микросхеме серии 1554 (аналог 74AC00N). В отличие от серии 561, микросхемы вышеуказанной серии работоспособны при напряжении питания 2 В. Пьезоизлучатель BQ1 включен по мостовой схеме. Питание генератора осуществляется напряжением, выделяющимся на светодиоде, т.е. выводы "Питание" и "Общий" DD1 подключаются к аноду и катоду светодиода в любой из схем замков.

Литература
1. Кизлюк А. Справочник по устройству и ремонту телефонных аппаратов зарубежного и отечественного производства. - М., 1997
2. Янковский С. Телефонный сторож. - РадioАматор, 1996, №7, с.5

Радиолюбитель №5, 1998
Источник: shems.h1.ru

Партнеры