Что-то не так?
Пожалуйста, отключите Adblock.
Портал QRZ.RU существует только за счет рекламы, поэтому мы были бы Вам благодарны если Вы внесете сайт в список исключений. Мы стараемся размещать только релевантную рекламу, которая будет интересна не только рекламодателям, но и нашим читателям. Отключив Adblock, вы поможете не только нам, но и себе. Спасибо.
Как добавить наш сайт в исключения AdBlockРеклама
Телефонные адаптеры для автозаписи информации
|
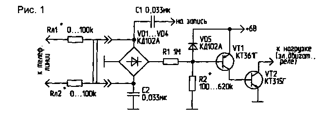
Адаптеры предназначены для автоматической записи сигналов с телефонной линии и работают в комплекте с магнитофонами. В состав адаптеров входят узел согласования полярности и уровня входного сигнала и порогово-коммутирующее устройство. Узел согласования полярности и уровня входного сигнала (рис.1-3) выполнен на основе диодно-мосто-вой схемы и резистивного делителя напряжения.
Использование этого узла позволяет подключать адаптеры к телефонной линии без соблюдения полярности. Порогово-коммутирующее устройство (ПКУ) обеспечивает управление нагрузкой при изменении уровня входного управляющего сигнала (напряжения на линии). В качестве нагрузки могут быть использованы: электродвигатель магнитофона, реле, светодиод оптронной пары, лампа накаливания и т.д. Это устройство работает в бинарном режиме, если на входе устройства — логическая '1'", т.е. трубка телефона положена, напряжение в телефонной линии номинальное (60 В) — нагрузка обесточена. Как только на входе ПКУ появляется логический "0" (трубка снята, напряжение на линии порядка 12 В), нагрузка включается, и происходит автоматическая запись информации. В первой схеме ПКУ (рис. 1) использован составной транзистор VT1, VT2. При уровне логической "1" на входе, напряжение, снимаемое с резистивного делителя R 1, R2, через диод VD5 подается на шину питания. На управляющем переходе транзистора VT1 устанавливается запирающее напряжение (+0,7 В), и нагрузка выключается. Когда на вход схемы подается логический "О", на базу транзистора VT1 поступает отпирающее напряжение, нагрузка включается. Ток нагрузки определяется типом транзистора VT2 (30...100 мА). Другой вариант ПКУ (рис.2) выполнен на основе компаратора (микросхема DA1 К554САЗ), порог срабатывания которого устанавливают резистором R4.
Ток нагрузки устройства может достигать 150..,200 мА. Еще одна схема ПКУ (рис.3) собрана на КМОП-коммутаторе (микро схема DA1 К176КТ1). Незадействованные ключи коммутатора включены параллельно задействованным.
Ток нагрузки выходного транзистора может составлять сотни миллиампер. Сигнал "на запись" подключен ко входу магнитофона. Магнитофон должен работать в режиме записи. В качестве записывающего устройства желательно использовать магнитофон, имеющий автоматическую регулировку уровня записи и надежный лентопротяжный механизм, исключающий заминание ленты. Для защиты входных цепей адаптеров от случайных импульсных перенапряжений типа грозовых разрядов на входе устройства желательно установить разрядники на напряжение порядка 200 В. М.ШУСТОВ, 634024, г.Томск, ул. 5-й Армии, 9-208
|