Что-то не так?
Пожалуйста, отключите Adblock.
Портал QRZ.RU существует только за счет рекламы, поэтому мы были бы Вам благодарны если Вы внесете сайт в список исключений. Мы стараемся размещать только релевантную рекламу, которая будет интересна не только рекламодателям, но и нашим читателям. Отключив Adblock, вы поможете не только нам, но и себе. Спасибо.
Как добавить наш сайт в исключения AdBlockРеклама
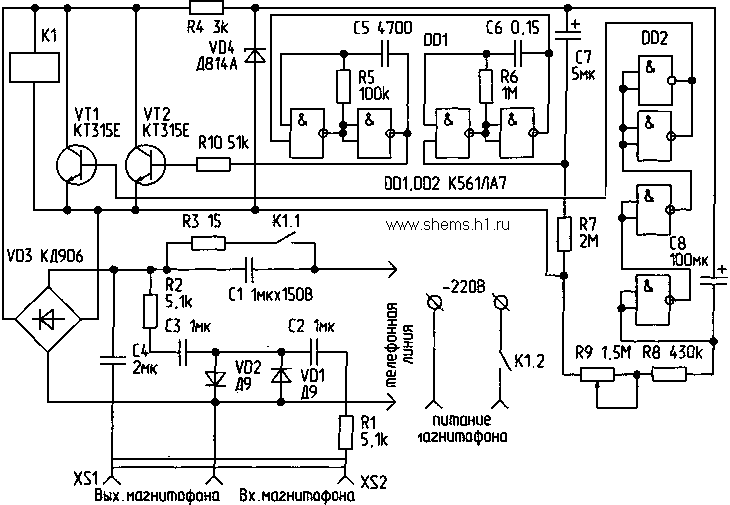
Телефонный информатор
|
Предлагаемая схема является упрощенным эквивалентом автоответчиков и информаторов. При звонке импульсный сигнал проходит через емкость С 1 и диодный мостик VD3 на реле К1. Реле срабатывает. Через контакт К1.2 замыкается цепь питания магнитофона. Контакт К1.1 замыкает емкость С1, и на реле и схему подается постоянное напряжение 12...14 В. Реле самоблокируется. Запускается генератор прерывистых сигналов на микросхеме DD1 и пороговое устройство на микросхеме DD2. Сигнал с генератора подается на базу VT2, нагрузкой которого является внутреннее сопротивление телефонной линии. Время работы генератора зависит от времени заряда С7 через R7. Пороговое устройство обеспечивает нужное время работы магнитофона, которое зависит от времени заряда С8 через R8 и R9. При срабатывании устройства транзистор VT1 открывается и "подсаживает" напряжение на реле. Реле отпускает, его контакты размыкаются, и схема переходит в ждущий режим. Цепочка R 1, R2, С2, СЗ, VD1, VD2 служит для выравнивания сигналов по амплитуде в режиме записи разговора на магнитофон. Она плавно ограничивает сигнал с более высокой амплитудой. Сопротивление R3 ограничивает ток разряда С1. Диодный мост VD3 должен выдерживать обратное напряжение 150 В. При применении другого реле емкость С1, возможно, придется увеличить до 2...3 мкФ. В схеме использовалось реле РЭС 9 с ослабленными возвратными пружинами, что дало возможность снизить ток срабатывания. Можно использовать другие реле с сопротивлением обмотки 500 Ом - 1 кОм и как можно меньшим током срабатывания. Транзисторы VT1 и VT2 типа n-р-n на максимальное напряжение 60 В (КТ604). При правильном монтаже устройство не требует наладки. Э.РОДИОНОВ |