LAB599.RU — интернет-магазин средств связи
EN FR DE CN JP

Телефонный блокиратор




 Телефонный блокиратор Телефонный блокиратор

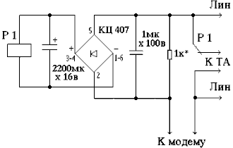
  Большинство подобных схем на динисторах или тиристорах, имеют преимущество как простота, но имеют также и минусы, такие как: сопротивление при коммутации, "прозвонку" на параллельных аппаратах и обычно с соблюдением полярности. Приведенная схема устранена от перечисленных недостатков. Задержка коммутации, при использование данных схемы, составляет примерно около 1 сек, благодаря использованию реле уменьшено также сопротивление соединения, соблюдение полярности не требуется. Блокиратор можно расположить в любом месте телефонной линии, сделав нечто вроде распределителя. Реле лучше применять герконовое (из-за своей бесшумности) на 5-7 вольт, но возможно потребуется регулировка резистора, а в качестве диодного моста можно использовать 4 диода КД522Б. Автором использовано реле РЭС-55, паспорт РС4.568.602.

Сергей Светлов
С-Петербург
s_svetlov (at) bk.ru

Источник: shems.h1.ru

Партнеры