Что-то не так?
Пожалуйста, отключите Adblock.
Портал QRZ.RU существует только за счет рекламы, поэтому мы были бы Вам благодарны если Вы внесете сайт в список исключений. Мы стараемся размещать только релевантную рекламу, которая будет интересна не только рекламодателям, но и нашим читателям. Отключив Adblock, вы поможете не только нам, но и себе. Спасибо.
Как добавить наш сайт в исключения AdBlockРеклама
Замена угольного микрофона
|
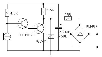
Многие, у кого есть телефоны типа ТА-27М и другие, нередко жалуются на трески, шорохи, прочие помехи при связи. Источником их чаще всего является угольный микрофон, поэтому я и все мои друзья решили от "угля" избавиться. Каким образом? Это видно из рисунка схемы. Настройка схемы заключается в следующем. От отдельного источника подают питание 10 В и подбором резистора R1 добиваются на левом конце резистора R5 напряжения +5 В. Мною эта схема используется три года, и за это время ни от кого не было нареканий, что меня плохо слышно. Правда, если используется параллельный аппарат, то необходимо либо подбирать транзисторы по наименьшему напряжению насыщения коллектор-эмиттер, либо менять их на германиевые. Печатной платы не делал, а использовал кусок "макетки", который потом залил эпоксидным компаундом. Вместо капсюля ДЭМШ-1А можно применить капсюли от стереотелефонов. А. АГАРКОВ ![]() Александр Филин
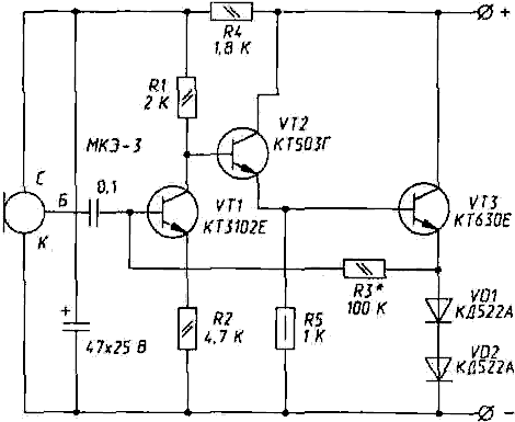
При эксплуатации телефонных аппаратов второй и третьей групп сложности с угольными микрофонами часто наблюдается падение чувствительности. Это происходит вследствие спекания частичек угля, что вызывает нарушение чистоты звука и искажения в виде треска и помех. В настоящее время разработано множество схем для замены угольных микрофонов. Качество звука при этом повышается на порядок. Ниже приведена схема с использованием динамического микрофона МДМ-7. Усилитель в схеме выполнен трехкаскадным, транзисторы желательно отобрать с высоким коэффициентом усиления. Схемы при повторении показали весьма устойчивую работу. С микрофоном МКЭ-3 схема имеет чувствительность порядка 400...500 мВ/Па, что обеспечивает хорошую слышимость. ![]() ![]() ![]()
Источник: shems.h1.ru |



