Что-то не так?
Пожалуйста, отключите Adblock.
Портал QRZ.RU существует только за счет рекламы, поэтому мы были бы Вам благодарны если Вы внесете сайт в список исключений. Мы стараемся размещать только релевантную рекламу, которая будет интересна не только рекламодателям, но и нашим читателям. Отключив Adblock, вы поможете не только нам, но и себе. Спасибо.
Как добавить наш сайт в исключения AdBlockРеклама
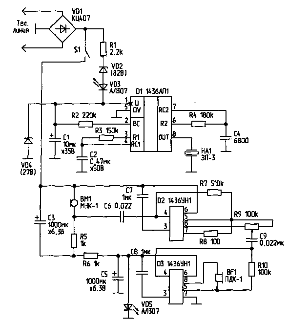
Миниатюрный телефон без номеронабирателя
|
Предлагаю схему телефонного аппарата, которая отличается от широко известных [1] тем, что в вызывном устройстве (ВУ) отсутствует высоковольтный разделительный конденсатор (ВУ постоянно включено в телефонную линию), а в качестве микрофонного и телефонного усилителей применены микросхемы К1436УН1 (аналог МС34119), благодаря чему сокращено до минимума количество элементов "обвязки" разговорного узла. Данный телефон позволяет принять вызов и провести разговор. Его можно использовать на кухне или в ванной комнате, разместить внутри детских игрушек, в пенале для зубной щетки и т. п. При желании схему можно дополнить номеронабирателем. Микросхема звонка К1436АП1 (аналог DBL5001/2) включена по стандартной схеме. Единственное отличие - в цепь питания микросхемы включен стабилитрон VD2 на напряжение 82 В. Благодаря этому ВУ не шунтирует линию при наборе номера и разговоре. Разговорный узел собран на микросхемах D2 и D3. Конденсатор СЗ и резистор R6 образуют фильтр питания для микрофона ВМ1. Конденсатор С7 блокировочный. Нагрузкой микросхемы D2 является резистор R8. Регулировка противоместного эффекта проводится резистором R9. При стабильных параметрах элементов R5,BM1,R7,R8 переменный резистор R9 можно заменить двумя последовательно включенными постоянными резисторами. Усиление телефона BF1 можно устанавливать резистором R10. Конденсатор С8 блокировочный. Микросхема D3 запитывается от параметрического стабилизатора VD5, С5. Благодаря простоте и хорошей повторяемости, данную схему можно рекомендовать для использования в схемотехнике отечественных телефонных аппаратов. Ошибка! На схеме вывод 7 микросхемы D2 должен быть соединен с выводом 6 микросхемы D3. Резистор R6 в цепь параметрического стабилизатора (как ошибочно указано в тексте) не входит. Редакция приносит свои извинения читателям и благодарит авторов статей за сделанные замечания. Литература: Кизлюк А.И. "Справочник по устройству и ремонту телефонных аппаратов отечественнoro и зарубежного производства.", 1995 г. Радиолюбитель №12, 1998 |