Что-то не так?
Пожалуйста, отключите Adblock.
Портал QRZ.RU существует только за счет рекламы, поэтому мы были бы Вам благодарны если Вы внесете сайт в список исключений. Мы стараемся размещать только релевантную рекламу, которая будет интересна не только рекламодателям, но и нашим читателям. Отключив Adblock, вы поможете не только нам, но и себе. Спасибо.
Как добавить наш сайт в исключения AdBlockРеклама
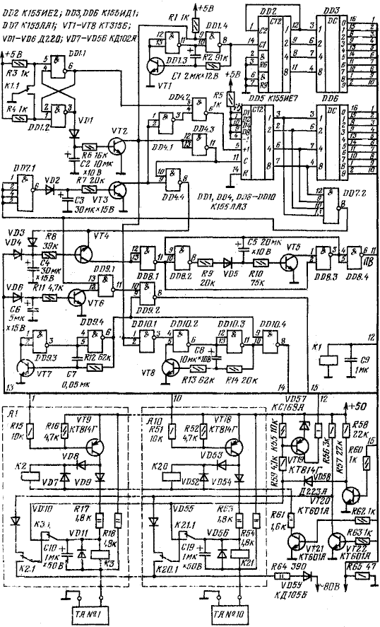
Автоматическая телефонная станция на 10 абонентов
|
Принципиальная схема АТС разработана в радиокружке клуба юных техников под руководством П. Пазинича. Ее схема приведена на рис. 1. Станция достаточно экономична — в режиме ожидания она потребляет от источника питания мощность не более 2 Вт, а во время работы — около 10 Вт. Станция состоит из десяти линейных узлов (А1—А10) и блока управления, основу которого составляют микросхемы DD1—DD10. В режиме ожидания тактовый генератор, выполненный на элементах DD1.3, DD1.4 и транзисторе VT1, вырабатывает импульсы с частотой следования 4 Гц. Они поступают на счетчик DD2. На выходах дешифратора DD3, а значит, на выходах линейных узлов, поочередно появляется (на 0,25 с) сигнал напряжением логического 0, открывающий транзисторы VT9— VT18.
Если, к примеру, снимают трубку первого телефонного аппарата, то в момент открывания транзистора VT9 ток от источника питания напряжением 50 В протекает через этот транзистор, диод VD9, резистор R17, обмотку электромагнитного реле К3. Реле срабатывает и подключает контактами КЗ.1 к резистору R17 каскад на транзисторе VT19. Транзистор открывается и через резистор R56 подает напряжение на реле К1, контакты К1.1 которого управляют триггером на элементах DD1.1, DD1.2. Триггер переключается, и напряжение логической 1 с выхода элемента DD1.2 открывает транзистор VT2. Тактовый генератор выключается, а счетчик останавливается в положении, соответствующем используемому аппарату, в данном случае в таком, когда напряжение логического 0 на выводе 16 дешифратора DD3. С генератора тона, собранного на элементах DD9.3, DD9.4 и транзисторе VT7, сигнал поступает через элемент DD9.2 на базу транзистора VT20, а с его коллектора - через диод VD58, контакты КЗ.1 и конденсатор С10 в линию первого аппарата. В телефонной трубке аппарата слышен сигнал частотой 400...600 Гц. При наборе номера диском первого аппарата цепь тока через реле КЗ и транзистор VT19, а значит, и реле К1, прерывается. Контакты реле К1 переключаются соответствующее число раз (оно равно набираемому номеру). С выхода элемента DD1.1 импульсы набора поступают через элемент DD4.2 на вход "+1" счетчика DD5. В итоге на-пряжение логического 0 установится на том выходе дешифратора DD6. который соединен с узлом вызываемого абонента. С первым импульсом набора на выходе элемента DD7.2 появляется напряжение логической 1, которое запрещает прохождение тональных сигналов через элемент DD9.2. На выходе элемента DD7.1 при этом появляется напряжение логического 0, конденсатор СЗ разряжается через резистор R7 и эмиттерный переход транзистора VTЗ, задерживая его закрывание на 1,5...2 с. А затем на выходе элемента DD4.2 появляется напряжение логического 0, запрещающее прохождение импульсов набора на счетчик DD5. Одновременно на выходе элемента DD4.4 появляется напряжение логического 0, и конденсатор С4 (ранее заряженный через диод VDЗ) разряжается через резистор R8 и эмиттерный переход транзистора VT4. Вступает в действие мультивибратор, выполненный на элементах DD8.2, DD8.3 и транзисторе VT5. Он вырабатывает импульсы длительностью 1 с, следующие через 5 с. С выхода инвертора на элементе DD8.4 импульсы поступают на базу транзистора VT21, который управляет работой реле вызова. Если, к примеру, первый абонент набрал на своем аппарате цифру 0, т. е. вызвал десятого абонента, то начнет периодически срабатывать реле К20. Через контакты К20.1 на телефонный аппарат десятого абонента будет периодически подаваться через диод VD59 и резисторы R64, R65 сигнал вызова с источника переменного напряжения. Появляющееся при этом падение напряжения на резисторе R65 подается на цепочку VD6С6 и через транзистор VT6 управляет подачей тонального сигнала в линию вызывающего абонента. Это же падение напряжения подзаряжает конденсатор С4. Как только вызываемый абонент поднимет трубку телефонного аппарата, сработает реле К21 и своими контактами разомкнет цепь вызова. Аппараты абонентов окажутся соединенными по переменному току параллельно. Во время разговора будет работать мультивибратор, собранный на элементах DD10.2, DD10.З и транзисторе VT8. Его импульсы длительностью 0,3...0,4 с и с такой же паузой поступают на базу транзистора VT22, а с коллектора транзистора - на аноды диодов VD10, VD15, VD20 и т. д. Если теперь трубку аппарата поднимет второй - девятый абоненты, в ней раздадутся прерывистые сигналы звуковой частоты, свидетельствующие о занятости линии. Когда все телефонные трубки будут лежать на рычагах аппаратов, станция возвратится в исходное состояние. Чтобы во время набора номера счетчик не сбрасывался, стоит цепочка VD1С2. Конденсаторы С10-С19 шунтируют обмотки реле по переменному току. Стабилитрон VD57 повышает помехоустойчивость станции. Резисторы, включенные между источником питания напряжением 50 В и линиями связи (R18 в узле А1, R54 в узле А10), нужны для обеспечения тока 2,5...30 мА через угольные микрофоны аппаратов. Реле К1 - РЭС-49, паспорт РС4.569.423. Подойдет и РЭС-49, паспорт РС4.569.000 или РЭС-60, паспорт РС4.569.436. В качестве К2--К21 желательно применить реле РЭС-55А или РЭС-55Б с магнитоуправляемыми контактами, паспорта РС4.569.601, РС4.569.606, РС4.569.626, РС4.569.631. Ток срабатывания этих реле 8...10 мА. Подойдет реле с большим током срабатывания (до 20 мА), но в этом случае придется установить резисторы R17 и аналогичные в других узлах с меньшим сопротивлением. Для питания АТС подойдет выпрямитель со стабилизированными постоянными напряжениями 5 В (при токе нагрузки до 300 мА), 50 В (200 мА) и переменным напряжением 80 В 50 Гц (100 мА). Для повышения помехоустойчивости станции параллельно выводам питания микросхем следует подпаять конденсаторы емкостью 0,25…1 мкф. При налаживании АТС подбором резисторов R9, R10 устанавливают длительность сигналов вызова 1 с при паузах между ними в 4 с. Частоту тонального генератора (на выходе элемента DD9.4) устанавливают равной 400... 600 Гц подбором резистора R12. Подбором резистора R8 добиваются, чтобы при отключенном диоде VD4 после набора номера напряжение логической 1 на выходе элемента DD8.1 появлялось на 7...8 с. Радио №10, 1984
|