Что-то не так?
Пожалуйста, отключите Adblock.
Портал QRZ.RU существует только за счет рекламы, поэтому мы были бы Вам благодарны если Вы внесете сайт в список исключений. Мы стараемся размещать только релевантную рекламу, которая будет интересна не только рекламодателям, но и нашим читателям. Отключив Adblock, вы поможете не только нам, но и себе. Спасибо.
Как добавить наш сайт в исключения AdBlockРеклама
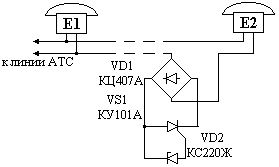
Схема приставки, исключающей прослушивание с параллельного телефонного аппарата
|
При входящем вызове абонент Е2 также может снять трубку и вести разговор (в аппарате Е2, равно как и в Е1, будет звонить звонок). Однако если во время занятия линии абонентом Е2 абонент Е1 снимает трубку, то аппарат Е2 включится в линию, а Е2 - отключится от нее. Следовательно, абонент Е1 обладает приоритетом по отношению к Е2. Чтобы ни один из абонентов не имел приоритета по отношению к другому, следует аппарат Е1 подключить к линии через такую же приставку, что и Е2. Элементы приставки могут располагаться внутри корпуса телефонного аппарата или быть собраны в виде отдельного узла.
|
Приставка, исключающая прослушивание с параллельного телефонного аппарата. Схема соединения аппаратов, исключающая прослушивание разговора с одного из них, показана на рис.1. Аппарат Е1 будем называть основным, а Е2 - дополнительным. Действие приставки, включающей элементы VD1, VD2, VS1, основано на том, что при занятии линии АТС аппаратом Е1 напряжение в линии падает до 10..15 В. Этого напряжения оказывается недостаточно для открывания стабилитрона VD2 и тиристора VS1. В результате абонент Е2, снявший трубку в то время, когда абонент Е1 ведет разговор, нс сможет услышать разговор, поскольку тиристор VS1 будет закрыт. В то же время если линия АТС свободна, то абонент Е2 может снять трубку, набрать номер и установить соединение.