LAB599.RU — интернет-магазин средств связи
EN FR DE CN JP
QRZ.RU > Каталог схем и документации > Схемы наших читателей > Дайджест радиосхем > Схема незаметного подключения к чужой телефонной линии

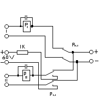
Схема незаметного подключения к чужой телефонной линии




Схема незаметного подключения к чужой телефонной линии

 Схема незаметного подключения к чужой телефонной линии

I - К вашему телефону
II - К телефону соседа
60V - дополнительное напряжение "слежения" (стабилизированное ~20mA)

  Полярность очень желательно соблюдать. Реле Р1 было применено специальное, с задержкой отпускания 1 сек. (впоследствии схема была испытана на РЕС-9 с параллельным конденсатором 200м. Конденсаторы позволяют проходить звуку/звонку минуя обмотку реле, и в то же время позволяют организовать задержку. Все реле показаны в состоянии OFF

   Алгоритм работы приведенной схемы прост:
================================
Телефоны: Cостояние: Реле:
  мой его я  он P1 P2
--------------------------------
off off  line line  off off
off on   off  line  off on
on  off  line power on  off
on  on   off  line  off on
--------------------------------

  Тут нет ничего сложного, самое главное - это динамический режим работы: "Я говорю, а в это время ОН снимает трубку..." - на его телефон поступает 'следящее' напряжение 60 вольт, которое имитирует напряжение АТС, при этом реле Р2 отключает меня от линии, но реле Р1 имеет задержку 1 сек. в течение этого времени тел. линия оборвана и АТС разрывает связь, спустя 1 сек. отпускает контакты и переключает клиента с имитатора на настоящую линию. На всю эту операцию уходит около 2 сек. (не надо торопиться, а то АТС может не сбросить ваш разговор), но даже 2 сек. - это время, за которое сосед только и успеет поднести трубку к уху. Вот тут как раз и важна полярность: не очень приянтно услышать в момент переключени импульс с амплитудой 120 вольт...

Преимущества:
1. Звонок проходит в оба направления
2. Я размещал эту схему вместе с трансформатором в коробке от сигарет

Недостатки:
1. При отсутствии напряжения 60 вольт "клиент"ничего не услышит (но зато он и подслушает ваш разговор)

P.S. Эта схема, по моим данным до сих пор работает(с 1988г.) и НИКТО о ней не знает она изготовлена на РЭС-9, что тогда былолучшим, из доступных реле, но я советую поискать чего-нибудь посовременней, т.к. на этих реле падало порядка 8 вольт, что снижало громкость передачи микрофонов.
Источник: shems.h1.ru

Партнеры