Что-то не так?
Пожалуйста, отключите Adblock.
Портал QRZ.RU существует только за счет рекламы, поэтому мы были бы Вам благодарны если Вы внесете сайт в список исключений. Мы стараемся размещать только релевантную рекламу, которая будет интересна не только рекламодателям, но и нашим читателям. Отключив Adblock, вы поможете не только нам, но и себе. Спасибо.
Как добавить наш сайт в исключения AdBlockРеклама
Простой домофон
|
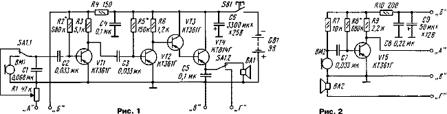
Популярное сегодня переговорное устройство - домофон. Он позволяет жильцам дома или дачи вести дистанционные переговоры с посетителем, нажавшим звонковую кнопку у подъезда или возле калитки. Сравнительно простая конструкция домофона предлагается в данной статье. Домофон состоит из основного усилителя с телефонной трубкой и источником питания, которые располагаются в квартире в удобном для пользования месте, и микрофона с усилителем и динамической головкой, устанавливаемых на входной двери или калитке. Схема основного усилителя приведена на рис. 1. Микрофон ВМ1 и динамическая головка ВА1 расположены в телефонной трубке, из которой удаляют находившиеся в ней ранее детали. В показанном на схеме положении контактов переключателя SA1 и нажатой кнопке SB1 идет прослушивание лестничной площадки, пространства возле калитки или ответа посетителя. Когда же ручка переключателя будет переведена в противоположное положение, можно передавать посетителю сообщение или задавать вопросы. Громкость ответов посетителя регулируют переменным резистором R1. Зажимы "А"-"Г" соединяют с аналогичными на выносном усилителе (рис. 2). Желательно применить трехпроводный жгут в экранирующей оплетке, выполняющей роль проводника - "В".
В усилителе использованы доступные детали. Транзистор VT4 может быть любой из серии КТ814, остальные - любые из серии КТ361. Переменный резистор R1 - СП5-2В или другой подходящий по габаритам и сопротивлению, постоянные резисторы - МЛТ-0,125. В основном усилителе применена динамическая головка мощностью 0,25 Вт, в выносном - 0,5 Вт. Микрофон ВМ1 - электромагнитный ДЭМШ-1, ВМ2 - электретный МКЭ-3. Конденсаторы - любого типа. Источник питания - батарея "Крона". Детали основного усилителя смонтированы на плате из одностороннего фольгированного материала, показанной на рис. 3, а выносного усилителя - на рис. 4. В авторском варианте плата основного усилителя, источник питания и не смонтированные на плате детали размещены в корпусе старого телефонного аппарата (детали из него, конечно, удалены). На передней панели аппарата укреплены переменный резистор, переключатель и кнопка. Соединение телефонной трубки с деталями усилителя выполнено экранированным проводом.
Для размещения деталей выносного усилителя был изготовлен корпус из фольгированного стеклотекстолита. Чувствительность домофона такова, что при расположении выносного усилителя над калиткой на двухметровой высоте и длине соединительной линии 15 м связь получается достаточно громкой. При необходимости наибольшей чувствительности и громкости связи добиваются подбором резисторов R2, R5, R8. Эту операцию проводят, конечно, перед установкой выносного усилителя, но с подключенной линией связи соответствующей длины. Без помощника здесь не обойтись. На время настройки усилителей указанные резисторы можно заменить цепочками из переменного резистора несколько большего, по сравнению с указанным на схеме, сопротивления и последовательно включенным с ним постоянного резистора сопротивлением 10...20 кОм. Радио №8, 1999 |