Что-то не так?
Пожалуйста, отключите Adblock.
Портал QRZ.RU существует только за счет рекламы, поэтому мы были бы Вам благодарны если Вы внесете сайт в список исключений. Мы стараемся размещать только релевантную рекламу, которая будет интересна не только рекламодателям, но и нашим читателям. Отключив Adblock, вы поможете не только нам, но и себе. Спасибо.
Как добавить наш сайт в исключения AdBlockРеклама
Световой индикатор телефонного вызова
|
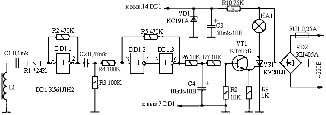
Предназначенный для людей с пониженным слухом, он обеспечивает появление светового сигнала при поступлении вызова к абоненту (рис.1). Индуктивный датчик L1 располагают в магнитном поле катушки звонка телефонного аппарата. Создаваемое им переменное напряжение через разделительный конденсатор С1 поступает на вход усилителя на логическом элементе DD1.1, работающем в аналоговом (линейном) режиме. Такой режим достигается введением отрицательной обратной связи по постоянному току через резистор R2. Усиленный в десятки раз сигнал через дифференцирующую цепь С2 R3 поступает на формирователь - триггер Шмитта, выполненный на логических элементах DD1.2, DD1.3. С выхода триггера Шмитта сигнал поступает (через резисторы R6, R7) на базу высоковольтного транзистора VT1, включенного в цепи управляющего электрода тринистора VS1. Особенность такого способа включения транзистора ? незначительная рассеиваемая на нем мощность. Это объясняется тем, что после открывания тринистора напряжение между коллектором и эмиттером транзистора уменьшается до 1..2 В, и ток через него практически прекращается. Тринистор управляет нагрузкой - осветительной лампой НА1, которая и сигнализирует о поступающем вызове к абоненту. ![]()
Конденсатор С4 сглаживает пульсации вызывного напряжения и исключает мерцание сигнальной лампы НА1. Питание микросхемы осуществляется от параметрического стабилизатора, в котором работают элементы R10, VD1, СЗ. Микросхему К561ЛН2 можно заменить на K561ЛH1, К561ЛА7, К561ЛА9 или соответствующие аналоги из серии К176. Транзистор VT1 - КТ605, КТ940 с любыми буквами. Тринистор VS1 - KУ201К(Л), КУ202(К-Н). Конденсаторы - КМ-6, К 10-7 (C1, C2), К50-6, К50-16, К50-12 (СЗ, С4). Функцию датчика L1 выполняет катушка электромагнитного реле PC 13 (паспорт РС4.523.026). Она содержит 28 000 витков провода ПЭВ-1 0,05 и обладает сопротивлением 8 кОм. Длина катушки 40 мм. Подойдут также катушки от аналогичных реле типа РКН, РКМ. Можно применять и самодельный датчик. Его магнитопроводом может быть стальной пруток диаметром 5...7 мм (например, обычный гвоздь). Телефонный световой сигнализатор монтируют на плате из фольгированного стеклотекетолита (рис.2). Плату размещают в корпусе размерами 210х140х40 мм в виде подставки под телефон. Катушка-датчик L1 должна находиться на расстоянии не более 50...70 мм от обмотки звонка телефонного аппарата. Необходимой чувствительности устройства добиваются подбором резистора R1. Мощность лампы накаливания HL1 может быть 25...150 Вт.
|
