LAB599.RU — интернет-магазин средств связи
EN FR DE CN JP

Телефонный усилитель




Телефонный усилитель

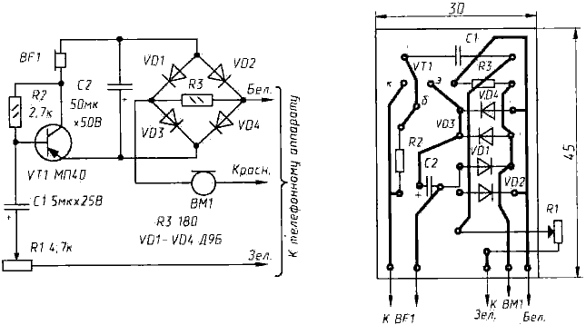
  Громкость телефонной передачи можно увеличить, если вмонтировать в трубку телефона усилитель. Здесь: VT1 - любой p-n-p транзистор серии МП; постоянные резисторы - МЛТ-0,125, переменный - от малогабаритного приемника; конденсатор С1 - К50-3, С2 - К50-6. Диодный мост можно составить и из других диодов, но обязательно германиевых. Размещение этих элементов на печатной плате показано на рис. 2. Конденсатор С2 монтируют в положении «лежа». Источником питания усилителя служит сама телефонная линия.

 Телефонный усилитель

Порошенко А.
Радио №3, 1998

Источник: shems.h1.ru

Партнеры