Что-то не так?
Пожалуйста, отключите Adblock.
Портал QRZ.RU существует только за счет рекламы, поэтому мы были бы Вам благодарны если Вы внесете сайт в список исключений. Мы стараемся размещать только релевантную рекламу, которая будет интересна не только рекламодателям, но и нашим читателям. Отключив Adblock, вы поможете не только нам, но и себе. Спасибо.
Как добавить наш сайт в исключения AdBlockРеклама
Переговорное устройство для нескольких абонентов
|
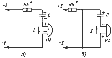
На рис.1 представлена схема еще одного варианта переговорного устройства. Отличие его от предыдущего состоит в том, что допускается подключение к линии нескольких телефонных аппаратов. Кроме того, для питания аппаратов используется только одно напряжение, получаемое от трансформатора. Каждый из двух телефонных аппаратов, показанных на схеме, снабжен абонентским комплектом (А1 или А2). Абонентский комплект обеспечивает формирование импульсов вызывного напряжения в линии связи, воздействующего на звонки телефонных аппаратов. На логических элементах DD1.1, DD1.2 микросхемы DD1 выполнен генератор импульсов частоты 25..30 Гц. Через логические элементы DD1.3 и DD1.4, резистор R3 импульсы воздействуют на базу транзистора VT1, образующего вместе с транзистором VT2 составной транзистор. Эмиттер и коллектор транзистора VT2 подключены к линии связи. В исходном состоянии трубки телефонных аппаратов лежат на рычагах, контакты кнопок SB1 абонентских комплектов находятся в показанном на схеме положении, транзисторы VT1 и VT2 закрыты. Для вызова второго абонента первым последний должен нажать кнопку вызова SB1. При этом на выводе 9 микросхемы DD1 появится напряжение высокого уровня, разрешающее прохождение импульсов генератора на базу транзистора VT1. Транзистор VT2 будет периодически замыкать линию связи, импульсное напряжение будет воздействовать на телефонный аппарат Е2, в котором зазвонит звонок, а аппарат Е1 на это время будет отключаться от линии второй парой контактов кнопки SB1. Рассмотрим, каким образом импульсное однополярное напряжение заставляет звучать звонок. Путь прохождения тока через звонок телефонного аппарата показан на рис.2. Когда транзистор VT2 находится в закрытом состоянии, он не воздействует на линию связи, и через резистор R5 и конденсатор С телефонного аппарата от источника напряжения Е протекает зарядный ток в направлении, показанном на рис.2,а. При этом молоточек звонка НА отклоняется в одну сторону, ударяя по чашке. Открывание транзистора VT2 вызывает замыкание линии связи через небольшое (сотни ом) сопротивление открытого транзистора (на рис.2,б оно не показано). Конденсатор С разряжается на обмотку звонка НА. Направление тока, как видно из рисунка, противоположно показанному на предыдущем рисунке. Таким образом, через катушку звонка протекает переменный ток, приводя в движение молоточек звонка. После того, как абоненты снимают трубки с аппаратов Е1 и Е2, можно вести разговор. При этом аппараты соединены параллельно и через резистор R5 подключены к источнику напряжения (мостовой выпрямитель VD3 и конденсатор СЗ). Наличие резистора R5 обеспечивает передачу разговорного тока От одного абонента к другому и ограничивает ток через открытый транзистор VT2. Первый абонент может снимать трубку своего аппарата как до нажатия кнопки "Вызов", так и после - это не имеет значения. ![]() Путь прохождения тока через звонок телефонного аппарата а) транзистор VT2 закрыт; б) транзистор VT2 открыт В переговорном устройстве можно использовать следующие детали. Микросхема DD1 - любая из серий К176, К561, К164, К564. Транзистор VT1 - КТ503 (Д,Е), КТ3117 (А,Б), КТ608 (А,Б), КТ630 (с любыми буквами); VT2 - КТ815 (В,Г), КТ817 (В,Г), КТ630 (с любыми буквами). Стабилитрон VD1 может быть типа Д814 (А,Б). Диод VD1 - КД510А, КД521А, КД102 (А,Б), Д223 (А,Б). Мостовой выпрямитель VD3 - КЦ402, КЦ405, КЦ407 (с любыми буквами). Конденсаторы: С1 - КМ-бб, КЛС, К10-7в; С2 - К50-С,К50-16, К50-12; СЗ - К50-24. Кнопка SB1 - КМ2-1, П2К; выключатель питания Q1 - ТВ2-1, Tl, MT1. Трансформатор Т1 намотан на сердечнике ШЛ 16х25. Обмотка I содержит 2200 витков провода ПЭВ-2 0,11; обмотка II - 420 витков провода ПЭВ-2 0,2. Элементы, входящие в состав абонентских комплектов А1 и А2, смонтированы на небольших платах, которые размещены в корпусах телефонных аппаратов; детали выпрямителя собраны в отдельном корпусе. К линии связи могут быть подключены и другие телефонные аппараты совместно с абонентскими комплектами. Число аппаратов ограничивается вызывным током, который должен быть достаточен для работы звонков во всех аппаратах. Поскольку при нажатии кнопки вызова будут работать звонки во всех аппаратах, целесообразно установить число сигналов, соответствующих каждому абоненту; трубку будет снимать в этом случае только один абонент. Можно также условиться о сигнале общего вызова, когда трубки снимают все абоненты одновременно и ведут общий разговор. Налаживание переговорного устройства состоит в подборе резистора R5, что должно обеспечить достаточный вызывной ток для нормальной работы звонков всех аппаратов. Сопротивление этого резистора определяет также разговорный ток, протекающий через телефонные аппараты; ток через каждый аппарат нс должен превышать 20...30 мА; при этом сопротивление резистора R5 не должно быть меньше 1 кОм. Если же для обеспечения нормальной работы звонков этот резистор имеет меньшее сопротивление, то для ограничения разговорного тока следует включить резисторы последовательно с каждым из телефонных аппаратов.
|
