Что-то не так?
Пожалуйста, отключите Adblock.
Портал QRZ.RU существует только за счет рекламы, поэтому мы были бы Вам благодарны если Вы внесете сайт в список исключений. Мы стараемся размещать только релевантную рекламу, которая будет интересна не только рекламодателям, но и нашим читателям. Отключив Adblock, вы поможете не только нам, но и себе. Спасибо.
Как добавить наш сайт в исключения AdBlockРеклама
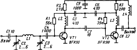
Антенный усилитель ДМВ
|
Несложная конструкция двухкаскадного широкополосного антенного усилителя предназначена для усиления сигналов в телевизионном диапазоне ДМВ. На входе усилителя включен настраиваемый полосовой фильтр L1C2C3 с полосой пропускания порядка 50 МГц в пределах с 21-го по 60-й канал телевизионного диапазона. Транзисторы VTI и VT2 включены по схеме с общим эмиттером. Первый каскад работает при токе коллектора транзистора 7 мА и в большей степени определяет такие параметры усилителя, как уровень шума и перекрестную модуляцию. Второй каскад определяет общий коэффициент усиления, который составляет 25 дБ. Коллекторный ток транзистора VT2 выбран в пределах 25 мА.
Вход и выход усилителя несимметричные и рассчитаны на подключение коаксиального кабеля с волновым сопротивлением 75 Ом. Питание осуществлено напряжением +12 В и подается через фидер. Дроссель L4 имеет индуктивность 10 мкГ и намотан на ферритовом кольцевом магнитопроводе. Катушка L1 выполнена посеребренным проводом диаметром 2 мм, имеет полвитка и отформована на оправке с внешним диаметром 4 мм. Дроссели L2 и L3 имеют по 3 витка, намотанных проводом ПЭЛ-1 0,2 на ферритовых кольцевых магнитопроводах. Элементы усилителя смонтированы на печатной плате из стеклотекстолита, которая заключена в металлический экран. Дроссели L2 и L3 следует намотать на магнитопроводах из феррита марок 10ВНП, 20ВНП, L4 - на магнитопроводе из феррита с магнитной проницаемостью не менее 1000. Транзисторы BFR 90 можно заменить любыми мощными транзисторами, рассчитанными на работу в СВЧ диапазоне (КТ606, КТ610, КТ640, КТ913 и др.). Радио ї4, 1989
|