LAB599.RU — интернет-магазин средств связи
EN FR DE CN JP

Схемы некоторых узлов телевизоров




Схемы некоторых узлов телевизоров

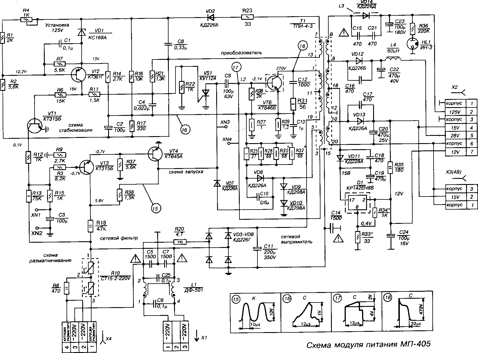
Модуль питания МП-405
Модуль питания МП-407-2
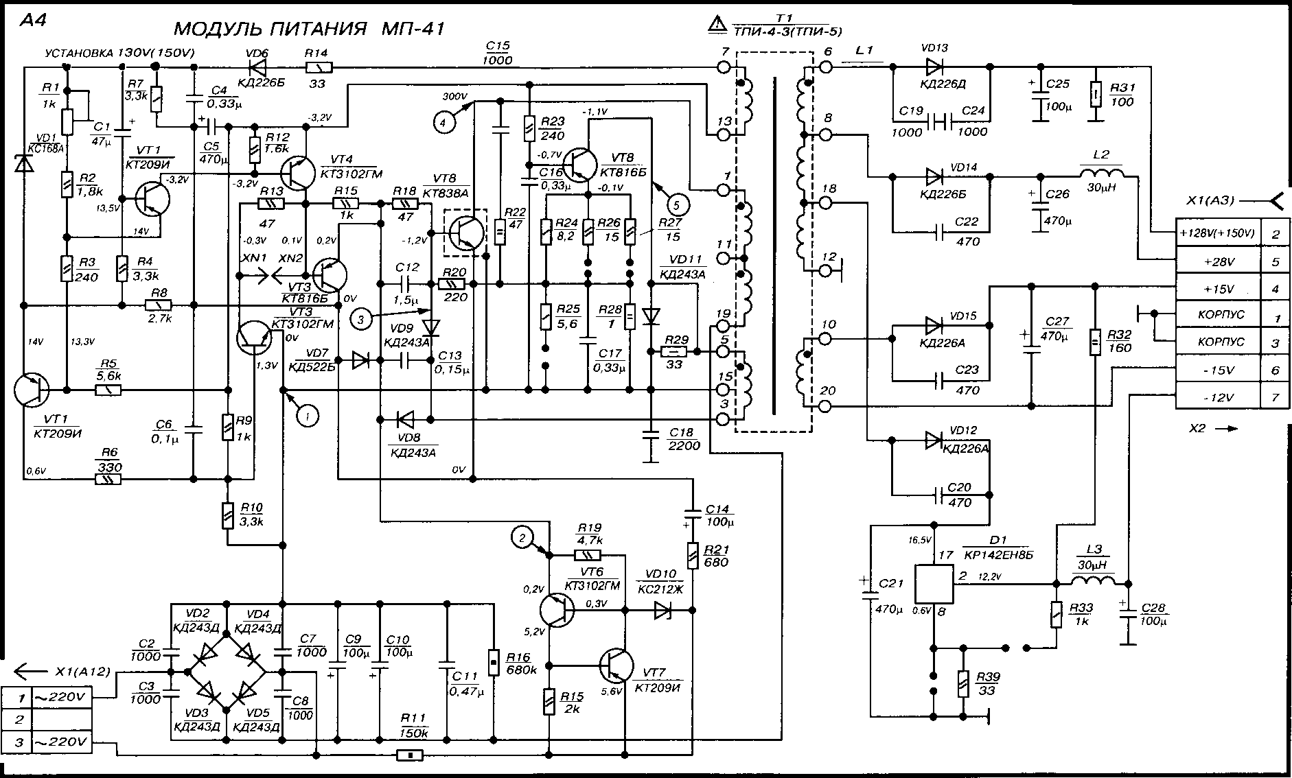
Модуль питания МП-41
Модуль питания МП-420-2
Модуль питания МП-44
Модуль питания КРП-501
Модуль питания КРП-525
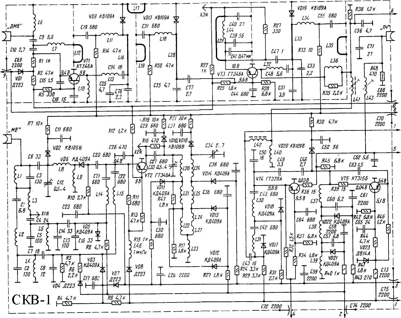
Селектор каналов СКВ-1
Селектор каналов СКВ-41C
Селектор каналов СКМ-24-2
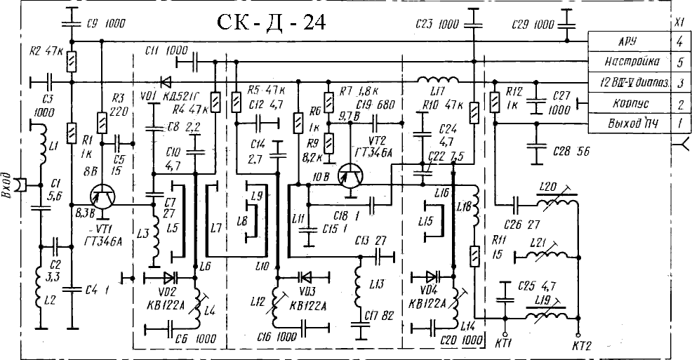
Селектор каналов СКД-24

Источник: shems.h1.ru

Партнеры