Что-то не так?
Пожалуйста, отключите Adblock.
Портал QRZ.RU существует только за счет рекламы, поэтому мы были бы Вам благодарны если Вы внесете сайт в список исключений. Мы стараемся размещать только релевантную рекламу, которая будет интересна не только рекламодателям, но и нашим читателям. Отключив Adblock, вы поможете не только нам, но и себе. Спасибо.
Как добавить наш сайт в исключения AdBlockРеклама
Автоматический переключатель телевизионных входов
|
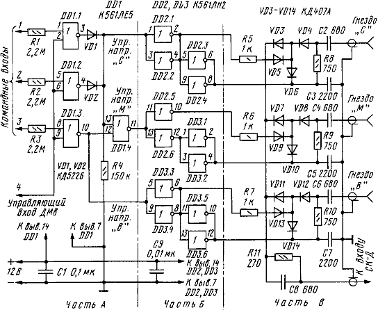
Многие пользователи различной видеоаппаратуры сталкиваются с проблемой подачи на телевизор телевизионных сигналов от нескольких источников (двух-трех антенн, видеомагнитофона и т. д.). Для ее решения автор статьи предлагает применить автоматический диодный переключатель. Развитие центрального и местного телевещания, расширяющееся использование видеотехники приводят к необходимости автоматически переключать источники телевизионного сигнала при выборе соответствующих программ. Устройство коммутации трех входов таких источников механическим реле с электронно-логическим управлением было использовано при расширении возможностей блока выбора программ СВП4-10 и рассмотрено в статье автора "12 программ вместо 6" ("Радио", 1997, #4). Конечно, коммутация входов механическим реле - не лучший вариант из-за паразитных емкостей и индуктивностей контактов. Это неважно при различающихся частотах принимаемых программ. Но в случае приема одной и той же программы разными антеннами, например, по прямому и отраженному лучу, релейная коммутация становится неприемлемой из-за сложения основного и паразитного сигналов. По той же причине будет непригоден и сумматор сигналов с различных антенных входов. Проблема довольно просто решается использованием переключателя на коммутационных диодах, открывающих рабочий вход и блокирующих нерабочие. Такой алгоритм в сочетании с малой емкостью закрытых диодов (0,5...1,5 пФ) и малым дифференциальным сопротивлением открытых диодов (0,5...5 Ом) позволяет лучше подавить мешающие сигналы. При их выборе следует руководствоваться тем, что лучшие параметры имеют диоды КД420А, КД407А и немного похуже - КД409А, КД413А, КД514А. Однако можно попробовать и другие высокочастотные или импульсные диоды с близкими к указанным значениям параметрами.
Принципиальная схема предлагаемого переключателя входов изображена на рисунке. Антенное гнездо "С" (местное телевещание) подключено к телевизору при выборе в блоке СВП4-10 программ по командным входам 1 и 2, гнездо "В" (сигнал по высокой частоте) - при выборе программы по командному входу 3. При выборе программ, не связанных с входами 1-3, телевизионный сигнал поступает через антенное гнездо "М" (центральное телевещание). Управляющий вход 4 обеспечивает привязку коммутируемых источников к диапазону ДМВ. Разрешением на коммутацию в первых двух случаях служит совпадение уровней 0 на командном и управляющем входах, а в третьем - их несовпадение. Микросхема DD1 вырабатывает управляющие напряжения, а микросхемы DD2, DD3 коммутируют диоды VD3-VD14. При нулевом управляющем напряжении "С", "М" или "В" открытый диод (VD6, VD10 или VD14) замыкает сигнал на общий провод, а закрытые диоды (VD3 и VD4, VD7 и VD8 или VD11 и VD12) препятствуют его прохождению на вход телевизора. При единичном управляющем напряжении состояние диодов изменяется и сигнал проходит через коммутатор почти без потерь. Для уменьшения паразитных емкостей и индуктивностей диоды и связанные с ними конденсаторы распаивают непосредственно на лепестках антенных гнезд при минимальной длине выводов. Блокирующие конденсаторы С3, С5, С7 лучше применить безвыводные или после отпайки имеющихся выводов. Параллельное включение инверторов микросхем DD2 и DD3 применено для увеличения тока через диоды, в нашем случае равного 10 мА. Размещение и подключение части А устройства такие же, как рассказано в указанной выше статье. Части Б (печатный монтаж) и В (навесной монтаж) расположены вблизи антенных гнезд телевизора и соединены с частью А пятипроводным жгутом. Устройство обеспечивает весьма эффективную коммутацию источников телесигнала. Так как мешающий сигнал значительно подавлен, совершенно отсутствует наложение изображений на телеэкране и вызванные им специфические искажения. В заключение следует отметить, что рассмотренный переключатель несложно адаптировать к иным условиям приема и другим устройствам выбора программ в телевизоре. Потребуется лишь изменить входную логику работы и число исполнительных каналов коммутации. От редакции. Для нормального функционирования переключателя необходимо, чтобы входное сопротивление СК-Д по постоянному току не превышало 75 Ом. Радио №11, 1998 |