Что-то не так?
Пожалуйста, отключите Adblock.
Портал QRZ.RU существует только за счет рекламы, поэтому мы были бы Вам благодарны если Вы внесете сайт в список исключений. Мы стараемся размещать только релевантную рекламу, которая будет интересна не только рекламодателям, но и нашим читателям. Отключив Adblock, вы поможете не только нам, но и себе. Спасибо.
Как добавить наш сайт в исключения AdBlockРеклама
Телепередатчик диапазона ДМВ
|
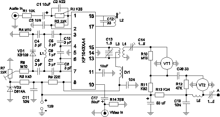
Принципиальная схема передатчика показана на рисунке. Передатчик работает в диапазоне ДМВ (UHF) и построен на одной микросхеме и двух СВЧ транзисторах. Он обеспечивает хорошее качество цветной картинки на расстоянии до 50 м. Максимальный радиус действия зависит от чувствительности телевизора, применяемых антенн, и для цветного изображения составляет 300 м, а черно белого - более 500 м.
Катушки передатчика бескаркасные, намотаны на оправке диаметром 3 мм. Катушки L1, L4, L5 содержат по 1.5 витка (кольцо с выводами вниз) провода ПЭВ 0.5 мм, а катушка L3 - 2+2 витка того же провода, и состоит из двух половин, между которыми помещается катушка L4. Зазор между катушками L3 и L4 около 1 мм. Катушка L2 взята от контура режекции звука любого телевизора. Контур L2 C12 настроен на частоту поднесущей звука 6.5 МГц, поэтому конденсатор С12 может быть другой емкости, из состава контура телевизора. Дроссель типа ДПМ 0.1 10...50 uH, или самодельный, намотанный на резисторе типа МЛТ-0.25 и содержащий 50 витков провода диаметром примерно 0.1 мм, зафиксированного лаком. Провод желательно мотать секциями для уменьшения собственной емкости дросселя. К сожалению, тип СВЧ транзисторов мне неизвестен, так как на них отсутсвует маркировка. Транзисторы имеют керамический корпус диаметром 2 мм и толщиной 1 мм, и показаны на фото (увеличено). Применимы любые СВЧ транзисторы с граничной частотой более 2 ГГц и мощностью не менее 50 мВт. Детали передатчика размещены на печатной плате из фольгированного с одной стороны стеклотекстолита. Принципиальная схема начерчена с таким расчетом, чтобы по ней можно было легко вычетить разводку печатной платы. При этом следует учитывать, что ширина проводников должна быть не менне 1 мм. Проводник "массы" выполняется сплошной заливкой свободного пространства платы, на расстоянии 1-2 мм от прочих проводников. Важно, чтобы выводы микросхемы 5 и 14 соединялись друг с другом под микросхемой и с массой кратчайшим путем. Следует сремиться к тому, чтобы и остальные проводники были минимальной длины. ![]() ![]()
СВЧ транзисторы распаяны со стороны печати. Обязательна пропайка обоих выводов эмиттера СВЧ транзисторов. Плата сверху закрывается латунным экраном высотой 20...25 мм с отверстиями напротив элементов регулировки (R7, C13, 14, 21, L2) и вывода антенны. Экран пропаивается по контуру снизу платы. Для установки антенны на плате распаивается латуневая втулка с внутренней резьбой М2. Плата размещена в подходящем корпусе, в кожухе которого засверлено отверстие для антены. В корпусе, показанном на фото, кроме передатчика установлен преобразователь напряжения 6 -> 12 Вольт. ![]()
На передней панели размещены входные розетки (на фото на панели размещены по две спаренные розетки аудио и видео для обеспечения возможности включать передатчик шлейфом с другим оборудованием). Устанавливают также разьем питания и светодиод. Антенна сделана из кусока голой медной проволоки сечением 2,5 мм2. Длина антенны подбирается экспериментально и составляет приблизительно 30 см. Настройка сводится к установке точки модуляции резистором R7 (при этом меняется также рабочая частота) по отсутсвию зеленых контуров и розовых "тягунов" на изображении. Затем настраивают контуры С13 L3 и C14 L4 и контур согласования с антенной по максимальной выходной мощности (на рассотянии около метра от передатчика с поключенной антеной сигнал (Ч/Б, с помехой) принимается "на вход" телевизора). В последнюю очередь настраиваем контур L2 на частоту 6.5 МГц (можно на слух по чистой передаче звука). Направленные антены с этим передатчиком не применялись, хотя это возможно. Эрнст Неизвестный
|


