Что-то не так?
Пожалуйста, отключите Adblock.
Портал QRZ.RU существует только за счет рекламы, поэтому мы были бы Вам благодарны если Вы внесете сайт в список исключений. Мы стараемся размещать только релевантную рекламу, которая будет интересна не только рекламодателям, но и нашим читателям. Отключив Adblock, вы поможете не только нам, но и себе. Спасибо.
Как добавить наш сайт в исключения AdBlockРеклама
Передатчик видеосигнала
|
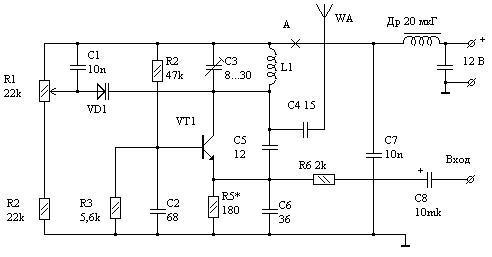
Передатчик предназначен для амплитудно-частотной модуляции видеосигнала с видеоаппаратуры (видеокамер, тюнеров, магнитофонов, персональных компьютеров и т. д.) на телевизионный приемник. Передатчик подключают непосредственно к видеоаппарату, что исключает необходимость иметь видеовход на телевизионном приемнике. Совместив такой передатчик с бескорпусной видеокамерой, нетрудно получить установку для беспроводного видеонаблюдения, а для экономичной работы батарей питания рекомендуется совместить это устройство с инфракрасным детектором присутствия, серийно выпускающимся многими зарубежными фирмами и стоящим относительно недорого, например детектором "REFLEX" фирмы "ТЕХЕСОМ" способном улавливать постороннее вмешательство, устойчив на ложное срабатывание, электромагнитное и радиочастотное излучение. Дополнив схему видеопередатчика усилителем высокой частоты, выполненном на одном транзисторе типа КТ325, можно увеличить выходную мощность передатчика, и соответственно дальность беспроводной связи с телевизионным тюнером.
Принципиальная схема передатчика содержит один транзистор VT 1 типа КТ603Г. В качесте VD1 использован КВ109Г. Передатчик настраивают на частоту одного из свободных от телевизионного вещания каналов (например, 1....5 канал). Подстройка осуществляется с помощью подстроечного конденсатора С 4, которым добиваются захвата немодулированного сигнала. Точная настройка передатчика производится резистором R1. Сигнал от видеоприбора подается на вход передатчика в цепь эмиттера транзистора через резистор R6 и конденсатор С9. Промодулированный видеосигнал с коллектора поступает на колебательный контур L1 С4 в антенну. Ток в точке А подбирается в пределах 30....35 мА. Правильно собранный передатчик работает сразу. В случае отсутствия генерации необходимо проверить напряжение на эмиттере транзистора VT1, причем напряжение на нем должно отличаться от напряжения на базе на 1...2 В в большую сторону. Передатчик следует питать от стабилизированного источника питания. Антенна должна иметь жесткую конструкцию, например типа телескопической. Вместо транзистора КТ603 можно использовать КТ608Б или другой, с подходящими параметрами. Передатчик желательно поместить в экран с целью уменьшения помех.
|