Что-то не так?
Пожалуйста, отключите Adblock.
Портал QRZ.RU существует только за счет рекламы, поэтому мы были бы Вам благодарны если Вы внесете сайт в список исключений. Мы стараемся размещать только релевантную рекламу, которая будет интересна не только рекламодателям, но и нашим читателям. Отключив Adblock, вы поможете не только нам, но и себе. Спасибо.
Как добавить наш сайт в исключения AdBlockРеклама
Конвертер ДМВ в МВ
|
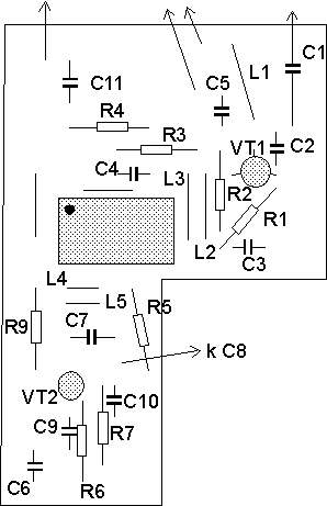
Конвертер позволяет использовать телевизоры старых образцов, а также телевизоры 3-го и 4-го поколении, не имеющие блока СКД для приема ДМВ. Конвертер позволяет просматривать телевизионные передачи в дециметровом диапазоне с 21-го по 60-и каналы с преобразованием в метровый диапазон с 1-го по 12-и каналы. Подключается конвертор к антенному входу MB TV. Принципиальная схема конвертера приведена на рис. 1. Он состоит из усилителя радиочастоты, смесителя, гетеродина.
Усилитель радиочастоты собран на СВЧ транзисторе VT1 типа КТ3198Б, преобразователь собран на микросхеме К174ПС4, которая специально разработана для использования в качестве смесителя. В качестве гетеродина используется транзистор КТ3128А, включенный по схеме с общей базой. Сигнал ДМВ, приходящий с антенны, выделенный контуром Cl, LI, C2, усиливается транзистором VT1, и с контура L2, L3 поступает на микросхему D1, где преобразуется в час юты метрового диапазона. Гетеродин работает на частотах от 421 МГц до 560 МГц. т.e. перекрывает 139 МГц, что позволяет преобразовать любой из каналов ДМВ диапазона от 477 МГц до 789 МГц в метровый. Так, например чтобы преобразовать 21-й канал в метровый, достаточно настроить гетеродин на частоту 421 МГц, получаем 477 МГц - 421 МГц = 56 МГц, т.е. 1-й канал, аналогично и на других каналах, при этом на других каналах можно получить до 5 каналов метрового диапазона (см.таблицу).
![]() ![]() ![]()
Конвергер питается стабилизированным источником питания 9...12 В. Потребляемый ток - не более 30 мА. Конструктивные данные катушек приведены на рис.2, чертеж печатной платы в масштабе 1:1 - на рис.3. В конвертере применены резисторы типа C1-4-0,125; конденсаторы C1, C2, СЗ, С9, С10 - типа КД-2, конденсаторы С4, С5, С6 - типа К10-7Б, конденсатор С7 - типа КТ-23 8/30 пФ, конденсатор С8 - от УКВ блока приемника "Океан". Детали конвертера размещены на односторонней печатной плате из фольгированного стеклотекстолита толщиной 1 мм. Конвертер помещен в корпус стандартного блока СКД. Каскад гетеродина отделен от остальной части конвертера перегородкой из жести. Наладка конвертора сводится к на стройке гетеродина на нужные частоты. При максимальной емкости конденсатора С8 медленным вращением конденсатора С7 добиваются приема 21-го канала на 1-й канал, а при минимальной емкости конденсатора С8 медленным вращением конденсатора С7 добиваются приема 60-го канала на 12-й канал. При такой настройке все каналы дециметрового диапазона попадают в полосу преобразования конвертера. Литература: 1. Радио. - 1989. - N2. - С.26. 35. В.КОРОБЕЙНИКОВ |


