Что-то не так?
Пожалуйста, отключите Adblock.
Портал QRZ.RU существует только за счет рекламы, поэтому мы были бы Вам благодарны если Вы внесете сайт в список исключений. Мы стараемся размещать только релевантную рекламу, которая будет интересна не только рекламодателям, но и нашим читателям. Отключив Adblock, вы поможете не только нам, но и себе. Спасибо.
Как добавить наш сайт в исключения AdBlockРеклама
ЧМ декодер кабельного телевидения
|
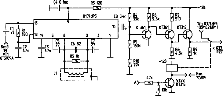
Кабельное телевидение строится по принципу: передающая станция — линия связи (проводная или эфирная). Вмешательство в проводную линию незаконно, если же передающая станция использует эфир — прием сигналов никому не возбраняется. Именно поэтому при трансляции через эфир сигнал кодируется. Передача, как правило, ведется с небольшой мощностью на ДМВ диапазоне. На приемной стороне устанавливается антенная система, селектор каналов, декодер, модулятор (как правило, на MB) и усилитель — это для "массового" потребителя. Для индивидуального просмотра используется персональный декодер. Однако чаще применяется "массовый" вариант — в пределах многоквартирных домов. Для личного пользования целесообразно установить декодер. В зависимости от системы кодирования он может быть разным. У нас в городе уже четыре года есть кабельное ТВ, транслирующее свои программы на 54-м канале ДМ В с частотной модуляцией. Поскольку для ТВ принята система однополосной AM, то на обычном TV изображение получается за счет паразитной амплитудной модуляции ЧМ-сигнала и неравномерности тракта ПЧ, но смотреть его практически невозможно. Я предлагаю свой вариант декодера, представляющий собой ЧМ-детектор (К174УРЗ) и видеоусилитель, которые заменяют при декодировании тракт К174УР5 (КР1021УР1). Хотя микросхема К174УРЗ является, строго говоря, звуковой, она неплохо справляется с детектированием видеосигнала и имеет полосу пропускания по выходу не менее 7 МГц. К выходу детектора подключен видеоусилитель с коэффициентом усиления около 9. Первый и последний каскады — эмиттерные повторители для согласования высокого выходного сопротивления ЧМ и низкого — входного тракта видео. Второй каскад обеспечивает усиление видеосигнала до необходимого уровня— с 200 мВ до 1,8 В, а также его ограничение. Внимание! Видеоусилитель инвертирует сигнал. Данный декодер эксплуатируется у меня уже два года, обеспечивая довольно высокое качество изображения.
Данный декодер предназначен для встраивания в субмодуль радиоканала СМРК-2 или аналогичный. ПЧ для декодера снимается с коллектора VT1 КТ3109А (предусилитель ПЧ, вход полосового фильтра ФПЗП9-451). При этом штатная К174УР5 (КР1021УР1) не отключается и продолжает выполнять функции АРУ и АПЧГ (шунтирования ПЧ не происходит, поскольку входное сопротивление декодера довольно высокое). Отключается только ее выход — вывод 12 микросхемы, то есть выход штатного АМ-детектора и видеоусилителя подменяется ЧМ-детектором и транзисторным видеоусилителем. Таким образом, выход данной схемы должен быть подключен через видеорфильтр к выходному эмиттерному повторителю и к частотному детектору звука (УПЧЗ или К174УР4). Переключение "норм/декодер" можно производить либо с помощью переключателя, либо с помощью реле, "привязав" декодер к одному из каналов. Это можно сделать подобно тому, как в блоке УСУ-1-15 производится изменение постоянной времени АПЧФ — на 8-м канале. Можно использовать канал с декодером без вмешательства в УСУ. Для этого вывод изменения постоянной времени АПЧФ (вывод 12 разъема Х2 блока А 10) отрезается от схемы и подается на реле, другой вывод реле — напряжение питания +12 В. Тогда при переключении на 8 канал транзистор открывается и реле срабатывает, переключая тракт видеодетектора. Реле должно быть слаботочным, на напряжение 10 В и ток срабатывания не больше 50 мА с одной группой Контактов на переключение, например РЭС-15. Данные LI — провод ПЭЛ-0,45, 5 витков один к одному на каркасе диаметром 5 мм с ферритовым подстроечником и экраном, аналогичный использованному в СМРК. Частота настройки контура — 31,5, МГц, поскольку видеоусилитель инвертирующий. Настройка декодера заключается в подстройке контура и установке с помощью R 10 постоянного напряжения на выходе видеоусилителя 5 В. От этого зависит качество ограничения синхроимпульсов и, соответственно, качество синхронизации. На качество синхронизации, кроме того, влияет питающее напряжение К174УР (9 В), поэтому обязательна установка конденсатора С4 вблизи микросхемы. Можно рекомендовать параллельное подключение к С4 дополнительного конденсатора емкостью 50...200 мФ х 16В. В. ЗЕЛИНСКИЙ |