Что-то не так?
Пожалуйста, отключите Adblock.
Портал QRZ.RU существует только за счет рекламы, поэтому мы были бы Вам благодарны если Вы внесете сайт в список исключений. Мы стараемся размещать только релевантную рекламу, которая будет интересна не только рекламодателям, но и нашим читателям. Отключив Adblock, вы поможете не только нам, но и себе. Спасибо.
Как добавить наш сайт в исключения AdBlockРеклама
Преобразователь ПЧ звука 6,5 в 5,5 МГц
|
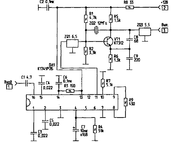
Вашему вниманию предлагается простая, но достаточно хорошо зарекомендовавшая себя схема преобразователя ПЧ звука 6,5 МГц в 5,5 МГц. Мною опробованы многие схемные решения, но остановился я именно на этом, потому что практически все его элементы широко доступны, и преобразователь начинает работать без всякой настройки. Микросхема К174УР2 представляет собой усилитель ПЧ канала изображения телевизионных приемников. В типовом включении она, как правило, включается по схеме с симметричным входом. В нашем случае (см. рисунок ) микросхема включена по упрощенной схеме с несимметричным входом. Вывод 1 (вход УПЧ) и выводы 2. 15 (фильтр цепи ООС) заземлены через конденсаторы СЗ и С5, С4 соответственно. Выводы АРУ 5 и 6 не используются. Вход строчной синхронизации (вывод 7) заземлен. К выводам 8 и 9 вместо контура подключен резистор R9. Резистор R7 задает максимальное усиление. На вход УПЧ (вывод 16) через конденсатор С1 подается сигнал с выхода телевизионного тюнера, усиливается и через полосовой пьезофильтр на 6,5 МГц подается на базу транзистора VT1, на котором собран генератор 12 МГц. Частота стабилизирована кварцевым резонатором ZQ2. Таким образом, на выходе получается разностная частота: f2=f-f1 = 12МГц-6,5МГц=5,5МГц. Эта ПЧ звука через полосовой пьезофильтр ZQ3 поступает далее на фильтр ПЧ телевизора или видеомагнитофона.
Детали и конструкция: С1, С8, С9— КТ-1; С7 — К50-35, К50-16, все остальные конденсаторы — К73-17, КМ-6, КМ-5; Все резисторы — МЛТ 0,125; ZQ1 — ФП1П8-62.02 (желтая и белая точки) или SFE 6,5 М; ZQ3 — ФП1П8-62.01 (желтая точка) или SFE 5,5 М; VT1 — КТ312, КТ315 с любым буквенным индексом. Преобразователь собран на печатной плате размером 45х40 мм. Плата преобразователя устанавливается в видеомагнитофон или телевизор следующим образом: 1. Сама плата аккуратно припаивается сверху к тюнеру; 2. Вывод 1 платы коротким проводом соединяется с выводом IF тюнера; 3. Вывод 2 платы — с выводом 12 В тюнера. 4. Вывод 3 платы — со входом фильтра ПЧ 5,5 МГц на плате видеомагнитофона или телевизора. В заключение хочу отметить, что данный преобразователь установлен мною во многие телевизоры и видеомагнитофоны импортного производства и показал себя с самой хорошей стороны. В. КРАВЧУК |