Что-то не так?
Пожалуйста, отключите Adblock.
Портал QRZ.RU существует только за счет рекламы, поэтому мы были бы Вам благодарны если Вы внесете сайт в список исключений. Мы стараемся размещать только релевантную рекламу, которая будет интересна не только рекламодателям, но и нашим читателям. Отключив Adblock, вы поможете не только нам, но и себе. Спасибо.
Как добавить наш сайт в исключения AdBlockРеклама
Корректирующий антенный усилитель
|
Широкое развитие коммерческого телевизионного вещания поставь ряде регионов страны сложную задачу обеспечения высококачественного приема сигналов таких станций. Это обусловлено тем, что в большинстве случаев мощность их передатчиков не превышет 100 Вт, да и высота установки антенн невелика, что в совокупности приводит к тому, что зона уверенного приема не превышает 30 км. Частичное решение этой проблемы может быть достигнуто установкой вблизи приемной антенны широкополосного усилителя [ 1 ], что повышает чувствителность всего приемного тракта. Однако не всегда это может привести к положительным результатам. Дело в том, что одновременно со слабым сигналом усиливаются и значительно более мощные сиганалы государственных телеканалов, а их передатчики имеют мощность, как правило около 1 кВт (и более, т.е. на порядок больше). Именно поэтому установка усилителя может привести к перегрузке входных каскадов телевизора или появлению помех по зеркальному каналу, что делает также невозможным высококачественный прием слабого сигнала. Выходом из указанной ситуации может быть применение специального частотно-избирательного усилителя, который усиливал бы слабый сигнал больше, чем мощные, и тем самым выравнивал уровни, т.е. необходим корректирующий усилитель. Усилитель разработан для применен в Курской области, где телевизионное вещание ведется на четвертом (РТР), восьмом (“Останкино”) и десятом (коммерческое телевидение) каналах. Перестроить усилитель, и тем самым адаптировать его для работы в других регионах, т.е. настроить для усиления слабых сигналов на других каналах, очень просто - изменив номиналы некоторых элементов. В первую очередь это относится канальному фильтру. Схема такого усилителя показана на рис.1.
Он содержит входной каскад на транзисторе VT1, канальный фильтр L2—L6C5—C15, выходной усилитель на транзисторах VT2, VT3 и гибридный ответвитель-сумматор на трансформате Т1 и резисторе R10. Сигналы с антенны поступают на входной каскад, где усиливаются на 7...9 дБ. После него на выход они попадают двумя путями: через канальный фильтр с выходным усилителем, где слабый сигнал усиливается на 10...15дБ, и через цепь R6C17, где все сигналы ослабляются на 4...5 дБ. В результате слабый сигнал, на который настроен фильтр, усиливается на 20...22дБ, а мощные — всего на 3..4дБ, т.е. происходит выравнивание их уровней. Диоды VD1, VD2 усилителя защищают входной каскад от возможных мощных электрических разрядов, например во время грозы. Катушка L1 подавляет сигналы на частотах менее 40 МГц. Цепь C4R5 выравнивает усиление в интервале рабочих частот. Канальный фильтр должен обеспечивать хорошее подавление сигналов соседних каналов приема, поэтому он выбран пятиконтурным. Расчетная полоса пропускания — 8 МГц, но может быть 8...10 МГц, Номиналы элементов фильтра для всех каналов диапазона MB указаны в таблице. Следовательно, можно адаптировать усилитель к конкретным условиям приема, т.е. установить в нем фильтр, настроенный на самый слабый принимаемый сигнал. Нагрузочные сопротивления всех фильтров - 75 Ом.
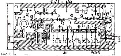
Все детали усилителя размещены на печатной плате из двустороннего фольгированного стеклотекстолита, рисунок проводников которой изображен на рис. 3. Печатные проводники сделаны на одной стороне, а вторая оставлена металлизированной и использована как общий провод, к которому через отверстия в плате припаяны выводы некоторых деталей. Кроме того, через край платы эта сторона соединена припаянной фольгой с общим проводом усилителя на другой стороне.
Трансформатор Т 1 наматывают на кольце из феррита проницаемостью 600... 1500 диаметром 7... 10 мм. Сначала проводят платную свивку двух проводов ПЭВ-2 0, 25 так, чтобы на 1 см длины было 5 свивок, затем свитой провод наматывают на кольцо (5... 6 витков) так, чтобы витки равномерно располагались на кольце. После этого выводы соединяют в соответствии со схемой, причем они должны быть минимальной длины. Дроссель 17—ДМ-0, 1 индуктивностью 40... 120 мкГн. Он может быть изготовлен самостоятельно на толще из феррита проницаемостью 600... 2000 диаметром 5... 7 мм. Его наматывают проводом ПЭВ-2 диаметром 0, 1... 0, 2 мм, число витков — 10—15.
Налаживание усилителя сводится в основном к настройке канального фильтра. Так как катушки фильтра бескаркасные, то настройку лучше проводить увеличением расстояния между витками, для чего индуктивность катушек фильтра следует брать немного больше указанной в таблице. Если при настройке катушки окажутся сильно растянутыми, то нужно уменьшить на один число их витков. Конденсатором С19 корректируют АЧХ усилителя так, чтобы выровнять усиление вне полосы пропускания фильтра. На заключительном этапе может понадобиться подбор резистора R3 по наилучшему качеству приема. Настройку лучше всего проводить, используя панорамный измеритель АЧХ. При этом следует помнить, что выводы катушек и конденсаторов фильтра должны быть минимальной длины, а сами катушки должны лежать на плате. Следует учитывать также паразитную емкость монтажа, особенно на частотах 6—12-го каналов, где конденсаторы связи (С8, С9) особенно малы. Поэтому на 10 —12-м каналах их возможно придется выполнить в виде половины витка провода ПЭВ-2 0, 25 на отрезке провода ПЭВ-2 0,6. Критерием правильности настройки фильтра может служить его АЧХ. Полоса пропускания фильтра должна быть 8... 10 МГц при неравномерности не более 1 дБ. Если полоса пропускания получается уже и имеет колоколообразную форму, то немного увеличивают емкость конденсаторов связи (С7 — С10), если же фильтр получается шире и имеет большую неравномерность АЧХ, то их емкости следует уменьшить. При получении удовлетворительной АЧХ нижние части витков катушек приклеивают к плате эпоксидным клеем. После его отверждения проводят окончательную регулировку. Разместить усилитель можно в корпусе подходящего размера, лучше металлическом, и при возможности в защищенном от влаги помещении. Если планируется использовать усилитель на открытом воздухе, то он должен быть надежно защищен от влаги [1]. Кроме того, если есть возможность, его следует проверить предварительно в интервале температур и сделать полосу пропускания фильтра не менее 10 МГц (на каналах б — 12). В заключение следует указать, что из-за неидеальности АЧХ канального фильтра усилитель не даст положительных результатов, если слабый и мощный сигналы передаются в смежных каналах (на практике так бывает редко). Иными словами, между несущими изображения этих сигналов должно быть не менее 16 МГц. ЛИТЕРАТУРА И. НЕЧАЕВ |
Необходимость использования гибридного ответвителя-сумматора [2] обусловлена тем, что с выхода выходного усилителя на его вход через цепь C17R6 и канальный фильтр существует обратная связь, которая может привести к самовозбуждению. Вариант сумматора на трансформаторе Т1 и резисторе R10 позволяет реализовать развязку между входами не менее 25...30 дБ и потери лишь в несколько децибел, что, например, нельзя получить на резистивном сумматоре, и тем самым обеспечить устойчивость усилителя. Именно поэтому к изготовлению трансформатора Т1 следует отнестись очень серьезно. Питать усилитель нужно стабилизированным напряжением 9..12 В. Потребляемый усилителем ток—около 30 мА. Если питать его по выходному кабелю, то следует включить дроссель L7.
В устройстве, кроме указанных на схеме , можно применить малошумящий транзистор КТ399А (VT1 —VT3) и серии КТ316 (VT2, VT3), диоды КД522Б, КД521А. Резисторы — МЛТ, конденсаторы емкостью от 2 до 20 пф— КД, КТ, а емкостью более 20ПФ-КМ, КЛС.
Катушки L1 — L6, трансформатор Т1 и конденсаторы емкостью менее 1,5 пф изготовлены самостоятельно. Катушка L1 намотана на оправке диаметром 6 мм и содержит 3...4 витка провода ПЭВ-2 0,6. Катушки канального фильтра L2 — L6 — бескаркасные, их наматывают на оправке диаметром 3,5 мм проводом ПЭВ-2 0,4, число витков в зависимости от требуемой индуктивности определяют по графику на рис. 4.
Конденсаторы емкостью до 2 пф изготавливают самостоятельно. При этом одной его обкладкой служит отрезок провода (несколько миллиметров) ПЭВ-2 0, 6, а второй — намотанный на отрезок виток к витку слой провода ПЭВ-2 0, 25. Емкость одного витка такого конденсатора равна примерно 0, 19 пф.